iphone开不了机如何强制刷机 (iphone无限重启刷机也没用)

收到一台iPhone 7,客户留言说:白苹果反复重启。结合这个案例和大家分享下,白苹果反复重启到底应不应该先刷机判断故障?

iphone自动重启刷机是否有效,为什么iphone反复重启

【故障分析】

白苹果反复重启故障,在iPhone 6s以上的机型,不过基带多半会白苹果重启,很多朋友都会选择刷机看报错来判断故障。尽量不要第一时间刷机,因为如果真的是基带部分问题,刷机多半会是报错4013。如果iPhone 7的话,就算基带S5死的话,还能修成游戏机。如果刷机的话,就彻底报废。那么我们就先不要刷机,直接对基带部分打值。

iphone自动重启刷机是否有效,为什么iphone反复重启

【维修过程】

iphone自动重启刷机是否有效,为什么iphone反复重启

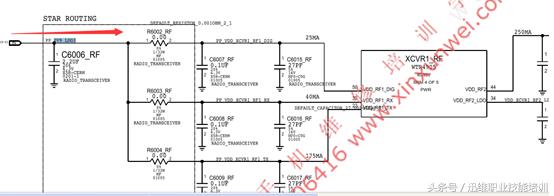
由图中可以看出,基带电源输出15路LDO供电。首先测量这15路LDO供电,进行打对地阻值

iphone自动重启刷机是否有效,为什么iphone反复重启

当测量到LDO3的时候,发现阻值只有1这就不正常了。

iphone自动重启刷机是否有效,为什么iphone反复重启

iphone自动重启刷机是否有效,为什么iphone反复重启

iphone自动重启刷机是否有效,为什么iphone反复重启

在原理图可以看出,LDO3供电同时连接XCVR0_RF和XCVR1_RF大小射频IC。

那么也就是说,大射频,小射频,基带电源这3个芯片任何一个有问题都有可能导致这种情况(中间滤波电容除外)。

拆掉小射频IC,然后再对着LDO3线路打值。

iphone自动重启刷机是否有效,为什么iphone反复重启

拆掉之后LDO3供电线路打值460了,阻值正常了。更换小射频IC,但是故障现象依旧,仍然是白苹果重启状态。

这种情况的话很有可能是之前LDO3线路短路,导致基带电源烧坏,更换基带电源IC。

【维修结果】:

更换之后刷机正常通过,由于不知道客户的ID账号,维修完成。

iphone自动重启刷机是否有效,为什么iphone反复重启

此案例由迅维快修杭州旗舰店(王工)提供。