故障现象
外地客户寄修一台iPhone 6s,故障描述为*放播**音乐无声音,打开振动功能无反应。
维修过程
根据客户描述的情况,开机测试功能。打开铃声设置时切换铃声没有声音。打开录音功
能是可以录音的,*放播**时外放不出声音,听筒有声音。更换后壳总成后测试故障依旧,说明
尾插和扬声器是没问题的。据以上测试,初步判断故障可能在铃声放大电路。
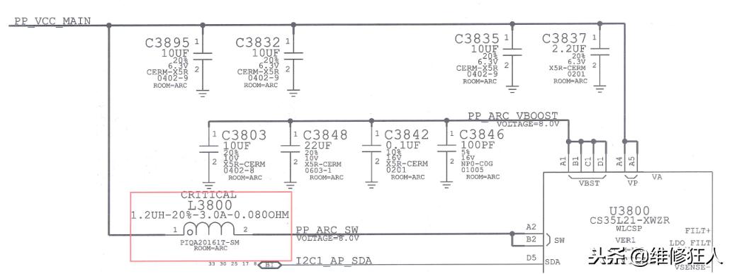
首先测量铃声放大芯片U3800和振动芯片U3700的工作条件。铃声放大芯片
PP_ARC_SU脚的连接如图所示,升压电感L3800的相关电路如图所示。


铃声放大芯片的测量位置如图所示。
拆下U3800测量焊盘时发现PP_ARC_SW脚的二极体值为无穷大,正常主板该二极体值为0.300左右,为无穷大说明PP_ARC_SW脚到电感L3800的线路不通。


继续往电感L3800这端查,拆下CPU屏蔽罩,发现此电感已经脱落掉脚,如图所示。
由于用户手机被摔过,所以电感很容易掉脚脱落,换个新的电感即可,如图所示。


更换电感再装回铃声放大芯片U3800,如图所示。
最后,开机进系统测试,一切正常,如图所示。维修到此结束。