对于背景灯驱动电路,我们在前面的文章中做了简单介绍,并阐述了维修思路。今天借着这个阴阳屏故障,一起回忆一下。帮助大家理清思路。
阴阳屏的原理就是,两组背光灯,一组不亮。判断出哪组不亮,找到故障点,修复即可。对于电路的故障查找分析,一般我们都用电阻法和电压法。电压法来测量升压是否正常,电阻法测量对地阻值,判断通路有无断路现象。
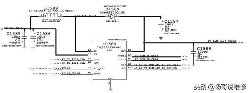
先上图。



苹果6P采用了2个升压芯片驱动背景灯。工作原理是升压芯片产生升压:U1502的D1脚产生PP LCM BL ANODE CONN 送到J2019的6脚,再送到第一组背景灯的正极,通过背景灯分两路,从J2019的10脚8脚送回U1502的D3和D2脚形成回路。U1580产生PP LCM BL34 ANODE CONN送到J2019的4脚,再送到一组背景灯的正极,通过背景灯分两路,从J2019的2脚2脚送回U1580的D3和D2脚形成回路。
介绍了原理,维修起来,分段进行。不再重复论述。本着先易后难的原则,可以先进行J2019的1# 2# 4# 6# 8# 10# 脚对地阻值的测量,简单判断故障点。通过测量发现4脚无线大。说明,升压供电通路断线。


4脚为PP LCM BL34 ANODE CONN 升压,通过线路图可以看出,通路上有电感FL2044。测量两端对地阻值,一段正常,另一端无限大。此电感长期发热烧坏,拆下更换,故障排除。

如果阻值都正常,就要去测量电压了。哪路升压不正常,就去分析哪路芯片的工作条件。逐个测量找出故障点,修复即可。

与你一起终身学习,这里是杨哥说维修。每天进步一点点,收获超乎你想象。欢迎关注我们,一起分享交流。