第一章 冷却系统的介绍
第一节 冷却系统的作用与分类
对于一台发动机,其工作效率受到很多因素的影响。而作为四大系统之一的冷却系,对于提高发动机效率起着至关重要要的作用。发动机只有在一定的温度下才能保证最大的工作效率,正如人体汗腺一样,它能够通过毛孔的张缩,来调节人体体温,使人体不至过热和过冷。冷却系统的重要性就在于维护发动机常温下工作,进而提高发动机的工作效率。保持发动机在最适宜的温度范围内工作。发动机工作时,由于燃料的燃烧,使发动机零部件温度升高,特别是直接与高温气体接触的零件,若不及时冷却,则难以保证发动机正常工作。冷却系统的功用是带走发动机因燃烧所产生的热量,使发动机维持在正常的运转温度范围内。保证其工作可靠、耐久并具有良好的动力性和经济性。发动机依照冷却的方式可分为风冷式发动机及水冷式发动机(图1-1),风冷式发动机是靠发动机带动风扇及车辆行驶时的气流来冷却发动机,水冷式发动机则是靠冷却水在发动机中循环来冷却发动机。不论采何种方式冷却,正常的冷却系统必须确保发动机在各样行驶环境都不致过热。由于水冷系冷却均匀,效果好,而且发动机运转噪音小,目前汽车发动机上广泛采用的是水冷系。下面主要以水冷系进行介绍:

图1-1所示为水冷结构
第二节 冷却系统的组成
水冷却系统一般由散热器、节温器、水泵、水道、风扇等组成(图1-2)。散热器负责循环水的冷却,它的水管和散热片多用铝材制成,铝制水管做成扁平形状,散热片带波纹状,注重散热性能,安装方向垂直于空气流动的方向,尽量做到风阻要小,冷却效率要高。散热器又分为横流式和垂直流动两种,空调冷凝器通常与其装在一起。

图1-2所示为水冷系统组成(1-散热器盖;2-节温器;3-水温表;4-水套;5-分水管 6-水泵;7-放水开关;8-百叶窗;9-散热器)
一、散热器
增大散热面积,加速水的冷却。冷却水经过散热器后,其温度可降低10~15℃。为了将散热器传出的热量尽快带走,在散热器后面装有风扇与散热器配合工作。
二、节温器
根据发动机负荷大小和水温的高低自动改变水的循环流动路线,从而控制通过散热器冷却水的流量。
三、水泵
是对冷却水加压,使冷却水循环流动,车用发动机多采用离心式水泵。
四、风扇
风扇通常安排在散热器后面并与水泵同轴。用来提高流经散热器的空气流速和风量,增强散热器的散热能力,同时对发动机其他附件也有一定的冷却作用。
五、冷却强度调节装置
发动机由于使用条件(负荷、转速和环境温度)经常改变,冷却强度也必须不断地改变。否则,会出现发动机过热或过冷现象而影响正常使用。冷却强度通过两种方式调节:一是改变通过散热器的空气量;(靠百叶窗和风扇离合器来完成)另一种是改变通过散热器的冷却液量。(靠节温器来实现的)
第二章 冷却系统的构造与工作原理
第一节 冷却系统的构造与维护
汽车发动机的冷却系统是保持发动机正常工作的重要部件,如果发动机冷却系统的维修率很高,就会引起发动机其他部件的损坏,使发动机的整体工作能力受到影响,因此,汽车发动机冷却系统的维护与保养就显得尤为重要,那么,怎样才能使汽车发动机的冷却系统保持良好的状态呢,驰耐普的汽车美容养护专家告诉我们,正确堆护发动机的冷却系统,首先应了解常用的水冷式发动机的主要部件。
一、冷却液
冷却液指清洁的软水,不是什么水都可以当作冷却液的,越娇贵的车对水质的要求越高。含有盐类矿物质的硬水,比如,清澈的泉水,虽然清澈,看起来也干净,但泉水中含有大量的矿物质,必须进行软化后才能使用,如果加入发动机的冷却系统中,就会产生大量的水垢,影响冷却系统正常作用的发挥,造成发动机过热。可见,冷却液水质的好坏是相当重要的,国际上普遍使用的乙二醇型冷却液是在软化水中按比例添加防冻剂乙二醇,配以适量的金属缓蚀剂、阻垢剂等添加剂进行科学调和,达到冬季防冻、夏季防沸、且能防腐蚀、防水垢等作用,防冻,用乙二醇配制的冷却液最低可在-70℃环境下使用。市场上销售的冷却液,乙二醇浓度一般保持在33-50之间,也就是冰点在-20℃-45℃之间。市场上销售的防冻液,分为成品液和浓缩液,并加前有着色剂予以识别。成品液可直接使用,浓缩液则在加注前,根据当地最低气温,加蒸馏水调配。
1.防沸。加到水中的乙二醇会改变冷却液的沸点。乙二醇浓度越高,冷却液的沸点也就越高,-20℃时冷却液的沸点为104.5℃,而-50℃时沸点达到108.5℃。如果冷却系统采用压力盖,冷却液的实际沸点会更高,即使在炎热的夏天,也能有效的防止冷却液“开锅”。
2.防腐。冷却液最主要的功能是防腐蚀,腐蚀是一种化学、电化学和浸蚀作用,逐步破坏冷却系统内的金属表面,严重时可使冷却系统的壁穿孔,引起冷却液漏失,导致发动机损坏吗。使用去离子水及适当的添加剂能防止各种腐蚀的出现。
3.防锈。锈蚀是由于冷却系统内的氧化作用造成的。热量和湿气使锈蚀的过程加速。锈蚀留下的残余物会阻塞冷却系统,加速磨损和降低热传导的效率。冷却液中的添加剂有助于防止冷却系统通道内锈蚀的出现。
4.防垢。水源中所含的各种杂质,其中包括金属离子、无机盐等,决定了结垢和沉淀的形成,会大大地降低冷却系统的导热效率,在许多情况下会对发动机造成严重损害,冷却液所使用的去离子水,可以避免结垢和沉淀的形成,从而保护发动机。
二、气缸水套
它相当于发动机燃烧室周围的水道,当发动机产生大量的热时,汽缸水套将发挥降温的作用在发动机中,水和油的管道泾渭分明、互不干涉,如果发现冷却液中有油,就说明水路和油路发生了穿孔现象,一旦出现这种情况,水温表的水温会急剧上升,这时一定要及时采取措施。
三、散热水箱和冷却风扇
散热水箱从外观看状似蜂窝,做成这种形状是为了增加水箱的散热面积,以增强散热效果,冷却风扇有在正面安装的,也有在侧面安装的,汽车在高速行驶过程中,冷却风扇将外面的空气吸引进来,利用自然风,起到冷却的作用。冷却系和空调冷凝器共同的风扇是直流永磁电动机风扇,用装在散热器上的温度控制开关来控制,当散热器中冷却液温度下降至93℃-98℃时风扇停转。由于电动风扇的电源不受点火开关的控制,因此发动机熄火后,散热器中液温若高于88℃-93℃,电动风扇运转是不正常的。如果低于88℃时风扇仍转,则是不正常的,而温度高于98℃时,仍不转也是不正常的。当温度高于105℃时,温控开关高温部分接通,电源接通电动机便高速运转,当温度达到120℃时,冷却水温过高,报警指示灯闪亮,为风扇有故障或冷却液不足。如电动机风扇不转,先检查和更换熔断丝,或检修温控开关,必要时再查看电风扇有无损坏。
四、冷却水泵和节温器
冷却液在冷却系统中的流动,主要依靠冷却水泵的动力,节温器能感知发动机的工作温度,低温时,它封住水套中的水,令其在水套内流动,当达到一定温度时再打开,让水经过散热水箱,发挥散热作用。这里值得说明的是,切勿将节温器摘掉,否则会导致发动机过冷而难以启动。正确维护发动机的冷却系统应了解经常出现的几种冷却系统故障:
1.由于冷却液水质不好。水箱中经常会出现锈污和水垢,它们积聚在水箱通道结合处、弯角处,阻碍水流畅通,造成散热不良,如果出现这种情况,应及时清洗干净,日常加水时,尽量加清洁软水,如果用除垢防锈液,养护效果会更好,这里给您推荐驰耐普的S-510冷却系快速除垢剂,它可以迅速溶解冷却系统中形成的水垢、油泥和锈皮,恢复冷却系统的功能,使冷却液循环顺畅,防止过热、开锅而引发的发动机损坏及动力不足,另外,驰耐普的S-520冷却系防锈润滑剂也是一款不错的产品,它能防止冷却系统锈蚀和腐蚀,有效抑制水垢生成,润滑水泵、节温器,消除水泵异响,保护铜、铝、锡和其它金属部件,延长水箱寿命,防止水箱开锅,使发动机在正常温度下工作。维护时清除冷却系水垢措施:可采用2%苛性钠水溶液加入冷却系统,使汽车行驶一天后全部放出,再用清水冲洗,然后再加入同样苛性钠溶液,使用一天后放净,最后用清水冲净即可。也可在冷却系统中加满清水后,从膨胀箱的加水口加入1kg苏打,让汽车行驶一天放净后,使发动机低速运行,并不断从加水口加入清水,即可彻底清除水垢。
2.漏水。只要是流体,都有泄漏的可能,汽缸水套中的水一旦发生泄漏,水温表的水温就会急剧上升,出现这种情况,您一定要及时采取必要的措施,以免发生不必要的麻烦,这里给您介绍驰耐普的S-530冷却系止漏剂,它对于冷却系统的修复和保护作用等同于“99超强修复剂”和“S-201”,对于发动机的修复和保护,对于阻止水箱、散热器、水泵、节温器等部件的渗漏是独到的,它可与任何冷却液相融使用,并可减缓冷却系统杂质的产生。总的来讲,冷却系统还有很多故障,不能一一列举。一般情况下,各位车主应遵循这样一个原则,车辆每行驶1000千米,就应查看一下发动机的工作情况。另外,汽车刚停车时,不可立即打开水箱盖,以免出现烫伤的情况。
一、冷却系统的工作原理
冷却系的功用就是使发动机在任何工况下都得到适度的冷却,从而保持在适宜的温度(冷却液温度)下工作。
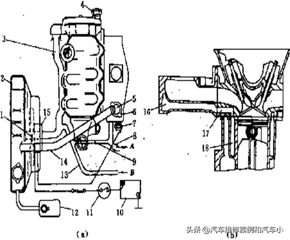
夏利TJ376Q型发动机采用闭式强制循环水冷却系,其组成如图(2-1)所示

图2-1 所示发动机的冷却系(l-风扇;2-散热器;3-散热器出水管;4-水泵;5-节温器;6-进气管;7-风扇电机控制开关;8-空阀散热器进水管;9-旁通软管;10-蓄电池;11-点火开关;12-膨胀水箱;13-空调散热器出水管;14-散热器进水管;l5—风扇电机;I6-进气管底部水套;17-气缸盖水套;l8-气缸体水套;A-到空调散热器去;B-由空调散热器来)
当发动机工作时,在水泵4的作用下,进入水泵4中的冷却液被压入缸体水套l8中,并进入缸盖水套l7中,然后经缸盖侧向水道进入进气管底部的水套16中,对进气管6进行加热,以促进其中的混合气中的汽油蒸发、混合。在进气管6的后端装有节温器5,在冷却液温度低于82℃时,节温器阀门关闭,冷却液仅经空调散热器进水管8、空调散热器、空调散热器出水管l3流入散热器出水管3。如果空调暖风开关处于关闭,冷却液则不流经空调散热器,而直接由空调散热器进水管8经旁通管9流进散热器出水管3,最后进入水泵4,即进行小循环;在冷却液温度高于82℃时,节温器阀门打开,冷却液除进行上述小循环外,还经散热器进水管8流入散热器2中冷却降温,再沿散热器出水管3流入水泵4,即进行大循环。冷却液如此不断地循环流动,就使得发动机能在适宜的温度下进行工作。
二、冷却系统故障分析
(一)发动机过热
导致发动机过热主要有如下几点原因:
1.散热器密封件老化、腐蚀、撞击导致泄露,冷却液减少,水温高,导致发动机过热。
2.冷却系统有污物致使散热器堵塞,冷却液减少,水温高,导致发动机过热。
3. 水箱盖内部限压弹簧弹力衰减,副水箱内水满溢出、水温高。
4.副水箱箱体因老化或外力而开裂泄露致使散热器内冷却液减少,发动机过热。
5.风扇不转,风扇驱动电机故障、控制电路断路导致发动机过热。
6.风扇驱动电机故障、控制电路产生附加电阻,导致风扇转速慢,导致发动机过热故障现象。
7. 风扇控制电路故障导致风扇运转时机不准,导致发动机过热或发动机升温慢。
8.由于材料、腐蚀、修理时不规范操作致使冷却水套泄露,导致,发动机过热、冷却水进入润滑系统。
9.水泵密封件老化、壳体受腐蚀致使冷却液泄露,导致冷却液减少、发动机过热 。
10.水泵叶片被腐蚀、结构性堵塞致使泵水能力下降,导致发动机过热 11水管由于外力损坏、老化或腐蚀泄露,导致冷却液减少、发动机过热。
(二)发动机升温缓慢或工作温度过低
这类故障在机械方面主要表现为节温器粘结卡滞在开启位置,不能闭合,使冷却液始终进行大循环。在电气方面发动机冷却液温度传感器工作不良,信号不准确,造成无快怠速、散热风扇工作时间长等。
第三节 冷却系统的维护与保养
人们对发动机的养护,犹未重视的是润滑系统,很少重视冷却系统。殊不知汽车发动机最常见的故障,如活塞拉缸,爆震,严重的噪声,加速动力下降等,这些都是由于发动机的工作温度异常,压力过大,冷却系统状况不良而造成的,所以冷却系统的日常维护保养尤为重要。水箱检查水箱:只需看一下副水箱的水量是否在上下限间即可。主水箱盖子内有一个橡胶垫圈,具有防止高压水气泄漏的功能,如发现垫圈失去弹性并已硬化,请立即更换。清洗水箱及冷却管路。汽车发动机冷却水最好使用清洁的软水。 防冻液的使用:防冻液的主要成分为乙二醇,呈碱性,PH值多在7.5-11之间,冰点应低于-25℃,沸点应高于106℃,有效期一般为1-2年。汽车每行驶两年应更换发动机冷却液。使用防冻液应注意以下问题:
1.不同品牌的防冻液所使用的金属缓蚀剂也不相同,因此不同品牌的防冻液不能混用
2.使用了防冻液的车辆,切勿直接补充自来水,应该加入蒸馏水或去离子水,若实在没有条件,加冷开水也比加自来水好。如果防冻液因泄漏损失,应补充同品牌的防冻液。防冻液应四季使用,夏天使用自来水的方法是不科学的,也是得不偿失的。
3.有的防冻液存放一年后,会出现少量絮状沉淀,这种现象多半是添加剂析出造成的,不必扔掉。如果出现大量的颗粒沉淀,表明该防冻液已经变质,不能再使用了。
选择防冻液的另一个关键是确保安全性。高级防冻液兼具防水垢形成的原因 汽车发动机冷却系统中的水垢与日常生活中所用的电器完全不同,除了具有钙镁离子形成的水垢之外,还有硅胶垢,腐蚀产物形成的金属垢等,形成原因多种多样。具体情况如下:
1.钙、镁离子水垢的形成主要来源与硬水的添加。在使用过程中,冷却液会有一定的损失,需要及时向冷却系统补充冷却液。有些客户不是补加冷却液或蒸馏水,而是直接加入硬水,结果硬水中的钙、镁离子很容易与普通冷却液中的无机盐成分形成水垢。当这些水垢形成于缸体衬里及缸盖水道时,会出现局部高温区,恶化润滑条件,加速发动机系统的磨损,严重时还会造成缸盖开裂。
2.硅胶垢主要来源于无机型冷却掖中的硅酸盐。作为铝合金的特效腐蚀*制剂抑**硅酸盐被广泛应用于普通无机型冷却掖中,但添加硬水时硅胶很容易析出,形成硅胶垢,堵塞散热管且极难清除。结果大大降低传热效率,使发动机过热。
3.腐蚀产物还会形成金属垢。金属垢以铁和焊锡垢为主,前者是有普通无机型冷却掖中的无机盐与缸体上的铁金属反应生成的保护膜因消耗而脱落形成;后者是由于具有强氧化性的无机盐副食*制剂抑**加剧锡“开花”腐蚀而形成的蓬松沉淀物,由于该金属垢形成于冷却系统焊缝位置,容易造成水道堵塞及焊缝过热,因强度下降而引起泄露。可想而知,发动机冷却系统在使用过程中,由于水温的升高,水中的碳氢根与钙、镁离子相结合,而一些钙镁盐类受热分解,从溶于水的物质转变成难溶于水的物质,附着于金属表面上结为水垢;由于水分的不断蒸发和浓缩,水中的溶解盐类含量不断增加,超过了其溶解度达到饱和时,也会结水垢;另外,水循环系统中的硅胶和水在运行过程中一起受热,当水温超过60℃时候也会形成水垢。
4.冷却系统水垢的危害。水垢的导热系数很低,是铸铁的1/25,黄铜的1/50。如果我们检查拆下的发动机旧缸盖,就可以发现水套内壁有厚厚的一层水垢。这些水垢形成于缸体衬里及缸盖水道,极难清除。分析认为,结垢不但降低了热传导效率,使局部区域因散热性变差而温度上升,导致与邻近区域产生温差或温差加大。热应力因温差的加大而增大,会在应力集中的薄弱部位产生裂纹,而发动机缸盖的排气门就属于这样的部位。它温度高、散热条件差、结构单薄,水垢的隔热作用使散热条件进一步恶化,因而在应力集中的作用下会产生缸体裂纹。另外,结垢不仅使冷却系统散热性能变差,还会出现局部高温区,恶化润滑条件,使发动机温度升高,加速发动机系统的磨损。严重的还会堵塞散热管、堵塞冷却系统管路等,结果大大降低传热效率,使发动机过热,造成更大的事故,严重危害驾驶人员的行驶安全。据国内有关资料报导,在正常使用的汽车发动机的维修中,有6%是水循环系统水垢造成的发动机冷却系统出现故障,而故障的主要原因是水垢导致金属部件被腐蚀,由此可见水垢对汽车的危害有多大。人们更没有想到汽车水箱中的水垢给我们带来多么大的隐患,一旦水垢沉积过多,散热不畅会导致发动机抱死,后果不堪设想。
5.清理水垢的方法。人工清理法:这种方法需要把汽车水箱拆卸下来,进行人工锤、刮、铲等清除水垢,最后冲洗排尽。此方法除垢效率低、且劳动强度大,不易清除干净,还容易造成二次损害。水垢清洗剂:一般的清洗剂,无法彻底清除水道内的水垢和酸性物质,有时也能泡下来大片脱落的水垢,但这样会堵塞水道,有时要拆下水箱进行清洗;此种方法不能彻底清除顽固的水垢,也需要把汽车水箱拆卸下来,加入水垢清洗剂进行人工清除。此除垢方法能清除得很干净,但是效率低、劳动强度大。在日常维护过程中,注意对冷却系统的维护与保养,可使发动机在适宜的温度下工作,从而提高发动机使用寿命。
第三章 冷却系统的特点与检修
第一节 冷却系统的特点
传统冷却系统的作用是可靠地保护发动机,而还应具有改善燃料经济性和降低排放的作用。为此,现代冷却系统要综合考虑下面的因素:发动机内部的摩擦损失;冷却系统水泵的功率;燃烧边界条件,如燃烧室温度、充量密度、充量温度。
先进的冷却系统采用系统化、模块化设计方法,统筹考虑每项影响因素,使冷却系统既保证发动机正常工作,又提高发动机效率和减少排放。
一、温度设定点
发动机工作温度的极限值取决于排气门周围区域最高温度。最理想的情况是按金属温度而不是冷却液温度控制冷却系统,这样才能更好地保护发动机。由于冷却系统设定的冷却温度是以满负荷时最大散热率为基础,因此,发动机和冷却系统在部分负荷时处于不太理想状态,如市区行驶和低速行驶时,会产生高油耗和排放。
通过改变冷却液温度设定点可改善发动机和冷却系统在部分负荷时的性能。根据排气门周围区域温度极限值,可升高或降低冷却液或金属温度设定点。升高或降低温度点都各有特点,这取决于希望达到的目的。
二、提高温度设定点
提高工作温度设定点是一种比较受欢迎的方法。提高温度有许多优点,它直接影响发动机损耗和冷却系统的效果以及发动机排放物的形成。提高工作温度将提高发动机机油温度,降低发动机摩擦磨损,降低发动机燃油消耗。
研究表明,发动机工作温度对摩擦损失有很大影响。将冷却液排出温度提高到150℃,使气缸温度升高到195℃,油耗则下降4%-6%。将冷却液温度保持在90-115℃范围内,使发动机机油的最高温度为140℃,则油耗在部分负荷时下降10%。
提高工作温度也明显影响冷却系统的效能。提高冷却液或金属温度会改善发动机和散热气热传递传递的效果,降低冷却液的流速,减小水泵的额定功率,从而降低发动机的功率消耗。此外,可采用不同的方式,进一步减小冷却液的流速。
三、降低温度设定点
降低冷却系统的工作温度可提高发动机充气效率,降低进气温度。这对燃烧过程、燃油效率及排放有利。降低温度设定点可以节省发动机运行成本,提高部件使用寿命。
研究表明,若气缸盖温度降低到50℃,点火提前角可提前3℃A而不发生爆震,充气效率提高2%,发动机工作特性改善,有助于优化压缩比和参数选择,取得更好的燃油效率和排放性能。
第二节 冷却系统的检修
一、风扇皮带紧度的检查与调整
汽车在使用中,当出现电流表不显示充电、发动机温度过高等现象时,首先检查皮带紧度。
检查方法:用大拇指按压风扇皮带中部(约98N),皮带下凹7到18mm(小车)或15到20mm(大车)。如果不符合要求,应松开调整螺母,改变发动机的位置加以调整,若风扇皮带紧度过大,将增加动力损失,增加发电机和水泵轴承的负荷,使轴承磨损加剧,同时也可以导致皮带的早期损坏,如皮带紧度过小,则易使皮带打滑,造成发动机过热,同时影响电机发电。
二、水垢的清洗
为了保证发动机在正常温度条件下工作,应定期地清除冷却系统中的水垢,否则,发动机会出现“开锅”的现象。维护修理过程中进行水套水垢的清洗时,应拆去节温器,将水从正常水循环相反方向压入,即从出水管压入到流的水清洁为止。当水垢严重的积聚沉淀硫酸钙等物质时,可加入水垢清洗液使其溶解,而后用清水洗净。
三、冷却水温过高
(一)故障现象
冷却水的温度超过95℃以上,即为水温过高,其现象是:散热器加水口冒出大量水蒸气,水温表指针指示为95℃以上,并有行车无力的感觉。
(二)故障原因
1.冷却水不足。由于漏水或蒸发而使水面底而不足,引起发动机过热。
2.风扇皮带过紧。皮带长期使用,因腐蚀而变形,皮带轮磨损或水泵轴变形也会使皮带松动,都会引起风扇不转动或转速低,使散热器冷却不好,而引起冷却液过热。
3.水泵失去泵水作用。水泵轴磨损和弯曲,水泵轴承缺油,使轴承磨损和松旷,叶轮固定销或叶轮固定螺钉松脱,叶片破裂,叶轮与泵壳间的间歇过大,叶轮被污泥或其它杂物阻塞,水泵吸力降低,压力不足,影响水的循环效果,水泵管堵塞,水不能流通等会使水泵不泵水,引起发动机过热。
4.节温器损坏或失灵。节温器损坏,发动机长时间超负荷运转,温度过高,如膨胀筒破裂,阀门不能正常的开启与关闭,水沟过多,将主阀门卡住,阀门不起作用,冷却水只起小循环作用,不能进行大循环,故水温过高。
5.百叶窗没打开和水箱堵塞或受损。由于驾驶员忘记打开百叶窗,百叶窗操纵拉杆卡住打不开百叶窗,空气不能流通,散热器的热量散发不出去,使发动机过热。散热器积聚水垢、铁锈等杂质,造成管道和散热松脱,芯管堵塞,阻碍了水的循环流动,上下水室因受腐蚀而形成斑点、小孔或裂开而漏水,管芯部与上下焊接部位松脱,其它部位因受碰撞而损伤、漏水等,都会引起发动机过热。
6.汽缸水套内生锈或积垢过多。由于气缸在长期的使用中水套内沉积了沉渣、水垢或生锈,减少了水套的容积,使冷却水的流量减少,影响了冷却水的循环,由于水垢层导热性不良,底于铸铁约20~30倍,降低了冷却效果。
7.分水管腐蚀而不起分水作用。分水是插入水套内,由于生锈和水垢,会把分水管堵塞,从而使分水管起不到分水作用,是发动机冷热不均。
8.长时间的超负荷抵挡行驶。由于负荷大、时间长、扭矩大,使机件磨损大。润滑差,冷却水底,是发动机过热。
9.点火时间过迟。离心点火提前角装置的某处发卡或飞卡被卡,弹簧损坏,是发动机点火提前角不能随着发动机转速的升高而增加。
10.风扇离合器故障。风扇离合器发生了故障,使风扇的转速不能随着冷却水的温度提高而增高。
(三)故障诊断
1.当汽车在行驶中水温表的指针指到100℃时,也就是冷却水沸腾并从回水管溢出。汽车加速时,发动机有杂乱的金属敲击声,需要立即停车检查。检查百叶窗是否打开,有无漏水处,水量是否少,皮带是否松旷而打滑。如都正常据需要检查水泵的泵水情况。
2.如上述情况均无故障,就要用手摸发动机和散热器,如果发动机的温度很高,而散热器温度不高,可将出水管处的节温器取出,再试发动机,如果水温正常了,可断定节温器有故障。如果取出节温器,发动机过热,就要检查水箱管是否堵塞。
3.如果有用手摸发动机缸体各部分冷热不均,可能分水管堵塞,不起分水作用,或者汽缸水套内生锈,污垢过多。
4.漏水严重而缺水,或者是在冬季水箱冻阻,发动过热指针指向100℃,用水摸水箱冰手,说明水箱中的水结冰了。如果用手摸上室感到烫手,而下水室冰手,说明有冻阻之处。
(四)故障排除
1.散热器的主要故障是渗漏和淤塞。其渗漏可用密封试验器检查,也直观。密封试验器是有一个由0.098MPa分度的压力表、橡皮塞、和橡皮球组成。在橡皮球座上有两个阀,一个为进气阀,一个为出气阀,用手捏动橡皮球加压,如果压力表读数下降,说明散热器有漏水处,找到漏水处做上记号,以便维修。或用压缩空气法检查散热器。把散热器进、出水管口膨胀式橡皮塞密封后把散热器放在水池中,将橡皮塞上的软管通入压缩空气。散热器在水中冒气,形成水泡,则散热器受到严重腐蚀。
2.散热器故障排除。上下水室腐蚀不严重,有漏水质之处或外表裂缝,可用镀锡法修理,散热器芯底板和冷却管焊缝脱离而发生漏水,可用焊烙铁烙补法进行修补。该法就是把损坏或脱焊之处清除干净,用电或火烙直接焊接或焊补,但是焊处周围要加热。
3.清除水箱和水套的污垢,冷却系由于长期使用,水箱和水套的内表面集结了一层水垢,铁锈、和油垢等,影响了冷却水的流量,甚至堵塞,大大地影响了散热性能,这样必须对水箱和水套进行清洗。任何清洗方法都必须事先把节温器取出在进行清洗,清洗后再装上。
4.分水管更换。当分水管腐蚀或损坏,不起分水作用时,会使发动机冷却不均匀,需要更换,如果分水管没坏,而只是污垢太多,可清除管内的污垢,然后对进水管敲装进去。
四、水泵
(一)水泵故障与检查
如果水泵出了故障,水泵的泵水压力就减小,影响冷却水的循环流动,使散热不好。检查泵压力时,用手握住散热器与缸盖连接的出水橡胶管,使发动机由怠速逐渐加到高速,如手感到水的流量也在加大证明水泵没问题,如果手对水量没感觉,说有损坏明水泵有损坏之处,应拆卸水泵检修。拆开水泵,检查水泵体是否有裂纹,泵轴、轴承有无磨损,并对叶轮、键槽及密封垫进行检查。
(二)水泵故障排除
如果轴与轴承松旷量很大,有噪音,可更换新的。如果轴没有弯曲或磨损很小,只换轴承,否则全换。皮带轮的锥形套和半圆键若被磨损式出现旷动,也要更换。如果水泵因胶木水封磨损不均匀而引起漏水,可把他拆下来,放在玻璃上加研磨膏磨平或用纱布放平磨平,若磨损严重要更换。若泵体有裂纹,可将裂缝处削成一小条斜焊口,将泵体加热,就可用生铁焊条或不锈钢焊条焊好,焊后用加热的冷却粉盖起慢慢冷却。如果螺孔的螺纹脱扣,可加大孔径,以攻螺纹或焊补后再攻螺纹。
五、节温器
节温器的检查。把节温器从出水管卸下,放到一个装热水器内。把节温器悬在容器里,不要放到底,用温度及测量水的温度。让水温逐渐升高,挡水温提高到70℃左右时节温器阀门开始开启。水温到80℃时,节温器阀门应全开启。如果初开或全开水的温度都超过了上述温度,发动机过热。
六、风扇
拆下风扇后,先检查风扇叶表面是否有裂痕,再取一个样板检查一下风扇叶片的角度是否符合规格,风扇叶片的柳钉有无松动,叶片如有裂缝,应更换。
七、漏水
漏水部位有汽缸体、汽缸盖、汽缸垫、水泵、散热器、和冷却管等。汽缸体、汽缸盖和汽缸垫漏水的原因有,连接螺栓和气缸盖松动,气缸垫、汽缸盖和气缸体的结合面赃污、腐蚀或有毛刺,妨碍了结合处的压紧,结合面弯曲或变形,也会是气缸盖、气缸垫和汽缸体的结合面不能压紧,由于汽缸盖或气缸体过热或冷冻,产生裂纹而漏水。散热器和冷却管漏水的原因有,散热器安装不当,水泵壳体有裂纹或有砂眼或变形,水泵轴弯曲或轴套和轴承磨损松动。散热器和冷却管漏水的原因有,散热器安装不当而变形,风扇散热器近而碰杯散热器,散热器冻裂或腐蚀而漏水,散热器芯堵塞不能上下循环,使水积聚在上室里,导致冷却水流出溢水管,连接软管长期使用因腐蚀而穿透或裂开,软管安装位置不当而漏水。