故障现象:客户陈述洗完车后车辆无法起动。维修人员进行了初步检查,具体情况有:
1、蓄电池电压正常。
2、组合仪表显示正常。(故障灯、防启动指示灯正常)
3、起动机运转正常。
4、连接检测仪后检查无故障码。
5、燃油泵无泵油声音(打开点火开关,燃油泵应有2秒钟的运转声音),无声音一异常。
原因分析:打开点火开关,燃油泵应有运转2秒钟,但事实却听不到燃油泵工作的声音,初步怀疑燃油泵不工作,可能是电路问题,也可能是燃油泵损坏。
诊断过程:
1、根据燃油泵处的异常现象,首先拆下后排坐垫,断开燃油箱单元4针插接器,打开点火开关,测量1号端子与车身搭铁间的电压(图1),应有2秒钟的电瓶电压。

此车测量值为0,所以判断为燃油泵电路故障。
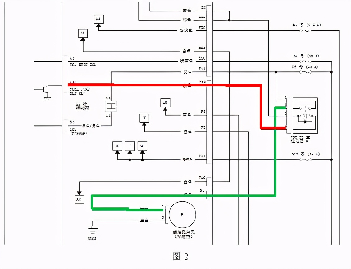
2、查阅燃油泵电路图,如图2所示。

3、拔下主继电器2,测试主继电器2一一正常。(图3、图4)

4、打开点火开关,测量保险盒上与主继电器2上2号、3号端子与车身搭铁之间的电压(图5)。

电压为电瓶电压一一正常。
5、测量保险盒上与主继电器2相对应的1号端子与燃油箱单元4针插接器1号端子间的导通性(图2中绿色线路)。导通一一正常。
6.使用HDS跨接SCS线路。断开PCM插接器A(图6)。测量保险盒上与主继电器2相对应的4号端子与PCM插接器A端子A41之间的导通性(图2中红色线路)。

不导通一一异常。检查该段线束。
故障排除:更换相关线束(图7)。
