同行送来一台苹果笔记本,型号是A1369,键盘鼠标失灵, 是二手回收过来的。
客户就是因为这个原因卖掉的。

同行说在win7非正常启动时有时键盘还能用

这种情况下,按上下键都是正常的,开单让同行留修。拆开看看吧,三下五除二就拆好了,发现主板有人动过,
并且触摸板上的螺丝都拧花了,看来又是二修机,既然进系统键盘鼠标不能用就先查查触摸板和键盘相关吧。

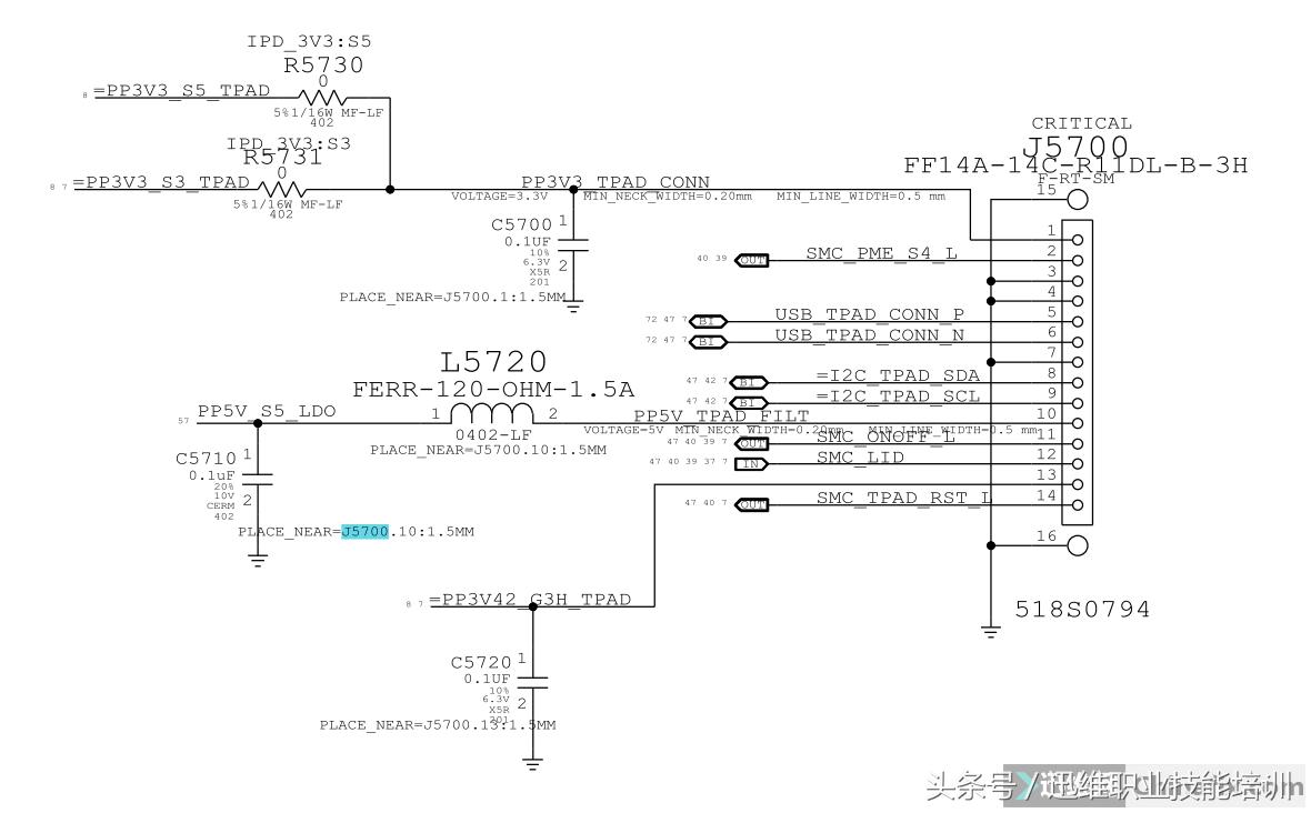
测量J5700的5脚为USB_TPAD_P:3.3V,而触摸板这边接口的5脚没有。一边有3.3V,一边没有说明断线了,直接测量两头也确实断线了,先飞根线,信心满满的进系统,故障依旧。
难道还是触摸板问题?找了台A1369机器拆了个触摸板上去测试还是一样故障。
干脆把触摸板排线也换了,还是一样,按ALT键不能调出启动菜单,但在windows选择故障启动时上下键又是好用的,会不会是BIOS问题?下了个修改版的BIOS,故障依旧。
看来这个骨头不好啃呀,仔细的又打了一遍阻值,发现J5700上5脚USB_TPAD_P和6脚USB_TPAD_N阻值相差4-5欧左右,正常的话算上表笔误差也就1欧左右,查图纸


发现这两个信号经过L5710到南桥去了,测量5脚的电感两头有4欧左右的阻值,看来这个电感有问题了,测试一下直接飞线把1-2脚,3-4脚连线。

再次开机,进入系统键盘和鼠标都复活了!
此案例由迅维网会员(鑫茂电脑)提供。