白炽灯电路维修经验交流
1.灯泡突然发白烧坏
一般由于灯泡钨丝搭连,造成钨丝局部短路而烧坏;但也有可能是电源电压突然升高(如三相四线制电路的零线断线)引起;如果是新接电路,还应检查电路电源是否接错,如将~220V供电电路接成~380V;如果是新换灯泡立即烧坏,可能是将~110V或~36V的灯泡接在220V的电路上,所以更换灯泡时应检查电路的灯泡玻璃顶部的标志,不要盲目更换。
2.某住户所有电灯都不亮
1)如果某住户内所有电灯都不亮,插座也无电,应首先观察该住户邻居的电灯是否正常,如果周围邻居的电灯也都不亮,说明故障在室外公共电路,应了解公共电路的走线情况,检修公共电路。
2)如果周围邻居的电灯都正常,说明是该住户的电路故障,应先了解该住户的走线情况,然后依次检查该住户的总熔断器是否熔断,总开关处是否有电、总干线是否断路或接触不良等。检查时,可用万用表测量该住户总开关、总熔断器进出线间的电压来判断,若该住户总开关进线有电,而出现无电,则表明该住户总开关动、静触头接触不良;若该住户总熔断器的进线端有电,而出线端无电,则表明有一只或两只熔断器的熔体熔断;若总开关和总熔断器均正常,说明户内照明总干线断路,对明线敷设的住户,可检查干线接线盒内的接头;对暗线敷设的住户,穿管线不许有接头,管内线一般不会断,应重点检查开关接线柱是否接触不良,分线孔处是否被老鼠咬断等。
3.某住户的部分电灯不亮
上述故障说明该住户电路发生断路故障,如果断路发生在某支路,则支路内的电灯都不亮;如果断路故障发生在配电箱附近,则只有个别支路的电灯亮,大部分电灯都不亮。所以应观察该住户的走线情况,发现灯不亮的规律,找出部分电灯的公共电路部分,检查相应分线盒内的接线是否松脱,接触是否良好。如图1中的EL2~EL4不亮,应检查EL1~EL2所在的公共线路段。即检查A~B、C~D两段电路。

图1 部分电灯不亮
4.某一只电灯不亮
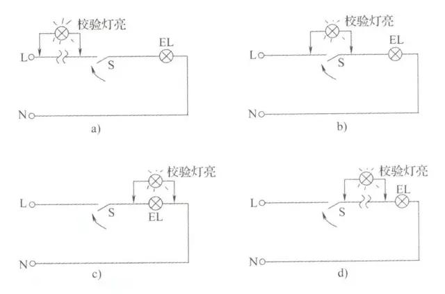
应检查该电灯所在支路的开关、接线头、灯头、灯泡灯丝是否烧断。如图2所示的电路中,灯泡EL1不亮,可用校验灯依次并接在开关连接导线上,如果并接在某处时,校验灯亮,则表明所并的电路段存在开路故障。
上述故障也可用试电笔检查,用试电笔检查某一电灯不亮的方法参照图3。

图2 校验灯检查某一电灯不亮
a)开关之前断路 b)开关接触不良
c)灯泡烧坏或灯座接触不良 d)开关到灯泡之间的电路段断路

图3 用试电笔检查照明灯不亮
a)正常情况 b)开关之前的电路断路 c)开关接触不良
d)开关到灯泡之间的电路段断路 e)中心线断路或接触不良
5.预防白炽灯灯座、灯泡头生锈的方法
在有腐蚀性气体或潮湿的场所,灯座、灯泡头使用一段时间后有锈蚀,导致接触不良,还可能将灯座与灯泡锈蚀在一起。这样不但浪费灯头,又给更换灯泡带来了不便,影响正常的工作和生活。
为防止灯头、灯泡头生锈,除采用防腐防潮的封闭式灯具外,安装或更换灯泡时,在灯头或灯座上涂一薄层中性凡士林即可解决。
荧光灯电路检修经验交流
1.荧光灯电路的常见故障及处理方法
荧光灯电路的常见故障及处理方法见表1
表1 荧光灯电路的常见故障及处理方法
2.四线头镇流器主副线圈的判别
(1)判断是不是同一线圈 用万用表测量,电阻为“∞”的不是同一线圈。
(2)判断主、副线圈 用万用表R×1档,测量镇流器主、副线圈的直流电阻,直流电阻较大的一组为主线圈,直流电阻较小的一组为副线圈。
3.荧光灯灯管好坏的判别
(1)新灯管的检查 直接用万用表电阻档测量灯管两侧的直流电阻,电阻不是“∞”的都可认为是好的。
(2)旧灯管的检查
如图4所示,将荧光灯一侧的两管脚与合适的灯泡(一般15W以下的灯管串联25W灯泡;15~40W的灯管串联60W灯泡;100W的灯管串联200W灯泡)串联,接通电源,可从灯管亮与不良以及灯管发光的程度来判断灯管能否使用。

图4 灯泡法检查灯管的好坏
其他实用经验交流
1.单相负载电流的估算
计算负载电流时应考虑功率因数,即:

对于单相电动机按8A/kW估算,白炽灯或电热负载可按4.5A/kW估算,荧光灯按9A/kW估算。对于一般居民,由于电热负载较多,如果知道负载的功率,将功率数(kW换算为W)除以200即为负载电流,即5A/kW。同一回路上各用电器的电流等于其总功率除以200。
2.室内穿墙线位置的确定
装修房屋时,如果不知道室内电线的走向,很容易打破线管和打断电线,怎样才能快速准确地确定电线的位置呢?
如图5所示,将数字万用表置于低压交流档,将黑色绝缘测试线绕在一只手上,另一支手拿红表笔作探头,贴着墙壁从开关或分线盒(外有塑料盖)向四周(一般只需按上下、左右方向)移动,凡是墙内有电线管的地方,数字电压表即有显示,显示数字越大,离电源线附近,当表笔偏离电源线时,万用表数值将明显减小,据此可判断墙内电线的走向、位置。

图5 用数字万用表判断墙内暗线的走向
3.交流电同相或异相的判断
(1)试电笔法 人站在对地绝缘的物体上,以防止相线通过人体、试电笔内阻、大地产生电流而使试电笔发光。两手各握一只试电笔,测试待测得两根导线,若这两根导线是同一相,则电位相等,两试电笔氖管都不亮,若这根导线为异相,两相(或相线与中性线)间存在电位差,两试电笔氖管都发光。
(2)万用表法 用万用表分别测量待测得两根导线,若这两根导线是同一相,则万用表无电压指示,否则,这两根导线不是同一相。
4.相线与中性线的判别方法
(1)试电笔法 用食指按住试电笔的笔尾端的金属帽,将试电笔的笔尖与相线接触时,两电极间的电子流流动方向随电压方向的变化而变化(变化很快,视觉感受不到),试电笔的氖泡全部(前、后端)发亮,且可从电笔的亮度判断电压的高低。若试电笔发光为暗红则为电压不足;若试电笔发光特亮,则说明电压过高;若试电笔不亮表示没电。测量中性线时试电笔不亮或微亮。
(2)万用表法 由于在三相四线制系统中,中性线通常是接地的,如果有良好的接地点,通过测量电源线对地电压来判别相线和中性线是非常方便的。先将万用表置于~250V档,然后用万用表的一只表笔接一个接地良好的接地端,如自来水管或潮湿地面等,再将万用表的另一只表笔接触电源(插座)线,电压指示高的为相线,电压指示较低或为零的为中性线,如图6a所示。
有时由于条件的限制,如接地线很远或接地不良,用万用表法判别相线和中性线显得不方便。这时可用一只手握住黑表笔笔尖,将红表笔接触插座的两个插孔,比较两次测量的数值,数值大的一次红表笔所接触的为相线,数值小的一次红表笔所接触的为中性线,如图6b所示。

图6 使用万用表判别相线、中性线
a)黑表笔经金属管接地 b)手握黑表笔笔尖
(3)注意事项
1)在用数字万用表判别相线与中性线时,若中性线接地不良或对地开路,中性线上也可感应出几十伏的电压,这时显示感应电压较大的为电源的相线。
2)测试时,握红表笔的手切不可接触红表笔笔尖。
5.电压不平衡故障的查找及处理方法
(1)电压不平衡的查找
1)对于三相三线的供电线路,将万用表置于~500V或~750V档,分别测量3个线电压Uab、Uac、Ubc,如果Ubc和Uac电压偏低,可以判定L3(C)相电压较低。
2)对于三相四线的供电电路,可以分别测量三相相电压Ua、Ub、Uc来判别,若Ub>Ua>Uc,则表明L3相电压最低。
(2)电压不平衡的原因及处理方法
1)三相负载不平衡,导致中性点位移。三相负载不平衡程度越严重,三相电压不平衡程度也越严重。一般可在用电高峰时测量三相电流,然后调整部分负载的接线相,使三相负载平衡。
2)中性线断线,导致中性点位移,造成负载大的一相电压最低,负载小的一相电压最高。应采用适当截面和机械强度的中性线。
3)相线接地(漏电)。发生单相不完全接地故障时,接地相对地电压降低,非接地的两相对地电压均有不同程度的升高。可按照照明电路漏电故障的查找来解决。
6.住宅照明电路的接地方式
住宅照明电路的供电系统均为380/220V中性点接地系统,有三相五线制和三相四线制,但都采用保护接零的接地方式,保护零线在三相五线制中是单独设置一根导线穿在管路中的,导线的始端不经任何开关直接接至变压器中性点。在三相四线制中,利用金属管路作保护零线,即将金属管路在电源进户处与零线可靠连接并重复接地,进入每户的单相电源采用“单相三线”配线方式,工作零线和保护零线进户后分别敷设,保护零线不经过熔断器和开关,与工作零线不再有任何电气连接。


更多精彩内容请关注微信公众号“机工教育”(微信号:cmpjiaoyu)