
1.仪表系统检修注意事项
① 拆装小技巧
- 拆装仪表系统时,应先拆下蓄电池负极电缆,以免手触摸仪表板后面时造成线路短路。
- 拆装饰面板时,由于固定螺钉一般是隐蔽的,因此要仔细查找固定螺钉,否则强行拆卸将会损坏装饰面板。
- 拆装仪表系统时,应注意仪表板后面的线束插接器及车速里程表软轴接头,一般都带有锁止机构,切忌强拆,安装时要确保到位。
- 从电路板上拆下仪表表芯、电源稳压器、照明及指示灯时,小心不要损坏印制电路。
② 单独更换表芯或仪表传感器时,注意仪表与传感器必须配套使用。
③ 拆装仪表及传感器时,注意动作要轻,不要敲打。
④ 电热式机油压力传感器安装时有方向要求。
⑤ 仪表与传感器的接线、传感器的搭铁必须可靠。
⑥ 电磁式仪表的接线柱有极性之分,不得接错。
2.燃油表、冷却液温度表、机油压力表常见故障诊断与排除
在所有汽车仪表电路中,大部分都配有电源稳压器,而且不论是电磁式仪表还是电热式仪表,又都配有传感器。
小技巧 ▼
在仪表故障中,若两个或两个以上仪表同时不工作时,应先检查仪表熔丝和电源稳压器是否有故障;若单个仪表不工作时,应首先确定故障是在传感器还是在仪表。
单个仪表不工作 ▼
首先检查传感器的接线是否完好,如正常,可将传感器的接线断开,用万用表检测传感器的接线是否有电。如没有电,应检查传感器到仪表及蓄电池的电路;如有电,以燃油表为例,检测方法如下图所示。

仪表的故障检查
1—燃油表;2—10Ω 电阻;3—燃油表;4—电源稳压器;5—点火开关;6—蓄电池
① 用10Ω 的电阻代替传感器,一端接到传感器的接线上,另一端直接搭铁。点火开关打到ON,观察仪表。如果指针摆动,说明传感器有故障(不要将传感器的接线直接搭铁,否则易烧坏仪表),需要更换传感器。
② 仪表准确的工作情况,可参照维修手册。如以奥迪车燃油表为例,用变阻器代替传感器,当阻值为40Ω时,指针指示为1 ;当阻值为78Ω时,指针指示为1/2 ;当阻值为283Ω时,指针指示为0。如果检测结果与上述相符,传感器有故障,应更换;否则,仪表有故障,应更换。
两个或两个以上仪表同时不工作 ▼
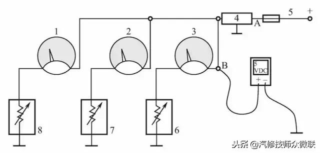
当两个或两个以上仪表同时不工作时,应检查仪表熔丝和电源稳压器,如下图所示。

电源稳压器的电路
1 ~ 3—仪表;4—电源稳压器;5—蓄电池+ ;6 ~ 8—传感器
若仪表熔丝正常,应检查电源稳压器。以奥迪车为例(下图)。测量输出端3与搭铁端2之间的电压,电压表读数应在9.75 ~ 10.25V,否则更换稳压器;测量输入端1与搭铁端2 之间的电压,电压表的读数应为电源电压,否则检修电路。

1 ~ 3—端子
3.车速里程表常见故障诊断与排除
车速表里程表一般有机械式的和电子式的。
小技巧 ▼
检测时可将车举起,启动发动机,将变速器挂上挡,使驱动轮运转,观察转速表的工作情况。检测时注意发动机的转速不要过高,以免有损差速器。
01 机械式车速里程表故障诊断与排除 ▼
机械式车速里程表常见故障有噪声、指针抖动或不工作。
① 噪声故障。一般是软轴(里程表线)缺油,需将软轴拆下,进行清洗,加润滑油。但最好是更换软轴。特殊情况,若表头中的表轴磨损,使铝杯与磁铁相碰,发出噪声,需更换表头。
② 车速里程表不工作、读数不准或抖动故障。首先检查软轴与其他线束是否有交错挤压的现象,如果有上述情况,先将软轴正确归位;检查变速器输出轴驱动小齿轮的磨损情况,软轴与驱动小齿轮的啮合间隙,如果不符,应更换;检查表头内蜗轮与蜗杆的间隙,过大可调整。
02 电子式车速里程表故障诊断与排除 ▼
电子式车速里程表的常见故障是不工作。原因是传感器坏或线束、仪表等有故障。以奥迪车为例,电子式车速里程表传感器位于变速器壳体左侧。
① 断开仪表系统线束连接器,连接器有26个端子,如下图所示。

仪表系统线束连接器
1~26—端子
② 将汽车举起,断开传感器的线束连接器,变速器置于空挡,用手转动左前轮。
③ 用万用表测量端子4 和10之间的电阻,电阻值应在0~∞之间变化。否则,检修线路或更换车速传感器。
4.发动机转速表常见故障诊断与排除
以桑塔纳轿车为例,发动机转速表的常见故障是线路或仪表本身有故障,检查方法如下:
① 检查点火线圈“-”接线柱是否接触良好。
② 检查转速表后面的黑色三孔插座是否接触良好。
③ 用万用表检查三孔插座的工作状况,如下图所示。若a插孔搭铁不良,检查仪表线束连接器白色14孔插座中的棕色导线是否接地;若b插孔在点火开关打到ON时无电压,应检查仪表线束连接器黑色14孔插座中的黑色导线是否有电源电压;若c插孔在点火开关打到ON时无电压,检查仪表线束连接器白色14孔插座中的红/黑导线是否与点火线圈“-”接线柱接触良好。

转速表的检测
1—点火开关;2—熔丝;3—点火线圈;4—发动机转速表
如果转速表后面的黑色三孔插座线束经检查全部正常,则故障在转速表本身,应更换转速表。