车型:奥迪A4L,配置2.0L发动机、自动变速器。
行驶里程:8947km。
故障现象:车辆等红灯时,仪表显示“自动起/停系统故障!功能不可用”。
故障诊断:车辆行驶一段时间后,踩下制动踏板,车辆不熄火,仪表有提示文字,如图1所示。

图1 仪表显示
这里我们先来介绍一下起/停系统,起/停系统英文翻译为Start-Stop系统;当车辆处于停止状态(非驻车状态)时,发动机将暂停工作(而非传统的怠速保持),暂停的同时,发动机内的润滑油会持续运转,使发动机内部保持润滑;当松开制动踏板后,发动机将再次启动,此时,因润滑油一直循环,即使频繁的停车和起步,也不会对发动机内部造成磨损。
新型汽车多使用发动机起/停技术启动,而车辆处于静止状态时,车内所需的电力将改由AGM电池供应,而耗电较大的空调系统也将转为送风机制,因此若静止时间过久,不免会影响制冷效果或造成车内闷热,手动将起/停系统关闭。
空气质量的恶化、不断上涨的燃油价格、更加严格的排放法规,都促使我们要不断地去探索新方法,以使汽车省油并降低废气排放。以此为契机,奥迪开发了起/停系统。当车辆停止在铁道路口或者交通红绿灯前时,起/停系统会自动将发动机临时关闭。再次起车行走时,就不需要再转动点火钥匙来启动发动机了。
连接故障诊断仪VAS6150B读取车辆信息娱乐系统故障码如表所示。

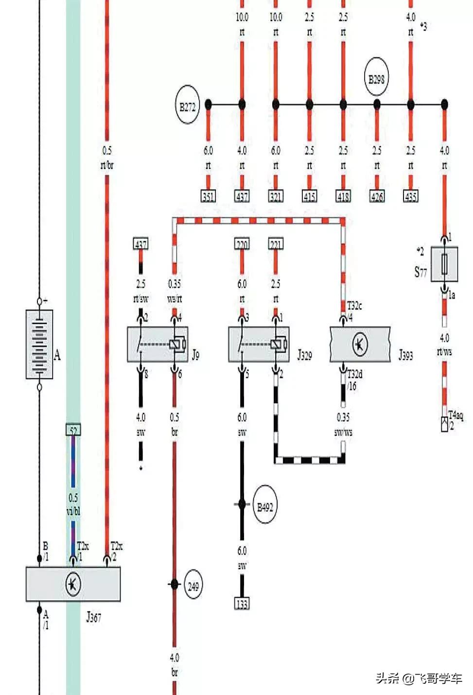
蓄电池控制单元和稳压器电路图如图2~图5所示。

图2 蓄电池控制单元和稳压器电路1

图3 蓄电池控制单元和稳压器电路2

图4 蓄电池控制单元和稳压器电路3

图5 蓄电池控制单元和稳压器电路4
根据电路图分析可能原因:
J367电源故障
J532电源故障
LIN线路存在故障
网关J533故障或者电源故障
其他
(1)J367共两根线,T2X/1为B698的LIN通信线,T2X/2为蓄电池电压,检查电源电压正常。
(2)J532的T12aa/1和T12aa/12均为SF3、SF4电源正极,T12aa/2和T12aa/8为接地,检查均正常。
(3)读取J532数据流,如图6所示。

图6 J532数据流
表示J532通信不正常,正常车辆数据流如图7所示。

图7 正常数据
(4)试着更换J532和J367及J533后故障依旧存在。
(5)以上检查说明控制单元和电源都正常,但是目前为止通信LIN线一直没有检查,测量网关J533的T20d/2到T17r/11显示通路,测量网关J533的T20d/2到J367的T2X/1显示断路,测量网关J533的T20d/2到稳压器J532的T12aa/11显示断路,测量网关J533的T20d/2到T17e/15显示通路,说明B698节点可能有故障。由于我们没有设计图纸,无法确认节点具体位置,打算飞线修复该故障,但是在飞线过程中发现有一处线路胶布外面透着铜锈,打开后发现是一处节点,如图8所示。

图8 节点位置
仔细检查断线节点,发现该节点就是B698。
故障排除:使用专用工具对相关线路进行修复处理后,故障排除。
故障总结:控制单元同时损坏可能性不是很大,一般都是由于通信故障引起,维修时要仔细检查线路,提高维修效率。