胶体结构和性质
01 胶体结构
胶体结构 从内往外依次为胶核、电位离子层、反离子层(束缚反离子层、自由反离子层)。
胶核: 由不溶于水的颗粒物构成,可吸附一定量带电荷的离子,吸附的离子数量和电性就决定胶体的电性。
电位离子层: 由胶核吸附的离子层。
反离子层: 为保持胶体粒子的电中性而吸附的和电位离子层电性相反,电量相等的离子层。
束缚反离子和自由反离子层共同构成反离子层。
02 胶体性质
布朗运动: 胶体具有布朗运动的特性,会做不规则热运动,因此胶体间难以凝聚。
水化作用: 胶体可发生水化作用形成水化壳,这也阻碍了胶粒的聚并。
表面带电: 胶体表面带相同电荷,之间的静电斥力阻止微粒间彼此接近。
混凝机理
01 混凝作用原理
混凝就是指胶体的凝聚和虚絮凝过程。胶体微粒具有稳定性,可在水中长时间保持分散状态,若想去除水中胶体污染物,首先需使胶体凝聚脱稳,继而絮凝沉淀。
凝聚: 胶体双电层被压缩而脱稳的过程。
絮凝: 仅指胶体脱稳后借助于长链高分子聚合物的吸附架桥作用聚结成大颗粒絮体的阶段。水的混凝就包括絮凝和凝聚。
电性中和与压缩双电层作用: 投加电解质(混凝剂)增加水相主体中的离子强度,使胶体的电位离子得以电性中和,扩散层被压缩,消除或降低ζ电位,使胶体失去稳定性而相互碰撞凝聚。
共沉淀作用: 当采用硫酸铝、石灰或氯化铁等高价金属盐类做混凝剂时,加入水中后,本身得以水解,当投加量达到某一临界值时,其水解产物迅速析出沉淀,水中胶体和细小悬浮物可被这些沉淀物在形成时作为晶核或吸附网捕,随沉淀物共同沉淀。由于废水中胶体多带负电荷,故混凝剂若带正电荷更能加快网捕速度(投加量并非越多越好)。
高分子桥连作用: 链状高分子聚合物分子上具有可与胶体微粒表面某些部位起作用的活性基团,在静电引力,范德华力,氢键力,配位键等作用下,水中胶体被吸附在这些基团上。
高分子混凝剂投加量,搅拌时间,搅拌强度均有严格要求。投加量过大,胶体会被若干高分子链包围,造成胶体表面饱和而产生复稳现象。
去溶剂化作用: 对于亲水性胶体,设法去除其外层水化膜即可压缩扩散层,进而压缩双电层,使胶体脱稳。
02 混凝反应过程
加药:
①干法加药:药剂直接投放到废水中,投配量较难控制,对搅拌机要求高。
②湿法加药:药剂配成溶液,再将溶液与废水混合。
混合: 药剂投入废水中后,发生水解并产生异电荷胶体,与水中胶体和悬浮物接触形成细小絮凝体过程。(矾花状态)
反应: 细小矾花絮体→大絮体。混合完成后,水中已产生细小絮体,但还未达到自然沉降的粒度,因此需要在反应池内使小絮体逐渐絮凝成大絮体以便沉降。
沉淀: 泥水分离。
混凝影响因素
01 水温

无机混凝剂水解为吸热反应,温度太低不利于水解从而影响混凝。
02 PH

根据不同混凝剂而定。
03 废水浊度

浊度影响混凝剂用量和投加方式。浊度过低时可采用人工致浊。
04 混凝剂

当废水浊度较低时,先加入无机混凝剂再投加适量有机高分子混凝剂;浊度较高则先投加有机高分子混凝剂。
05 共存杂质

无机金属盐类(除硫、磷化合物)均能促进胶体凝聚,而有些杂质如磷酸根离子、亚硫酸根离子、高级有机酸离子都会阻碍高分子凝聚,一些螯合物、水溶性高分子物质和表面活性剂则对混凝不利。
06 水力条件

在混合阶段,要求混凝剂迅速均匀地扩散到水相中,因此在这阶段速度梯度G宜控制在500~1000/s范围内,搅拌时间控制在1min内。
在反应阶段,搅拌强度应随着絮体的长大而降低,以防将长大的絮体打碎,G控制在30~60/s,GT控制在104-105范围内,搅拌时间在15~30min范围为宜。
常用混凝药剂和设备
01 混凝药剂
凝聚剂
无机盐化合物,可分为阴离子型凝聚剂和阳离子型凝聚剂。
由于废水中胶体通常带负电,因此凝聚剂常使用阳离子型。阳离子凝聚剂又可分为无机盐类、聚合无机盐类和金属氢氧化物三大类。
絮凝剂
高分子化合物,可分为有机高分子絮凝剂、生物絮凝剂。
有机高分子絮凝剂按来源可分为天然和人工两大类。人工有机高分子絮凝剂有可分为阳离子型、阴离子型、两性离子型和非离子型四大类。
02 混凝装置
药剂所需设备

配药桶:用于药剂的溶解,储存。
药剂搅拌装置:常用搅拌方式有机械搅拌、压缩空气搅拌、水力搅拌。
机械搅拌:使用搅拌器,适用于各种不同药剂和各种规模水厂搅拌器叶径和长度依配药桶尺寸而定。
压缩空气搅拌:使用曝气装置,适用于较大水厂和各种药剂。
水力搅拌:利用出水水压节省电机,溶药池需为3倍药剂量,压力水水压约为0.2MPa。
加药设备

重力投加:建造高位溶液池,利用重力作用将药液投入水内。
加药泵投加:泵直接从药桶里吸取药液,加入压力管。
水射器投加:利用高压水在水射器喷灌处形成的负压将药液吸入并将药液射入压力水管,水射器可同时做药液混合使用。
03 常用混合装置

静态混合器

涡流混合池

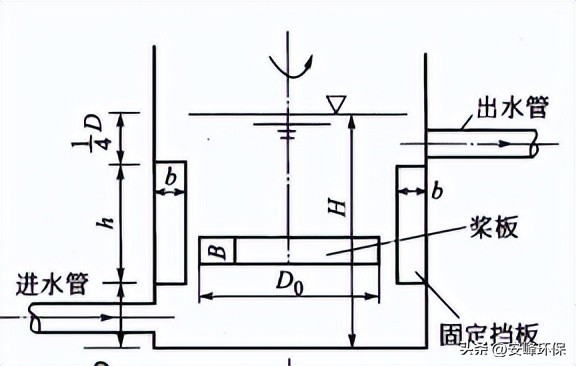
机械搅拌混合池
04 常用反应装置

隔板反应池

旋流式反应池
更多环保知识,可以关注”安峰环保“头条号,每天更新环保内容,全是干货