VivoX21i 无法充电,联系售后。
这样的机器,估计朋友们遇到不少应该,但是故障现象一样,引起的原因却各有不同,其实,只要我们研究透了工作原理,明白了造成的原因,维修起来应该是轻车熟路,手到擒来。
今天,我们再通过一个案例,进行交流一下。开拓一下大家的分析思维,对于无图纸的机器,我们应该用什么样的方法去研究。
第一,先理清思路。大家都知道,无法充电,就是充电电路故障引起的。那么我们就去查充电电路即可了。充电电路包括哪些地方呢?充电电压从尾插送入,最后流入电池内部。整个过程都不能出现问题,包括电池的检测也不能出现问题。否则就会造成充电异常。
第二,先简单后复制,把能代换的先代换,看看是否可以发现问题。那么我们就可以先更换尾排看看是否排线引起的。再换一块电池,看看是否电池引起的故障。如果你有好的主板,直接更换一个好的主板,一次,就可以检测出尾插和电池是否有问题。
第三,排除外配问题后,重点就要放在主板上面了。现在我们重点说说主板的维修。对于充电IC电路的故障,我们在后面的时间抽空重点说一下。今天我们说说这个机器的故障现象,及分析过程。
维修全过程:
拿到机器,进行了相关代换,发现故障依旧,无法解决。
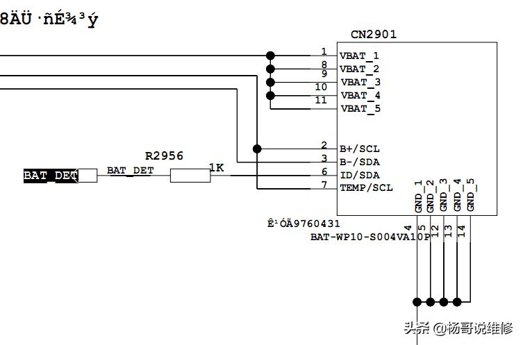
拿到主板,本着先简单后复杂的思路。我们先测量了一下电池接口座的对地阻值,发现了问题。中间的两组脚,对地阻值非常大,二极管档不显示。问题就应该是这里了。下一步该怎么修呢,我们就要去研究一下,这个检测脚流向了哪里。

仔细观察,大家会发现,中间的两组脚,只用了一组,左边那组,右边那组是空脚,没有联通到电池内部,也就是说,这组脚可以忽视。我们下面就要重点研究剩下的中间左边那组。
通过对主板的测量,我们发现了这个脚与背面的一个电阻相通。

电阻找到了,另一端通向哪里呢?我们不知道,但是VIVOX21I的图纸,我们又找不到,该怎么办呢?我们观察了一下,这个机器的CPU是,MT6771。

如果找到一个一样采用此CPU,并且有图纸的机器,我们的问题就容易解决了。柳暗花明又一村,我们找到了OPPO的R15,采用了此CPU,并且有图纸。



由于时间问题,没有做成组合图,大家理解就可以了。CPU MT6771的AA26是负责电池检测的,电池检测脚送来的信息,通过电阻R2956,产生BAT_DET,送到CPU的AA26脚。这样检测整个通路,我们熟悉了。下面就是这个电阻的问题了。直接短接测试,故障解决。(这里我要说明一点,其实,我想带给大家的不是修手机的结果和过程,而是引导大家面对困难如何*局破**,如果你悟到了,离高手也不远了。)还有一个问题,如果发现电阻问题时,必须熟悉电路,或者先去研究一下这个电路,为了给大家说明,我让师傅测量了一下,电池上面对应的这个脚,发现无3.8V,这样你就可以安全的短接,修好机器,再更换一个1K电阻即可。大家明白,我要告诉你们什么吗?
今天的故事就分享到这里,学习的至高境界不是获得了这项技能,而是掌握了超越自我的分析力,探究力,拓展思维力。手工,给予时间都可以成高手,理论分析,千差万别。很多时候,悟性、灵感、勤奋缺一不可。希望喜欢维修的朋友都成为高手。
与你一起终身学习,这里是杨哥说维修。欢迎大家关注我们,一起交流分享。