空中交通管制
AIR TRAFFIC CONTROL SYSTEM
- 概述
ATC,空中交通管制。由导航设备、雷达系统、二次雷达、通信设备、地面控制中心组成空中交通管理系统,完成监视、识别、引导覆盖区域的飞机,保证正常安全的飞行。ATC地面站询问机载ATC系统,ATC应答机以编码的的形式回应地面站的询问,ATC应答机同样回应其他飞机TCAS S模式的询问,用以辅助完成TCAS防撞系统。
当装有TCAS计算机的飞机以MODE S信号询问本机的ATC应答机时,ATC应答机的MODE S应答信号包括下列数据:
- 最大空速
- TCAS协调信号
- TCAS状态
- 高度
- 模式A识别码
- 24位地址

- 雷达
雷达管制员根据雷达显示,可以了解本管制空域雷达波覆盖范围内所有航空器的精确位置,因此能够大大减小航空器之间的间隔,使管制工作变得主动,管制人员由被动指挥转变为主动指挥,提高了空中交通管制的安全性、有序性、高效性。目前在民航管制定使用的雷达种类为一次监视雷达和二次监视雷达。

一次雷达(PSR) Primary surveillance radar
天线以一定地速率在360°范围内旋转,利用无线电反射回波信息来发现目标。T0时发出电磁波,T1时接收到飞机反射的回波,根据T0和T1的时间差计算出距离。但是这种方式只能发现空中有几架飞机,并不能区别飞机A、飞机B在显示器上只显示一个亮点而无其他数据。
二次雷达(SSR)Secondary surveillance radar
通过地面询问机(interrogator)和接受机载应答机(transponder)反馈的信息来发现和识别目标。区别于一次雷达的地方就是:二次雷达以询问-应答的方式发射的电磁波里面携带有某架飞机的24bit地址码,有针对性地向空中喊话,空中相应飞机收到电磁波后会做出应答。二次监视雷达能在显示器上显示出标牌、符号、编号、航班号、高度和运行轨迹等及特殊编号。
- 应答机的几种模式:民用的模式主要有模式A,模式C和S模式。
- 模式A和模式C
这两种模式是目前在全球使用最广泛,当机载应答机接收到地面询问机的询问信号时,便将自己的四位编码(飞机代码识别)发出作为回应,这就是原始的A模式,当回应时还报告自己的气压高度信息时,就是C模式。
- S模式,选择呼叫,主要功能是监控
S模式是新兴的一种模式,也是将来的发展方向,它是一种可以传输数据链的模式,其发射时不但具有C模式的功能,还可以传输飞机的24位地址码(ICAO-24bitcode),如果硬件和软件支持,它还可以传输飞机的航班号码,空速,地速,航向,高度以及GPS等信息,能够实现点名式的询问应答,目前大多数的民航客运飞机都支持S模式,因为空中自动防撞系统TCAS需要S模式应答机来支持,S模式和A模式C模式是兼容的。询问频率:1030MHZ;回答频率:1090MHZ
- ICAO-24bit code
所有现代的飞机出厂时都被指定了一个24位编码,每一架飞机的编码都是唯一的,就象飞机的身份证一样,在正常情况下,编码是伴随飞机终身的。根据排列和组合,24位编码资源有16777214个,而目前的A模式四位编码资源只有4096个,随着航空业的高速发展,特定区域内飞机达到一定数量后,A模式四位编码的分配就会非常困难,而使用S模式发射24位地址码就可以解决此问题,由于24位编码的唯一性,所以在不久的将来,飞行中飞行员无须设置应答机编码。只要地面雷达识别飞机的24位编码,就可以知道飞机的号码,通过计算机系统和数据链还可以生成诸如航班号,飞行起飞机场,目的地机场等等所有需要信息。

- 应答机方式选择
应答机模式选择有几个位置,以下为ATC使用到的功能:
- TEST:这个按压式的按钮用于ATC应答机功能测试。
- ALT OFF(altitude reporting off):被激活的应答机回应ATC询问,应答不包括高度。原始的A模式,只发射飞机的应答机编码信息。只有当C模式应答机的高度信息不准确或错误时使用。
- XPNDR(transponder):激活的应答机回应ATC的询问。C模式,发射飞机应答机编码和气压高度,当机载防撞系统失效,或TCAS工作不正常时置于此位。
- TA ONLY :当飞机机动能力下降,飞机可能不能满足TCAS系统给出的措施通告时时置于此位,如单发等。
- TA /RA :正常使用位置,提供咨询通告、措施通告。
对于需要在地面使用应答机的机场:
- 推出前,输入指定的应答机编码,方式选择电门设置在XPONDER,(NG系列保持状态电门在AUTO);
- 对正跑道可以起飞时,方式选择电门置于TA/RA;
- 落地后,方式选择电门设置为XPONDER,(NG系列保持状态电门在AUTO),关车后置于STBY。
- 飞机脱离跑道后,应答机按需调整到备用位以防止塔台屏幕上继续显示,发送高度报告,这样会影响空中交通管制。也会对同一空域其他飞机造成TCAS干扰。
- ATC系统的相关部件
ATC系统有以下部件
- 上部天线
- 下部天线
- ATC同轴开关 2
- ATC/TCAS控制面板
- ATC应答机 2
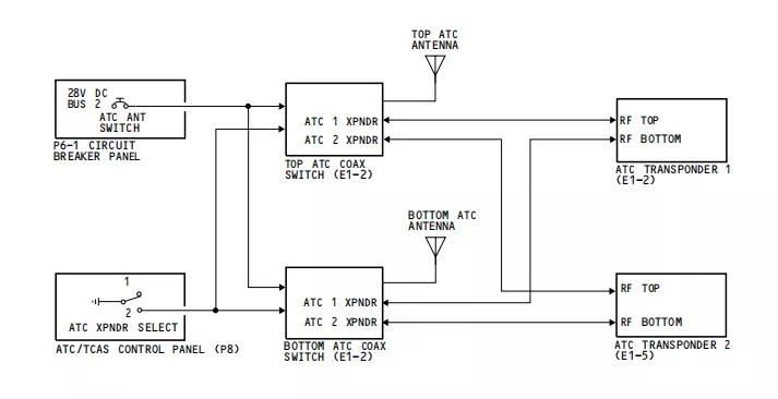
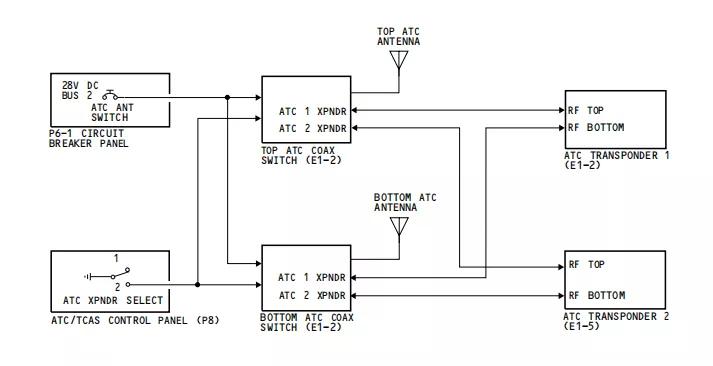
两部天线发射来自ATC应答机的信号并且发送收到的信号给ATC应答机,这些信号会通过ATC同轴开关。
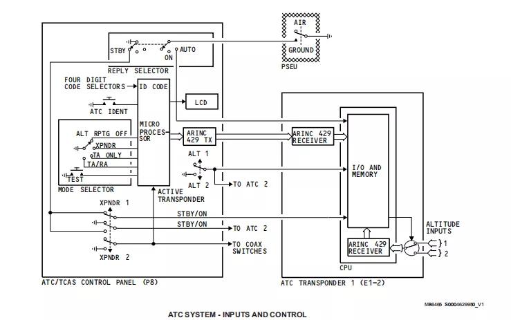
ATC/TCAS控制面板发送识别和控制数据给应答机,控制面板也可以选择使用应答机1或者应答机2。ADIRU提供气压高度给ATC应答机。
ATC应答机与TCAS计算机存在交联。ATC应答机的工作模式分为3种:A模式,C模式,S模式。这三种模式并存,其中A模式主要负责在完成应答时,将飞机的4位代码作为应答机的信号发送出去;C模式则是将大气数据系统所提供的高度信息作为应答信息发送出去;S模式时,可以传输飞机的24位地址码,如果硬件软件支持,它还可以发送飞机的航班号、空速、地速、航向、高度以及GPS信息。


ATC天线接口
ATC同轴开关从ATC天线电门跳开关处得到电源,当你在控制面板上选择ATC1应答机时,ATC同轴开关不会激励,两部天线连接在ATC1应答机上。当你在控制面板上选择ATC2应答机时,控制面板发送一个离散的接地信号给ATC同轴开关,这将激励ATC同轴开关并连接上下两部天线给ATC应答机2。

MMR接口和MCP接口
每一个MMR给相应的ATC应答机提供GPS位置数据;MCP给每一个应答机提供所选择的高度。

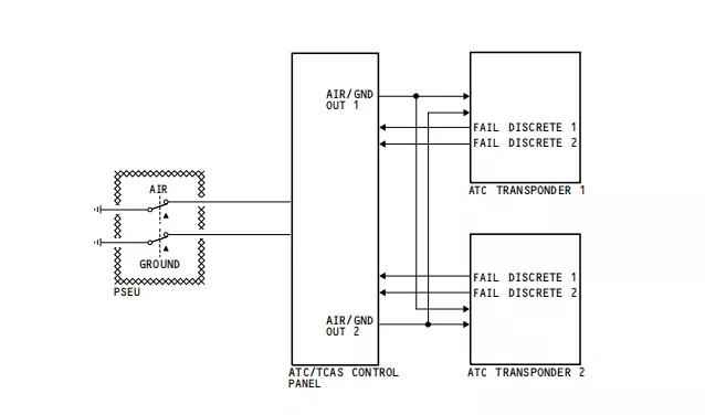
PSEU通过ATC/TCAS控制面板发送空地离散信号给应答机。
空地离散信号的目的:
- 防止ATC系统在空中进行地面测试
- 防止模式A和模式C在地面应答
- 在非易失存储器中记录航段
每一个应答机的BITE连续监控设备的故障,如果BITE监控到故障,应答机将发送这个故障离散信号给控制面板。

ATC/TCAS控制面板
两部控制面板控制ATC应答机和TCAS计算机
以下是在控制面板上ATC的控制和显示:
- 应答机选择电门
- 激活系统的显示
- 应答机代码选择器
- 四位数字识别码
- 应答机模式选择
- 识别电门
- 高度来源电门
- 应答选择
- 故障灯
应答机选择电门/激活系统显示
应答机选择电门是个两位电门用来选择激活哪部应答机工作。当飞行员选择应答机1,控制面板发送一个GROUND STADBY/ON(NOT IN USE)离散信号仅给应答机2,应答机2便成为备份,应答机1被激活;当选择应答机2,控制面板发送一个OPEN STANDBY/ON(IN USE)离散给应答机2来使得其激活,一个GROND STANDBY/ON离散给应答机1并且一个天线传输离散给ATC同轴电门,这使得应答机1处于备份,使得继电器连接ATC天线给应答机2。
识别代码的显示和选择
飞行员使用识别代码选择器来设置4位识别码,该*会码**显示在控制器的显示屏上,代码从0000到7777。7500空中遇到非法干扰/7600无线电通讯失效/7700用于紧急和遇险。
识别电门
当ATC管制员需要识别飞机时,飞行员摁下这个瞬时识别电门,应答机在接下来的18秒内将会增加一个特殊的位置识别脉冲回复询问。
高度来源电门
该电门使用两位电门来选择供给ATC应答机高度数据的来源。当你将电门位置扳倒1时,ADIRU1提供高度数据;当扳倒2时,ADIRU2提供高度数据。
XPNDR FAIL灯
当一下情况发生时,这个灯点亮
- 应答机故障
- 天线故障
- 控制数据故障
- 高度输入故障


ATC 应答机
ATC地面站以1030MHZ的脉冲编码信号询问ATC应答机。应答机以1090MHZ的脉冲编码信号回应询问。
应答器响应空中交通管制雷达信标系统(ATCRBS)模式A和模式C的询问。应答器也响应空中交通管制和TCAS计算机S模式的询问。
摁压TEST可以进行测试,如果某部件故障,相应的LED灯会点亮。

ATC天线
ATC L波段天线接收来自ATC地面站1030MHZ的询问和其他有TCAS飞机S模式的询问,应答机通过L波段天线发射回应信号。ATC天线和DME天线可以互换。

ATC同轴开关
ATC同轴开关连接激活的ATC应答机给上部和下部ATC天线。
以下是电气连接的输入:
- ATC天线电门跳开关
- ATC/TCAS控制面板
ATC同轴开关给ATC系统询问和应答信号提供一个射频接口,以下是连接器:
- ATC应答机1连接器
- ATC天线连接器
- ATC应答机2连接器


- ATC系统的自测试:
摁压应答机前面板的TEST按钮或者选择ATC/TCAS控制面板上的TEST选项,ATC系统即开始自测试。在测试期间,应答机BITE完成以下功能:
- 正常操作测试
- 存储器测试
- 接收电路模拟询问测试
- 天线阻抗测试
- TCAS接口测试
- 控制和高度输入有效性测试
在收发机前面板的测试:
按压并保持TEST电门,前面板上所有ideLED灯将会点亮3S,后续熄灭2S,继续保持TEST电门摁压状态来查看ATC应答机系统相应的状态灯:
These are the LED status indicators and their related conditions:
- TPR green - no LRU failures
- TPR red - LRU failure
- ALT - altitude input from the ADIRU fails
- DATA IN - control panel input fails
- TOP - top antenna fails
- BOT - bottom antenna fails
- TCAS - interface with TCAS fails
- MAINTENANCE - not used
- RESERVED(2) - not used
在控制面板上测试:
摁压然后释放TEST按钮,ATC系统的自测试开始,XPNDR FAIL灯点亮3S,如果测试正常,该灯熄灭,如果存在下述情况,该灯保持亮:
- Antenna failure
- Transponder failure
- Control data failure
- Altitude input failure