在开始介绍之前先看下面两张图,这两张原理图是同一个电路,一个是新手画的,一个是老手画的。

新手画的原理图

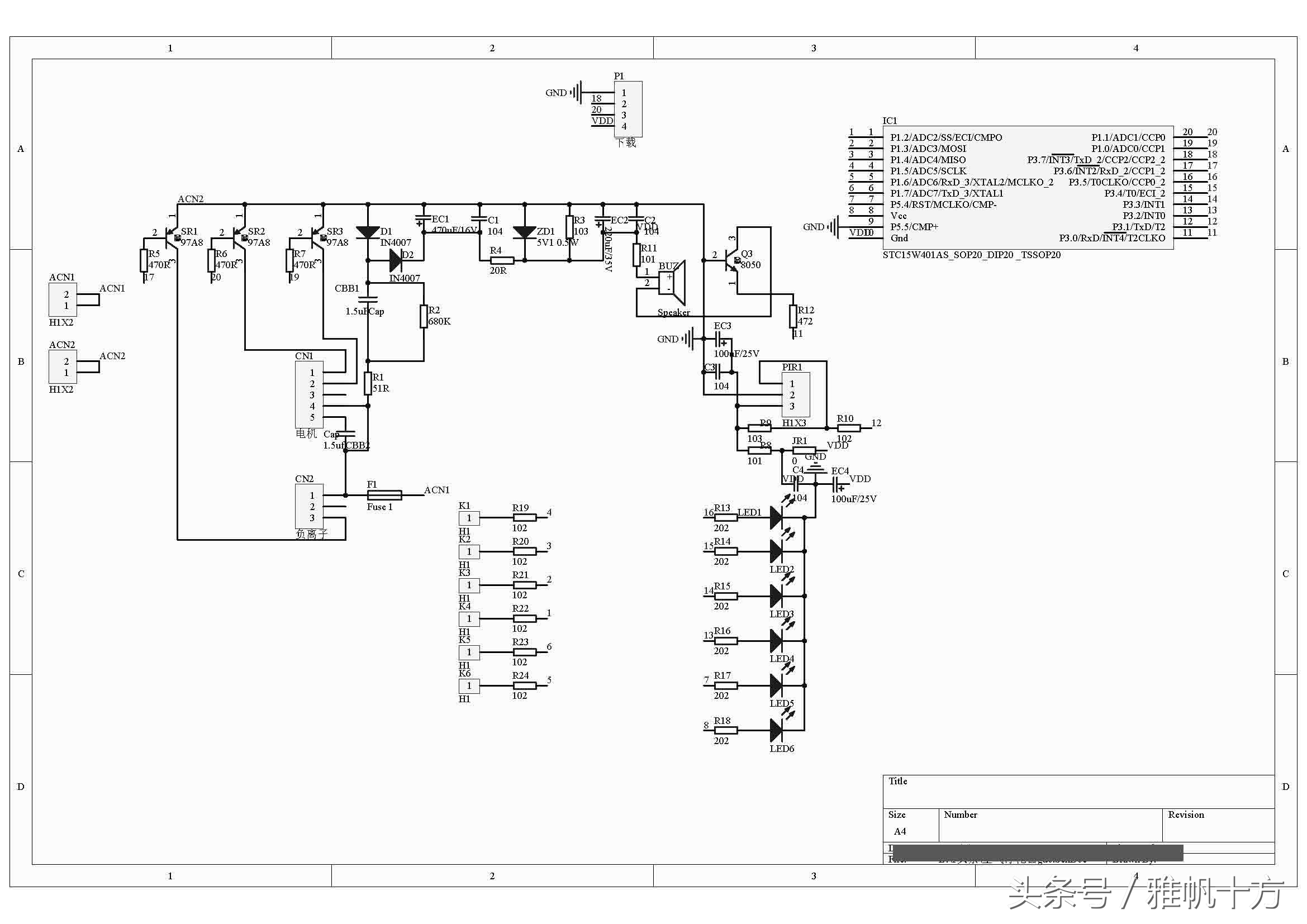
雅帆画的原理图
怎么样?看出差别了吗,第二张是不是更好,信号走向,主电路,控制电路调理清晰?
那怎么才能画一个好的原理图呢,我总结有以下几点:
1:尽量少用网络标号,如果一定要使用,请使用总线画法,指定标号的大概位置。

这里绘制为不合理,每个引脚接在什么地方,阅读者要全张图纸找一遍
2:图纸信号走向为左输入右输出,千万不要凸显个性,反着画。

这张绘制不合理,信号走向左出右入,不符合大众习惯
3:主副电路清晰,子电路应符合阅读者的阅读习惯。

这张图绘制就比较好,主电路控制电路调理清晰
4:绘制标题栏,重要信息(像版本号等)要标记清楚。

雅帆的一个标题栏模版
小伙伴们认为我说的对吗?