故障现象
起动发动机后,起动机运转有力但发动机无法起动。
故障诊断
首先测量蓄电池电压,电压值为12.46 V,属于正常值。连接故障诊断仪IDS对车辆进行检测,IDS无法自动识别。用先前对话进入,设备显示了含义为PCM无法连接的故障码。
观察仪表发现,仪表盘上没有里程和室外温度显示。在该车上,室外温度传感器的信号显示流程是:室外温度传感器→PCM→HS-CAN→ICM温度显示;里程表的信号流程是:车速传感器(VSS)→PCM→HS-CAN→ICM→车速显示。PCM接收车速传感器(VSS)车速信号,PCM将利用轮胎尺寸,计算出汽车的行使距离,并将该信息通过CAN总线输入仪表控制单元,仪表控制单元会在LCD中显示此项信息。
如果该信息缺失或失效,则LCD将显示“------”。里程 表也结合于LCD中,在换装新的组合仪表时,必须将里程表加以编程。


图2
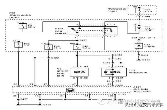
根据以上故障现象和信号流向分析,故障应出现在PCM供电、CAN及IC之间。故障诊断仪IDS无法自动识别故障出现在PCM或CAN总线。为了确定CAN总线是否正常,根据该车网络拓扑图(图1),笔者利用故障诊断仪对CAN总线网络的网线进行测量,测量结果正常。根据电路图(图2),笔者决定检查PCM的供电。经检查BJB熔丝,发现F42烧损。经分析电路图(图3、图4),可知BJB F42向多个电器供电,包括PCM、燃油泵继电器及电子节温器等。
维修人员检查了相关的线路,没有发现F42熔丝烧坏的原因。于是维修人员便先更换了熔丝,之后检查燃油系统油压、点火系统及仪表均正常,起动发动机发现发动机正常起动。

图3

图4
本以为故障已经排除,但在对车辆进行路试,离厂10 min后,车辆在行驶过程中熄火,且无法再次起动。经检查,维修人员发现F42熔丝再次烧损。维修人员更换熔丝后,将车驶回维修站。他们怀疑线路有短路或偶发性搭铁,于是检查熔丝F42到燃油继电器之间的线路和到电子节温器之间以及PCM之间的线路,结果正常。
因为燃油继电器和电子节温器、PCM共用熔丝BJB F42,着车观察发动机的运转状态,正在整理思路时,发动机突然熄火。因为没有检查到烧损熔丝的原因,更换熔丝之后车辆又可以起动了。
仔细思考后,笔者发现车辆凉车时烧熔丝的几率低一些,热车时高很多。因为电子节温器是根据车速、发动机负荷及冷却液温度等信号来工作的。有可能节温器内部短路,PCM输出信号给电子节温器(C100)2号脚,F42熔丝向电子节温器(C190)1号脚供电,只要PCM输出信号,就因节温器内部短路烧熔丝;反之,只要PCM不输出信号,就不会因节温器内部短路,烧损熔丝。笔者拔下节温器插头,测量电加热器的电阻,发现阻值为0,正常电阻值应为约15 Ω。可以看出,是节温器(图5)内部短路造成的故障。

图5
故障排除
在更换电子节温器后,试车故障排除。
故障总结
经询问用户,得知该车曾在行驶里程6万 km时在外面修理厂更换过防冻液。根据这个情况,可以判定该车的故障正是该修理厂更换了劣质防冻液所致。因防冻液质量较差,产生了化学反应,从而腐蚀了电子节温器,导致电子节温器内部短路。