在新型冠状病毒突然爆发的背景下,口罩作为基础防护品,无论是前线医务人员,还是普通的老百姓们,都急需它。而市场上却是“一罩难求”。据工信部数据显示中国是全球最大的口罩生产国,口罩日需求量逾2亿只。
“疫情“当前,全球口罩需求量日益剧增,短时间的产能短缺,使得“口罩机”成为了当下最热门的产品。而面对巨大的供需缺口,许多口罩企业厂商纷纷加班加点生产口罩,还有许多其他类型企业开始增设口罩机,也投入口罩生产。下面工采网小编和大家一起走进口罩机的世界一起了解一下流量传感器在口罩机进料流速监测的作用吧。

小小的口罩是经过怎样的生产工序,最后到我们手里,带给我们足够大的安全感呢跟随工采网小编一起去见证一次性医用口罩的生产过程吧!
01 物料合并
口罩的原材料是无纺布,而标准的医用口罩需要三层合并,口罩三层更安全可靠。
02 卷边,鼻夹缝合
鼻夹在口罩上部分的内层里,佩戴口罩时轻轻捏住鼻夹便可固定到鼻梁上,口罩戴得更严实,不漏风,不易掉,更能起到防护作用。
03 口罩折叠 压平
一次性口罩表面是需要折叠的,通常是三层叠层,这样的结构利于拉开后完全遮住口鼻,完美遮挡飞沫。叠层完成后,接着就是把叠层部分压平整,然后口罩表面加工已大概完成了。

04 裁断 补边
口罩表面叠成完成后,接下去就是把面料裁断成一个个口罩大小,然后用无纺布进行补边。第一次裁断补边完成后,再次进行第二次裁断,补边。这时候口罩已经基本成型了。
05 挂耳绳固定
终于来到口罩生产工序的最后关键一步啦,最后将通过热压方式固定挂耳绳,完整的一次性医用口罩的生产就结束了。
口罩制作完成后还需要对口罩呼吸阻力进行监测,呼吸阀气密性检测可通过仪器调节,仪器可以调节流量的呼吸气源、标准规定的人体头模、吸气和呼气管路系统、呼吸阻力测定系统等。对于呼吸起源的流量可采用特殊的气路转换元件,保证了呼气和吸气两套管路系统更换方便快捷。
由上可知流量的准确测量非常地重要,利用监测计量被测管路中的液体或气体流量,在工业控制和民用设施领域中被广泛地应用。基于口罩机中的流量监测工采网推荐美国Siargo 气体质量流量传感器 - FS1015CL系列。

FS1015CL系列微机电气体质量流量传感器是专门为各类医学用气体的测量和过程控制而设计的。产品采用微机电系统(MEMS)流量传感芯片来制作,适用于各类清洁气体。成本低、易安装、不需要温度压力补偿,可替代容积式或压差式的传统流量计。
美国Siargo微机电气体质量流量传感器 FS1015CL系列产品特点:
专为呼吸机和麻醉机的流量计量需求而设计
高灵敏度,应用热式质量流量计原理可测量最低至8mm/sec的流体流量
无旁通结构,低压损
传感器的零点稳定度高
经消毒液杀菌处理后可重复使用
自动转换量程的开关设计提高了测量精度
主机设备上的用户界面可轻松实现线性输出
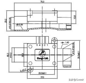
美国Siargo微机电气体质量流量传感器 FS1015CL系列机械图:

美国Siargo微机电气体质量流量传感器 FS1015CL系列技术参数:
