顾客送来一台A59m描述进水了,已经不显示了。拆机检测,水分已经干了但是有腐蚀痕迹,腐蚀严重区域在灯控U2304电路和显示供电U2301电路。首先清洗主板。


从上图可以看到电阻R2316已经脱落,连通的主供电铜皮已经烧掉。

拆下U2301清洗重新植锡装回,把主供电连接即可。

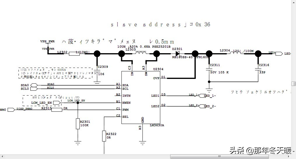
再来看看灯控部分。


升压输出L2304元件焊盘已经腐蚀脱落。


补上焊盘,装回电感还是没有升压,拆下灯控,有一引脚已经腐蚀,无法上锡,更换一个灯控D6显示正常。装机试机无铃声,拆下铃声IC-U2702,清洗重新植锡试机铃声正常,到此维修结束。