大唐水电科学技术研究院有限公司的研究人员石桂学,在2019年第10期《电气技术》杂志上撰文,分析了非全相工况对发电机及变压器的危害,提出了非全相保护配置的必要性。介绍了当前发变组高压侧断路器非全相保护配置现状,分析了国家相关标准对现状的影响。分析了断路器失灵保护和三相不一致保护的配合关系,提出未配置电气量三相不一致保护则可能导致失灵保护拒动。
分析了断路器防跳回路和三相不一致保护的配合关系,提出未配置电气量三相不一致保护则可能导致断路器就地跳闸时无法起动防跳。最后提出了解决问题的改进措施和对策,特别对在不同情况下本体三相不一致保护动作时间定值整定原则进行了分析说明。
发电机的非全相运行,主要是指由于断路器一相或两相未断开而造成的不对称运行。这时,在定子绕组中有负序电流,它产生的磁场对于转子是以2倍频率旋转的。这种旋转磁场在转子本体、槽楔和护环感应出2倍频率的负序电流。
该电流在这些部件上和各部件的接触处产生很大的附加损耗和温升,导致局部过热。负序电流过大将造成发电机转子齿部、槽楔烧损和护环嵌装面烧熔并产生裂纹。如果主变中性点装设有避雷器,发生故障时不能及时将故障切除,则强大的零序电流会造成避雷器爆炸起火。
如果不装设避雷器而只装设放电间隙,当主变中性点间隙被击穿后一般会产生连续性电弧,这时还应考虑零序电流对发电厂其他机组和系统的影响,比如可能烧坏间隙端部和间隙电流互感器(current transformer, CT)。所以,分相操作的发变组高压侧断路器必须配置非全相保护。
非全相保护一般有两种方法实现,即断路器本体非全相保护和保护装置非全相保护(电气量三相不一致保护)。断路器本体非全相保护是利用三相不一致接点起动时间继电器,经延时后跳开断路器。三相不一致接点由断路器辅助接点组合实现。
该方案的输入输出回路和逻辑判断元件均在断路器本体内部完成,不涉及保护装置及操作箱等外部回路,二次接线简单、清晰。保护装置非全相保护通过断路器三相不一致触点结合电流判据来实现。电流判据可包括零序电流判据或负序电流判据。电流判据按躲过变压器正常运行时可能产生的最大不平衡电流整定。
工程实际中大部分电厂都同时启用断路器本体非全相保护和保护装置非全相保护。而部分电厂发变组高压侧断路器未配置或未启用保护装置的非全相保护,只使用断路器本体非全相保护。究其原因,在于现行主要标准和反措相关要求存在不明确、不统一的情况。
有文献要求:对220~500kV断路器三相不一致,应尽量采用断路器本体的三相不一致保护,而不再另外设置三相不一致保护;如断路器本身无三相不一致保护,则应为该断路器配置三相不一致保护。部分电厂遵循本条文设计,导致未配置保护装置非全相保护。
有文献要求:非全相保护功能应由断路器本体机构实现。本条文强调了本体机构实现非全相保护,但未明确是否应配置保护装置非全相保护,在执行过程中同样可能出现偏差。
1 发变组高压侧断路器非全相保护与失灵保护配合分析
发变组非全相运行一般有两种情况:
①机组正常运行时发生故障,反应于该故障的电气量保护动作跳开断路器过程发生非全相故障。电量保护动作跳闸同时都会起动失灵,所以跳断路器过程中,如果有一相或两相断路器发生失灵,这个时候断路器失灵保护和非全相保护的动作判据都满足,但是由于失灵保护延时短,失灵保护会先动作切除故障。所以这个时候非全相保护没有必要起动失灵保护;
②机组正常运行时,发生断路器单相或两相偷跳现象,零时刻保护装置无保护动作,经本体或装置非全相保护延时后跳开断路器,同时装置非全相起动失灵保护,如果断路器失灵,则由失灵保护跳开相邻断路器,从而切断电源,防止设备受损及事故范围扩大。
工程实际中部分电厂发变组高压侧断路器未配置保护装置的非全相保护,只使用断路器本体非全相保护。断路器本体非全相保护未采用电流判据,受辅助接点质量、中间继电器动作特性等因素影响,保护误动可能性较高。且该保护的出口跳闸回路不经过保护装置操作箱,无法起动操作箱三跳继电器TJR起动失灵,一般也不单独设计起动失灵回路,所以该方案无法起动失灵。
这就导致当断路器偷跳导致非全相工况时无法及时起动失灵保护,只能由后备保护发电机反时限不对称过负荷保护动作,然后起动失灵保护动作后跳开相邻断路器。发电机及变压器等设备将会长时间受负序电流影响,有可能严重损害设备,即使当时无明显受损表象,也为日后安全稳定运行埋下了隐患。
所以,正确配置发变组高压侧断路器非全相保护至关重要。
有文献要求:发电机变压器组的断路器三相位置不一致保护应起动失灵保护。本条文间接地要求了保护装置应配置非全相保护。
四川省电力公司川电生技〔2008〕133号《关于加强断路器三相位置不一致保护运行管理的通知》明确要求:220kV主变断路器如选用三相电气联动断路器,变压器保护应配置三相位置不一致保护。
本条反措的提出正是基于一起因断路器偷跳时本体三相不一致保护拒动导致事故范围扩大的事故。2008年9月11日11:47,500kV石棉变电站因220kV气体绝缘金属封闭开关设备(gas insulated switchgear, GIS)内部控制电缆(厂家配供)绝缘严重下降导致#2主变220kV侧202断路器A相偷跳,断路器本体三相位置不一致保护未动作,由非全相所引起的零序电流达到约600A,导致石棉变电站#1、#2主变的公共绕组零序过流保护(定值:250A,3.5s)动作使2台主变三侧断路器跳闸。
有文献要求:发变组出口三相不一致保护应起动失灵保护。220kV 及以上电压等级单元制接线的发变组,应使用具有电气量判据的断路器三相不一致保护去起动发变组的断路器失灵保护。
运行经验和案例表明,部分规程的相关条文不够完善,导致电气设备在运行中存在安全隐患。一些电网企业的反措或相关标准对此进行了修正,明确了断路器非全相保护的正确配置,有效避免了事故的发生。
2 发变组高压侧断路器非全相保护与断路器防跳回路配合分析
断路器防跳回路的作用是防止断路器合闸接点保持,同时外部跳闸开入输出时断路器反复分合闸即断路器跳跃现象。断路器跳跃现象有可能导致设备受损或系统振荡。因此,断路器控制回路中必须设计有防跳回路。
防跳回路设计的基本思路有两种:①在合闸开入和跳闸开入同时闭合时切断合闸回路;②在合闸输入和合闸位置常开接点同时闭合时切断合闸回路。
设计思路①一般应用于断路器操作箱防跳回路,思路②一般应用于断路器本体机构防跳回路。
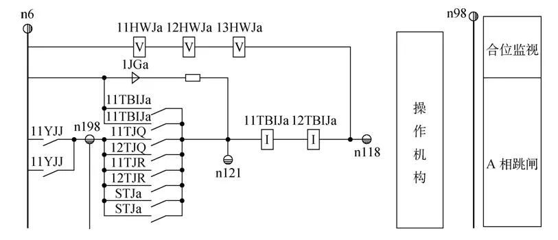
断路器操作箱防跳回路典型设计如图1、图2所示,图中SHJA、ZHJ及1SHJ为合闸接点,12TBIJA及22TBIJA为跳闸保持继电器常开接点。当断路器合闸于故障且合闸接点因其他原因保持时,SHJA、ZHJ及1SHJ中的任一个接点与12TBIJA或22TBIJA同时闭合。
跳闸保持继电器常开接点12TBIJA或22TBIJA闭合起动继电器1TBUJA励磁,输出常开接点1TBUJA串接合闸接点同时闭合起动继电器2TBUJA励磁,继电器2TBUJA常开接点实现自保持功能,常闭接点与1TBUJA常闭接点串接实现切断合闸回路,从而实现防跳功能。

图1 防跳回路典型设计图(合闸回路部分)

图2 防跳回路典型设计图(跳闸回路部分)
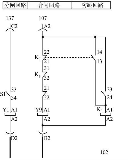
断路器本体机构防跳回路典型设计如图3所示。Y9、Y1分别是断路器的合闸线圈、分闸线圈;K1是防跳继电器;S1:23-24触点、S1:33-34触点是断路器的常开辅助触点,S1:21-22是断路器的常闭辅助触点。断路器收到合闸命令后,正电源107经继电器K1的两对常闭触点、断路器常闭辅助触点S1:21-22,使合闸线圈Y9得电、断路器合闸;断路器合闸后,常开辅助接点S1:23-24闭合。
如此时合闸命令仍然存在,则防跳继电器K1动作,其串接在合闸回路的两对常闭辅助触点将翻转至断开、断开合闸线圈Y9回路,并通过另一对常开触点自保持,直至合闸命令消失。
对比分析得知,断路器操作箱防跳回路与本体机构防跳回路的最大区别在于操作箱防跳回路使用操作箱跳闸开入作为防跳继电器起动条件,而本体机构防跳回路使用合闸位置接点作为防跳继电器起动条件。当断路器就地分闸、偷跳及本体非全相保护动作时,跳闸回路不经操作箱,无法起动跳闸继电器,从而无法起动防跳继电器。远方合闸且就地分闸的操作一般只在停电检修期间出现,发生断路器跳跃的可能性和危害较小。

图3 断路器本体机构防跳回路典型设计图
系统正常运行时,远方合闸瞬间断路器偷跳且未起动跳闸继电器时,操作箱防跳回路失效,将造成断路器跳跃,有可能导致断路器爆炸或系统振荡。远方合闸瞬间出现断路器非全相故障时,如只配置本体非全相保护而未配置保护装置非全相保护,本体非全相保护跳闸无法起动操作箱防跳回路,同样会导致断路器跳跃。
本体机构防跳回路使用合闸位置接点起动防跳继电器,不受上述工况的影响,具有明显的优势。可见,未启用本体防跳回路且未配置保护装置非全相保护的断路器在运行中存在极大的安全隐患。
有文献要求:各级电压的断路器应尽量附有防止跳跃的回路。有文献要求:保护装置和断路器上的防跳回路应且只应使用其中一套,优先使用断路器机构防跳。
以上两个标准规程对于断路器防跳回路的设计并未明确应该使用何种防跳回路。工程实际中部分电厂只使用操作箱防跳回路,取消本体防跳回路,或者通过“远方/就地”把手切换,远方操作时使用操作箱防跳回路,就地操作时使用本体防跳回路。显然,这两种设计在未启用保护装置非全相保护的配置中,均存在非全相工况下断路器跳跃的安全风险。
改进措施与对策
1)电力行业相关的国家标准及行业标准是电力生产各个环节各项工作的主要依据。
然而,长期的实践经验及实际案例表明,部分标准的部分条文相对目前的行业发展水平出现了滞后、不明确甚至错误的现象。这些条文势必影响电力行业的设计、调试及运行维护各个生产环节,导致电力生产中存在安全隐患。所以,及时修正相关条文,重新修编滞后的规程标准,是解决上述问题的根本途径。
2)除了国家标准及行业标准,电力行业的电网公司及发电集团等各企业还颁布了各项继电保护反措。
反措重点针对相关的设计、运行等技术标准中没有提及或没有明确,而对继电保护安全运行产生影响的问题。针对上述问题,部分企业已经颁布了相关反措,相关问题在企业管辖范围的厂站已经整改。反措的及时制订、颁布是对快速发展的电力行业出现的各种新问题的直接有效的解决途径。
3)发变组高压侧断路器应配置保护装置非全相保护和本体三相不一致保护。
保护装置非全相保护应有独立的起动失灵回路,确保非全相保护动作后能及时起动失灵保护。并将本体三相不一致保护及其相关二次回路定检列为运行维护的重点工作。
4)断路器防跳回路应使用本体防跳回路,取消操作箱防跳回路。
使用操作箱防跳回路无法和本体三相不一致保护配合,导致断路器存在较大的安全隐患。本体防跳回路接线简单、逻辑合理,远方和就地跳闸时均能起动防跳回路,使用中应注意防跳继电器不应安装在机构箱内,应装在独立的汇控箱内。
5)有文献要求:断路器本体三相不一致保护动作时间按电气量三相不一致保护动作时间整定。
发变组断路器三相不一致保护延时一般按0.5s整定。工程实际中断路器本体三相不一致时间继电器一般采用机械指针式,调整定值过程中产生误差是难免的。当本体三相不一致保护先于电气量三相不一致保护动作,动作后成功跳开断路器,则电气量三相不一致保护返回,动作不出口,不跳闸及起动失灵,避免失灵保护误动;如本体三相不一致动作后仍未能跳开断路器,非全相工况继续存在,则电气量三相不一致保护动作,再次发出跳令并起动失灵保护。
因此,在断路器本体三相不一致保护时间定值整定误差不可避免的情况下,一般建议调整为负误差,即略小于电气量三相不一致保护动作时间,这也符合断路器本身的问题优先自行解决的原则。
而对于只使用操作箱防跳回路的断路器,则断路器本体三相不一致保护时间定值应调整为正误差,即略大于电气量三相不一致保护动作时间,以确保电气量三相不一致保护先动作,并起动操作箱防跳,避免断路器跳跃事故发生。