(一)、相关理论知识
1、制动的概述
电动机断开电源以后,由于惯性作用不会马上停止转动,而是需要转动一段时间才会完全停下来。这种情况对于某些生产机械是不适宜的。例如,起重机的吊钩需要准确定位;万能铣床要求立即停转等。满足生产机械的这种要求就要对电动机进行制动。
所谓制动,就是给电动机一个与转机械动方向相反的转矩使它迅速停转(或限制其转速)。工程中常用的制动方法一般有两类:机械制动和电力制动。机械制动可分为电磁抱闸断电制动、电磁抱闸通电制动、电磁离合器制动;电力制动又可分为能耗制动、反接制动、电容制动、再生发电制动等几种。
2、反接制动原理
在如图3-12-1a所示的电路中,当QS向上投合时,电动机定子绕组电源电压相序为L1-L2-L3,电动机将沿旋转磁场方向(见图3-12-1b中顺时针方向),以n﹤n1的转速正常运转。当电动机需要停转时,拉下开关QS,使电动机先脱离电源(此时转子由于惯性仍按原方向旋转)。随后,将开关QS迅速向下投合,由于L1、L2两相电源对调,电动机定子绕组电源电压相序变为L2-L1-L3,旋转磁场反转(见图3-12-1b 中的逆时针方向),此时转子将以n1+n的相对转速沿原转动方向切割旋转磁场,在转子绕组中产生感应电流,其方向可用右手定则判断出来,如图3-12-1b所示,而转子绕组一旦产生电流,又受到旋转磁场的作用,产生电磁转矩,其方向可用左手定则判断出来,如图3-12-1b所示。可见,此转矩方向与电机的转动方向相反,使电动机受制动迅速停转。

可见,反接接制动是依靠改变电动机定子绕组的电源相序来产生制动力矩,迫使电动机迅速停转的。
当电动机转速接近零时,应立即切断电动机电源;否则电动机将反转。因此,在反接制动设施中,为保证电动机的转速被制动到接近零值时,能迅速切断电源,防止反向启动,常利用速度继电器(又称反接制动继电器)来自动地及时切断电源。
3、机械制动控制线路
利用机械装置使电动机断开电源后迅速停转的方法叫机械制动。机械制动常用的方法有电磁抱闸制动和电磁离合器(由电枢、励磁绕组、电刷、滑环等组成)制动。两者的制动原理类似,控制线路也基本相同。下面以电磁抱闸制动器为例,介绍机械制动的制动原理和控制线路。
1)电磁抱闸制动器
如图3-12-2所示为常用的MZD1系列和MZS1系列交流制动电磁铁与TJ2系列闸瓦制动器的外形,它们配合使用共用组成电磁抱闸制动器,其结构如图3-12-3a所示,符号如图3-12-3b所示。
电磁铁和制动器的型号及其含义如下:

1---线圈 2---衔铁 3---铁心 4---弹簧
5----闸轮 6---杠杆 7---闸瓦 8---轴
图3-12-3 电磁抱闸制动器
制动电磁铁由铁心、衔铁和线圈三部分组成。闸瓦制动器包括闸轮、闸瓦、杠杆和弹簧等部分。电磁抱闸制动器分为断电制动型和通电制动型两种。断电制动型的工作原理如下:当制动电磁铁的线圈得电时,制动器的闸瓦与闸轮分开,无制动作用;当线圈失电时,制动器的闸瓦紧紧抱住闸轮制动。
通电制动型的工作原理如下:当制动电磁铁的线圈得电时,闸瓦紧紧抱住闸轮制动;当线圈失电时,制动器的闸瓦与闸轮分开,无制动作用。
2)电磁抱闸制动器断电制动控制线路
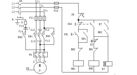
电磁抱闸制动器断电制动控制线路如图3-12-4所示。
启动运转:先合上电源开关QS。按下启动按钮SBl,接触器KM线圈得电,其自锁触头和主触头闭合,电动机M接通电源,同时电磁抱闸制动器YB线圈得电,衔铁与铁心吸合,衔铁克服弹簧拉力,迫使制动杠杆向上移动,从而使制动器的闸瓦与闸轮分开,电动机正常运转。

制动停转:按下停止按钮SB2,接触器KM线圈失电,其自锁触头和主触头分断,电动机M失电,同时电磁抱闸制动器YB线圈也失电,衔铁与铁心分开,在弹簧拉力的作用下,制动器的闸瓦紧紧抱住闸轮,使电动机被迅速制动而停转。
电磁抱闸制动器断电制动在起重机械上(如电梯、行吊等)被广泛采用。其优点是能够准确定位,同时可防止电动机突然断电时,重物自行坠落;缺点是不经济。因为电磁抱闸制动器线圈耗电时间与电动机一样长。另外,由于电磁抱闸制动器在切断电源后的制动作用,使手动调整工件很难,因此,对要求电动机制动后能调整工件位置的机床设备,可采用通电制动型制动器进行制动。
3)电磁抱闸制动器通电制动控制线路
电磁抱闸制动器通电制动控制线路如图3-12-5所示。这种通电制动与上述断电制动方法稍有不同。当电动机得电运转时,电磁抱闸制动器线圈断电,闸瓦与闸轮分开,无制动作用;当电动机失电需停转时,电磁抱闸制动器的线圈得电,使闸瓦紧紧抱住闸轮制动;当电动机处于停转常态时,线圈也无电,闸瓦与闸轮分开,这样操作人员可以用手扳动主轴调整工件、对刀等。图3-12-5控制线路和工作原理请读者自行分析。

4、能耗制动控制线路
在工程或工厂中,使电动机在切断电源后,产生一个和电动机实际旋转方向相反的电磁力矩(制动力矩),迫使电动机迅速制动停转的方法叫做电力电力制动。电力制动常用的方法有能耗制动、反接制动、电容制动、再生发电制动等,本节只分析能耗制动析控制线路。
1)能耗制动原理
想一想:能耗制动是怎样实现现制动的,它与机械制动有什么不同?

图3-12-6a所示电路中,断开电源开关QSl,切断电动机的交流电源后,这时转子仍沿原方向惯性运转;随后立即合上开关QS2,并将QSl向下合闸,电动机V、W两相定子绕组通人直流电,使定子中产生一个恒定的静止磁场,这样作惯性运转的转子因切割磁力线而在转子绕组中产生感应电流,其方向可用右手定则判断出来,如图3-12-6b所示。转子绕组中一旦产生了感应电流,又立即受到静止磁场的作用,产生电磁转矩,用左手定则判断可知,此转矩的方向正好与电动机的转向相反,使电动机受制动迅速停转。
可见,能耗制动是当电动机切断交流电源后,立即在定子绕组的任意两相中通入直流电,迫使电动机迅速停转的方法。由于这种制动方法是通过在定子绕组中通人直流电,以消耗转子质性运转的动能来进行制动的,所以称为能耗制动,又称动能制动。
2)单向启动能耗制动自动控制线路
①无变压器单相半波整流单向启动能耗制动自动控制线路
如图3-12-7所示线路采用单相半波整流器作为直流电源,所用附加设备较少,线路简单,成本低,常用于1OkW以下小容量电动机,且对制动要求不高的场合。


对于10KW以上容量的电动机,多采用有变压器单相桥式整流能耗制动自动控制线路,如图3-12-8所示,其中直流电源由单相桥式整流器VC供给,TC是整流变压器,电阻R是用来调节直流电流的,从而调节制动强度,整流变压器一次侧与整流器的直流侧同时进行切换,有利于提高触头的使用寿命。其电路工作原理请读者自行分析。
能耗耗制动的优点是制动准确、平稳,且能量消耗较小。缺点是需要附加直流电源装置,设备费用较高,制动力较弱,在低速时制动力矩小。因此能耗制动一般用于要求制动准确、平稳的场合,如磨床、立式铣床等的控制线路中。

能耗制动所需的直流电源一般用以下方法进行估算,其估算步骤是(以常用的单相桥式整流电路为例):
(1)首先测量出电动机三根进线中任意两根之间的电阻R(Ω)。
(2)测量出电动机的进线空载电流IO(A)。
(3)能耗制动所需的直流电流IL(A)=KIO,所需的直流电压UL(V)=ILR。其中K是系数,一般取3.5~4。若考虑到电动机定子绕组的发热情况,并使电动机达到比较满意的制动效果,对转速高、惯性在的传动装置可取其上限。
(4)单相桥式整流电源变压器二次绕组电压U2(V)和电流I2(A)有效值分别为:
