现在手机人为故障中,摔伤和进水占据了维修的很大一部分。长期做维修的朋友们,对于此类故障,都有了自己独特的维修方法。耗时耗力的维修你们有没有?很多时候,赚钱已不再是主要目的,今日给大家分享一位店主的故事。
今天店铺来了一位小姑娘,手持一台OPPO R9S。她说:“叔叔,帮忙看看手机,摔了一下就不行了。”接过手机,测试了一下,可以开机,但是屏幕没显示,呼入电话正常。店主很自信,搞定不显示,基本上问题就可以排除了,给小姑娘报了两个价格,更换屏幕价格和维修主板价格。小姑娘说“叔叔,帮忙修一下,价格算便宜点,以后会常来你们家的。”
小孩子的机器,我们都不好意思开高价,直接拆机开搞。
拆开机器后发现,摔的还是蛮严重的。

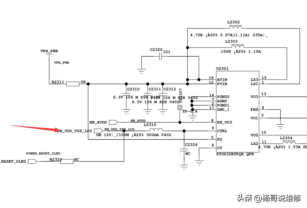
仔细观察发现U2301已经裂了,找到一个同型号的更换。更换后,试机故障依旧。看来问题没有我们想象的那么简单了,本以为换个显示供电就可以搞定了。


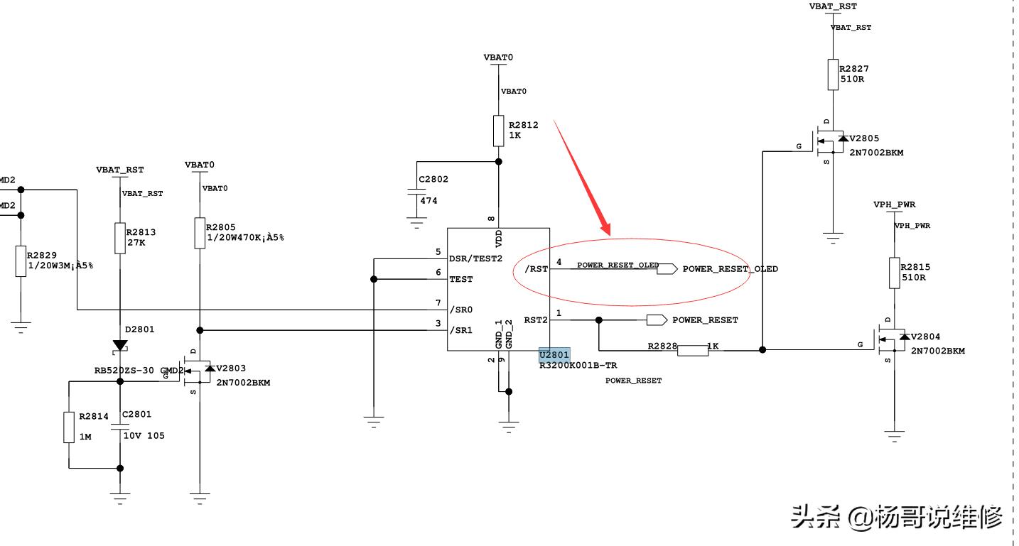
测U2301的9脚并无1.8V,此脚为显示屏的启动信号,机器正常时应该有一个1.8V的工作电压,此时电压丢失就无法让U2301正常工作。正常情况下,装上屏幕,此脚送来一个启动信号。问题找到了,我们就开始顺藤摸瓜,看看是谁提供了这个启动信号的供电。打开图纸,进行搜索,发现此供电来自U2801的4脚。

先来测量一下U2801主供电是否到位,通过测试,一切正常。但是再去测量U2801的4脚时,发现没有正常的1.8V,看来问题就出在U2801上了。


此时,已没了耐性,小姑娘等了很久了。直接更换U2801测试。换新U2801后,测量其4脚,供电正常了。不用测就知道U2301的9脚供电也正常了。直接装上屏幕测试,熟悉的屏显出现了。经过装机测试,没有其它问题。机器可以交差了,店主说耗时一下午。

几分钟就把故障的维修过程讲完了,实际的维修却花了很长时间,不少朋友们在维修时,感觉理论用上的不是非常多,就有一种误解,理论用处不大,其实,我们在实战维修中,不经意就用到了理论知识,只是我们没有那么深的感触而已。越是维修高手越会感觉理论的重要性。 我们买的起好工具,练就一手好手工,没有理论的指挥,也会常乱阵脚。只有理论和手工的高度融合,才会让我们的维修游刃有余,轻松而快乐。
小姑娘的期盼成了店主坚持下去的动力,消耗再长的时间,都感觉非常的值,这已经不单单是赚不赚钱的问题了,是对客户信任的一种承诺。
这个师傅不仅对维修有种执着,对进店的每一位客户都能当朋友对待,诚心为之,确实不简单。我们常说,店铺不光有维修,还要有运营,*管双**齐下,所向无敌,店主的生意一定会红红火火。
这里是杨哥说维修,祝愿朋友们的理论知识越来越精进,没有难修的机器。欢迎大家在留言区说出你的困惑让我们一起交流,也欢迎朋友们加入“杨哥说维修交流群”一起探讨维修中的疑惑和乐趣,同时欢迎大家私信我们讲讲你的维修故事,让我们一起在维修的海洋中寻找快乐。