一辆行驶里程约16.9万km、搭载型号为L FA11阿特金斯2.0发动机的2017年九代混动雅阁轿车。车主反映:该车在行驶过程突然出现仪表指示灯闪烁,减速靠边停车后再次启动时发现仪表盘黑屏且多个故障指示灯点亮,且发动机无法启动。
故障诊断:接车后,打开点火开关检查发现,仪表盘上的防盗指示灯和挡位指示灯闪烁,且出现胎压监测、电力、变速器、坡道辅助、智能钥匙、高压蓄电池(电量不足)等系统的故障提示信息(图1)。

通过仪表自诊断和MICU自诊断发现牵引电机控制单元内存有故障码U0111,但F-CAN和B-CAN通讯正常(图2)。连接广汽本田HDS对车辆进行检测,发现多个系统内存有很多故障码(表1)。


执行故障码清除操作,诊断仪数据表显示该车辆处于行驶状态无法清除故障码,且显示车速为255km/h(图3)。

明明车辆处于静止状态,但数据流中的车速却显示255km/h,导致这种异常的可能原因有:PCM故障、PCU故障、仪表盘故障、无钥匙控制单元故障、E-CVT内部故障、VSA调制器故障、高压蓄电池内部故障、相关线路故障等。
根据故障码U0111的维修指引(图4)要求,测量PCU的5号端子与CAN的14号端子、PCU的6号端子与CAN的15号端子之间的导通情况,实测均处于导通状态,按照维修步骤需更换PCU。故障车型上的PCU(图5)将高压蓄电池作为动力来源,用于驱动发动机,并且通过发电机的电力为高压蓄电池充电。


由于该车型是属于新能源车辆,有些零件无法通过互换的方式进行测试。其它的故障码检查方法与U0111雷同,也是需要进行零部件互换测试。此时,故障诊断陷入僵局。之前提到,车辆静止状态时,诊断仪数据流上却显示车速为255km/h,我们都知道传统汽车的车速信号是由变速器上的车速传感器提供的,电脑根据车速传感器输入的脉冲信号转变成与车速成比例的电流信号使仪表指针偏转,最终在仪表上指示出相应的车速,混动汽车的车速是也通过传感器的信号先反馈到PCM,然后再到组合仪表(图6)。

根据电子维修手册提示的检测步骤进行排查,断开PCU。E-CVT变速器上相关联的插头,故障依旧。导致里程表不工作或工作异常的可能原因有:牵引电机位置传感器磨损或损坏、牵引电机位置传感器线路故障、电机传感器线束故障、牵引电机位置传感器安装失败。
故障车型的高压蓄电池由72个狸电池构成,单个电池电压为3.6V,总电压为259V。正常情况下,高压蓄电池实际电压低于总电压5%左右时,高压蓄电池状态监视器单元会出现警示,强制发动机驱动给高压蓄电池充电。故障车的故障原因已经很明确:某个线路故障使得HDS数据表中车速显示255km/h导致故障码无法清除,从而使得高压蓄电池长时间处于耗电状态,单个电池电压下降到1.4V上下,总电压为130V(图7),只有正常值的40%左右,无法驱动车辆。

也就是说,当下关键是找到车速信息错误的根源。询问同行,都没有遇到类似问题。咨询厂家技术服务科,建议断开所有与故障相关的模块插接器,再查看车速数据。断开所有相关插接器后故障依旧,车速数据没有任何变化。由于当时找不到同款车型,无法采用“零件互换”的方法进行检测。询问厂家是否有充电器可对高压蓄电池进行充电,得到的结果依然是否。此时故障诊断工作再次陷入僵局。
再次对PCM插接器进行断电测试,当断开插接器、打开点火开关时,意外发现冷却风
扇一直常转。正常情况下,冷车状态下冷却风扇是不会运转的,故障车为什么会出现这种情
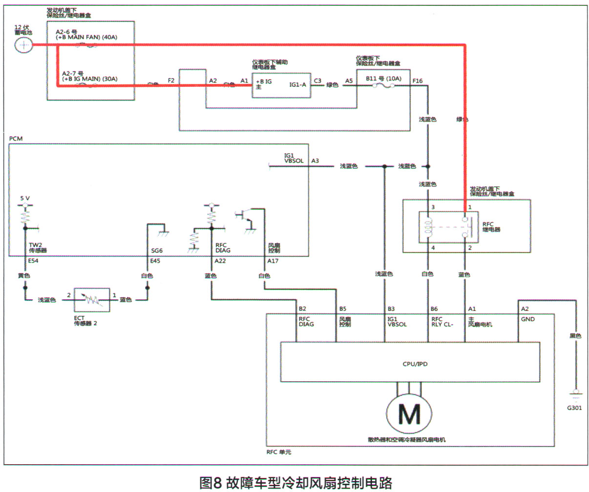
况?带着这个问题,查阅故障车型冷却风扇控制电路(图8)和继电器控制电路(图9)。从图中可以看出,当12V蓄电池电源连接至端子B3、车身搭铁连接至端子B1时,端子A1和C3(或B7)之间应导通;电源断开时,端子A1和C3(或B7)之间应不导通。


另外,从电路图中可以看出,B11号熔丝与B9、B10、B12、B13、B24号熔丝是并联关系,如果B11号熔丝上出现了+B电源,整车电路就会出现混乱,所有控制单元的数据就会改变初始状态。所有相关联的IG电源变成了多个+B电源,汽车就会出现工作不正常耗电等现象。通过检查发现,故障车继电器盒C3号脚上外接了一条+B电源到熔丝盒A5号脚上(图10),这使得整个控制电路发生了改变,导致整个电路不正常。

拆掉外接线后,重新连接诊断仪HDS进行数据读取和故障码的清除,车速数据变为0(图11),正常。至此,故障诊断已有眉目,故障原因是由于车主加装用电器对线路进行了改装,从而导致电路出现混乱,仪表上出现了很多故障指示灯点亮,高压蓄电池电量异常损耗而无法驱动发动机。

经过一番周折,找到同款正常车型,对高压蓄电池进行互换测试。互换高压蓄电池后试车,故障车的全部故障消失。在征得厂家及车主同意后,订购并更换高压蓄电池(图12)后试车,正常;检测单个电池电压数据流如图13所示,正常,该车故障被彻底排除。


维修小结:
通过本案例,笔者有以下几点心得想与同行分享:
1.在进行故障诊断时,一定要熟练掌握车辆的控制逻辑;
2.要熟练掌握原厂诊断工具的使用方法和技巧,如:仪表自诊断可以检查B-CAN、F-CAN的通讯和仪表板上指示灯,通过MICU自诊断也可以检查B-CAN故障码等;
3.认真观察仪表指示灯所提供的故障信息等;
4.认真排查每一步,并仔细分析电路走向及控制逻辑;
虽然在维修过程中会遇到很多困难和障碍,即使按照电子维修手册进行排查也会重重困难,但维修技术人员一定要思路清晰,认真进行逻辑分析,努力缩小故障范围,相信最终的结果一定将是完美的。