疫情之下,很多人面临失业工作难找,部分人空闲在家,近期我们接到网友的留言想在家自学下手机维修技术,以后不论是找工作或者是自己开店创业都会有个有力保障,学习一门技术提高自己的竞争力,指南舟接下来将持续为对手机维修感兴趣的小伙伴整理输出手机维修相关的知识,涉及各个手机故障问题解决、配件更换、主板电路认识、故障排查、动手实操、行业话术、店铺运作等内容一一为大家做一个详细的学习系列文章,敬请大家持续关注阅读并学习。

九、总线电路介绍(上接第八篇:手机复位电路介绍)
总线的概念
1,它是连接各个芯片中各有关部件的各种公共信号线。
2,是芯片中用来传送信息代码的公共通道。是芯片之间传递指令代码和语言沟通的载体。
手机总线的分类
1,cpu控制总线:I2C总线,
2,硬盘控制总线:IO总线,PCIE总线
3,基带控制总线:RFFE总线
4,音频控制总线:I2S总线
5,wifi芯片总线:UART总线
6,其他类总线:SPI总线等等
I2C总线概述
I2C总线技术可以使系统的硬件设计大大简化、系统的体积减小、可靠性提高。同时,系统的更改和扩充极为容易。
I2C总线是PHLIPS( 飞利浦)公司推出的一种总线,是具备多主机系统所需的包括总线裁决和高低速器件同步功能的高性能总线。
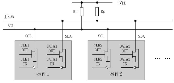
I2C总线的组成结构
I2C总线只有两根双向信号线。
一根是数据线SDA,传送数据信号
另一根是时钟线SCL,传送时钟信号
这两根线通过上拉电阻R连接电源

I2C总线的传输
1,寻址的概念:cpu用来查找芯片的地址位置信号
2,I2C总线寻址:I2C总线寻址每个接到I2C总线上的芯片都有唯一的地址。
3,发送器与接收器:cpu与其它芯片间的数据传送是由cpu发送数据到其它芯片,这时cpu即为发送器。由总线上接收数据的芯片则为接收器。
4,I2C总线的起始信号和终止信号:
时钟SCL信号线为高电平期间,数据SDA信号线由高电平向低电平的变化表示起始信号,也就是cpu给芯片发送指令的开始信号。
时钟SCL信号线为高电平期间,数据SDA信号线由低电平向高电平的变化表示终止信号,也就是cpu给芯片发送指令发送完毕的结束信号


上拉电阻

IC2的传输速率

苹果6代I2C总线

苹果IPAD3代I2C总线

苹果6代硬盘IO总线

苹果6S硬盘PCIE总线
指南舟手机主板维修原理技术交流,未完待续!关注我,了解指南舟更多专业级维修知识及视频!
另外,有对手机维修感兴趣的朋友留言“学习资料”可免费赠送电子档手机维修学习资料一份!