
车辆信息
一辆2009年产捷达伙伴轿车,搭载BJG发动机,行驶里程3万KM。
故障现象
用户反映该车仪表板上的废气排放灯报警,但行驶中无异常感觉。
故障原因
发动机控制单元故障导致废气排放灯报警。
故障诊断
1、维修人员检测发现发动机故障码:16724 - 凸轮轴位置传感器电路故障;
2、在发动机怠速运转时读取01-08-12组3区和4区数据,它们均为0,异常。这2个数据的含义及正常值见下图1所示:

图1 凸轮轴位置数据
它们分别表示凸轮轴的2个特定位置,这种情况说明发动机控制单元未能得到凸轮轴的位置数据;
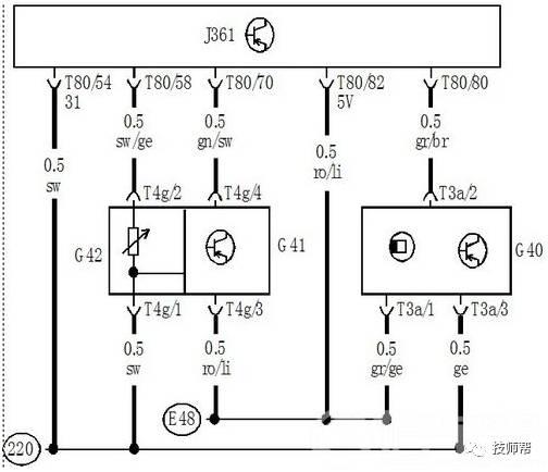
3、查阅电路图图2所示,凸轮轴位置传感器G40的T3a/1脚为供电端,T3a/3脚为控制单元内部搭铁端,T3a/2脚连接控制单元的T80/80脚,向发动机控制单元提供信号;

图2 电路图
4、用故障诊断仪的波形测量功能测量T80/80脚的信号波形,发现波形为非周期脉冲(图3),脉冲幅度仅为2.55V。发动机正常运转时,该信号波形应为周期脉冲,脉冲幅度应为5V;

图3 凸轮轴位置传感器信号异常波形
为找到波形异常的原因并划清故障范围,维修人员断开G40插接器,此时T80/80脚的波形为2.5V直流电压。凸轮轴位置传感器为霍尔器件,可以把它视为具有导通和截止的2态开关,线路的断开模拟了凸轮轴位置传感器的截止状态,截止状态时信号的电压直接反映了发动机控制单元T80/80脚的输出电压,其标准值应为5 V,而此时仅为2.5 V,由此可见故障在发动机控制单元内部。
故障排除
更换发动机控制单元,再次测量上述信号(图4),波形为周期性方波脉冲信号,正常,故障排除。

图4 凸轮轴位置传感器信号政策波形
技师帮(微信搜索“技师帮”即可),免费查阅各汽车品牌维修手册及电路图,更有在线提问功能,技术总监一对一进行回答~
如您是车主,请联系技师帮小草(微信号:youranqwe),有汽修专家为您的爱车诊断!
如您是汽修技师,请联系技师帮小花(微信号:practicezx1),让小花带您与全国上万名汽修技师交流学习!