【哔哥哔特导读】智能变频水泵是维持水族箱环境健康稳定的重要设备,同时它也是保障流动的水质的循环性,使鱼儿的观赏性达到最佳状态。本期《半导体器件应用》杂志便对一款来自创宁智能变频水泵CN-8300 进行拆机图解,从节能、高效、静音的角度看看一款合格的水泵到底需要哪些器件设计?哪些器件技术品质能带来的体验。
“子非鱼,安知鱼之乐?”“子非吾,安知吾不知鱼之乐?”
这是一段出自于《庄子﹒秋水》寓言中的对话,记录了当时庄子与惠子在濠梁桥上赏鱼时发出的哲学辩论性“抬扛”过程。俩人从最初的漫步游玩到观察鱼儿所引发的头脑风暴,反映了他们关注的表达方式始终是流动变换的。
然而,相较于古代人临水赏鱼的滔滔不绝,现代人的赏鱼表达方式却更为含蓄和多样化,例如人们不仅喜欢捣鼓其周边产品,还会注重在配件技术上所带来科技感。伴随着科技的发展,这种喜好更逐渐从单一容器向机械电子化鱼类生态系统演变。如今,一个现代化的鱼类生态平衡系统水族箱里,科技产品的成本占比已高达60~80%,而鱼类的成本只占20%左右。由此可见现代人对于科技设备的重视程度。
目前可知的是,基础版的生态水族箱中就包括有:过滤循环系统(水泵、过滤器材等);照明系统(灯管);恒温系统(加热棒、温度计等);监测系统(水质传感器等)。其中过滤循环系统被誉为水族箱的心脏,过滤循环系统加上水泵,可以带动整个水循环,是维持水族箱环境健康稳定的重要设备,同时流动的水质也能使鱼儿的观赏性达到最佳状态。
本期《半导体器件应用》杂志便对一款来自创宁智能变频水泵CN-8300 进行拆机图解,从节能、高效、静音的角度看看一款合格的水泵到底需要哪些器件设计?哪些器件技术品质能带来的体验效果?
水族箱水泵的工作原理
水泵是一种由泵装置和电机一体化设计的输送液体的机械设备,一般是由泵体、扬水管、泵座、潜水电机和起动保护装置组成。在水泵工作运转之前,吸入管和泵内需要充满液体,当电机开始工作运转后,叶轮通过高速旋转,带动设备中的液体随着叶片一并旋转,在离心力的作用下,飞离叶轮向水族箱*射内**出,接着液体在泵壳内扩散速度会逐渐减慢,压力逐渐增加,最后再从泵口的排出管排出。
智能变频水泵的区别
在外观设计上,智能变频水泵与普通的水泵区别并不大,但变频电机需要考虑电机运行到低转速时的散热问题,需要性能更为优越的控制器实现智能控制、降低成本的效果。此外,两者电机的差别还体现在功能、尺寸、扭矩、精度以及速度等几大方面。
一、产品外观展示

纸箱包装,采用白蓝简约配色,印有创宁品牌与Slogan

包装正面印有产品具体型号及基本外观

包装内含有水泵机体、控制器和使用说明书水泵电源线长2.7米,智能控制器线长2米

创宁CN-8300智能变频功率为13W,水泵体积中规中矩,属于传统卧式结构设计,产品的长度为17cm,宽度为7cm,高度为9cm(手工测量,存在±1mm误差);外部采用ABS塑料材质,具备良好的耐水性,可防止无机酸碱盐的侵蚀。

水泵底部一览

输入端外壳表面标有水泵参数信息功率:13W电压:220V-240V,电源频率:50HZ水泵最大流量:3m水泵最大液量:2000L/H

尾部滤水网

(配件一览)出水接口螺母、出水接口、O型密封圈

控制面板正面一览,包括:造浪、喂食、档位、运行等4个功能键

控制面板背部一览
二、产品拆解部分
A.电机
第一步:逆时针旋转取下尾部滤水网与水泵盖螺母,接着使用刮片沿着水泵输入端外壳与泵体的缝隙撬开,便可取下外壳盖;
第二步:由于底部无从入手,所以使用螺丝刀*力暴**分离底座与水泵机体;
第三步:同样是无从入手,所以使用螺丝刀从边角位置*力暴**分离叶轮室与水泵机体;
第四步:由于上一步叶轮室已拆开,只需手握转子的一头轻轻向外拉,便可取出整个转子组件;


水泵组件一览

封闭式叶轮与转子组件

底座与四个橡胶垫一览
电机部分
散热和静音一直以来都是电机性能两个非常重要的参考指标,目前越来越多水族箱产品都趋向于采用直流无刷电机,因为去掉碳刷后,大大减少了电机在运转时的摩擦力,而且在设计方面还会特别在底座下配置加厚的减震橡胶软垫,减少工作时震动产生的噪音,实现高效的降噪。
不仅如此,在高效率、环保等质量标准的要求下,使用直流无刷电机的设计会容易通过机构检测审查;另一方面则是提高了产品在工作时的整体效率,同时还降低了产品开发与后期维护的成本。
另外,该款智能变频水泵CN-8300 采用纯铜无刷电机,在耐用性和动力性上要比普通电机更好,相较传统铝转子电机,它具备了九大优势包括有:损耗低、效率高、温升比低、可靠性高、震动幅度小、噪音低、低成本、体积小、重量轻。
转子组件方面,采用了陶瓷轴芯,属于高耐磨材质,高转速磨损量极低,有利于提高工作速度,并达到较高的精度。使用寿命是传统金属钢轴的10倍以上,同时由于重量轻,高速转动时对外圈的离心作用可降低50%,进而在使用寿命大大延长。适宜于在海水、腐蚀恶劣和温差变化较为剧烈的条件下作业。
B.控制器
第一步:用螺丝刀卸下其背部四颗固定螺丝;
第二步:分别卸下PCB板表面角落的四颗固定螺丝;
第三步:PCB板上仍有两颗自攻螺丝,分别卸下,便可取下固定在芯片上的铝散热片;

PCB板正面一览

PCB板背面一览
主控面板部分正面
由于该款产品主控芯片缺乏标识,所以无法得知品牌与型号。通过对比三款同样功率的水泵主控芯片产品供大家参考。
① 兆易创新 GD32E230C8T6 系列,芯片架构为ARM最新的Cortex-M23内核,主频高达72MHz,配备了64KB的嵌入式闪存及8KB的SRAM,配合内置的硬件乘法器、除法器和加速单元,在最高主频下的工作性能可达55DMIPS,CoreMark测试可达154分。同主频下的代码执行效率相比市场同类Cortex-M0产品提高40%,相比Cortex-M0+产品也提高30%以上。
芯片集成了1个支持三相脉宽调制PWM输出和霍尔采集接口的16位高级定时器和多达5个的16位通用定时器、1个16位基本定时器,1个高速轨到轨输入/输出模拟电压比较器,1个12位2.6M SPS采样率的高性能ADC。适合各种电机控制和变频应用。
方案特点
◆ 采用最新超值Arm Cortex-M23@72MHz内核
◆ 快速找准转子位置,实现500ms快速启动
◆ 少斩波控制,降低温升
◆ 高载频降低噪音
◆ 转速智能控制
◆ 具有最大功率运转限制功能
◆ 多种运行模式
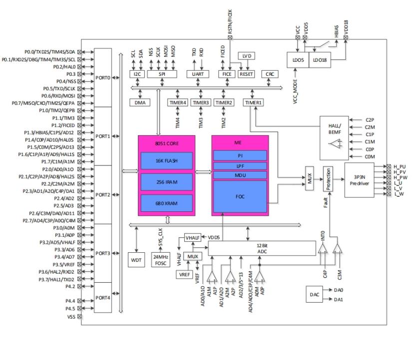
② 峰岹科技 FU6832系列,该芯片一款集成电机控制引擎(ME)和8051内核的高性能电机驱动专用芯片,ME集成FOC、MDU、LPF、PI、SVPWM/SPWM等诸多硬件模块,可硬件自动完成电机FOC/BLDC运算控制; 8051内核用于参数配置和日常事务处理,双核并行工作实现各种高性能电机控制。其中8051内核大部分指令周期为1T或2T,芯片内部集成有高速运算放大器、比较器、Pre-driver、高速ADC、高速乘/除法器、CRC、SPI、I2C、UART、LIN、多种TIMER、PWM等功能,内置高压LDO,适用于BLDC/PMSM电机的方波、SVPWM/SPWM、FOC驱动控制。

FU6832L 功能框图
FU6832的有感启动无感运行FOC应用特点
◆FOC固化,运行速度快
◆控制精度和效率高
◆静音效果好
◆启动特性好
◆最低转速更低
◆硬件电路简单
应用场景
无感/有感的 BLDC/PMSM、三相/单相感应电机、伺服电机。
油烟机、室内机、吊扇、落地扇、吸尘器、电吹风、工业风机、水泵、压缩机、电动车、电动工具、航模等。
③ 灵动微MM32SPIN222Cqa系列,该芯片是使用高性能的 ARM® CortexTM-M0 为内核的 32 位微控制器(MCU),内嵌三相半桥栅极驱动器与 MOSFET。MCU 最高工作频率可达 96MHz,内置高速存储器,丰富的增强型 I/O 端口和外设连接到外部总线。 MM32SPIN222C 系列包含 1 个 12位 ADC、 4 个 16 位通用定时器、1 个 32位通用定时器、1 个高级 PWM 定时器,还包含标准的 UART 通信接口与特有的单线双向通信接口。
内建 LDO 线性稳压器提供 5V 电压,适合为 MCU 和外部组件供电。 MM32SPIN222C 产品系列输入电压为 3V ~ 15V,最大连续供应电流为 1.5A,具有过温保护和欠压锁定保护功能,可以进入待机模式,保证低功耗应用的要求。
此外,据灵动微向半导体器件应用网透露,Mind SPIN系列MCU产品是针对直流无刷电机驱动所量身打造。如果是应用于小功率12V的鱼缸水泵产品,该款SPIN222C 集成了三相MOSFET、预驱以及LDO,可以在小空间内发挥最大的功能。

MM32SPIN222C 内部 MCU 模块框图

虽然标识有点模糊,但从略显痕迹的商标中可发现,该器件是属于士兰微电子的电源管理芯片。笔者通过器件产品库对比,该型号为士兰微SDH8302S系列,是用于开关电源的内置高压 MOSFET 的电流模式 PWM 控制器。
主要特点:
内置高压启动电路。在轻载下会进入打嗝模式,从而有效地降低系统的待机功耗。具有降频功能,进一步优化轻载条件下的转换效率。具有抖频功能,能够改善 EMI 特性。具有软启动功能,能够减小器件的应力,防止变压器饱和。有 VDD 打嗝功能,不仅防止 VDD 欠压重启,也有效地降低待机功耗。
同时,内部还集成了各种异常状态的保护功能,包括:VDD 欠压保护,VDD 过压保护,前沿消隐,输出短路保护,过流保护,过温保护等。且保护后,电路会不断自动重启,直到系统正常为止。
应用 离线式开关电源非隔离升压降压转换器小家电

两颗鲁光电子的快恢复二极管LGE RS1M系列,最高等级和电子特性为25℃环境温度、单相,半波,60Hz,电子或感应负载,对于电容式负载,可使电流减少20%。
目前快恢复二极管广泛用于PWM脉宽调制器、开关电源、不间断电源(UPS)等领域,而且它具备具有开关特性好、反向恢复时间短、耐压高、正向电流大、体积小、安装简便等优点。

线性稳压芯片7559-2

R250贴片电阻(通用型)

一组3位LCD数码管
主控面板部分背面

铝散热片由两颗自攻螺丝固定在芯片上

铝散热片 中间涂有导热硅脂

铝散热片下方为晶丰明源的三相全桥驱动模块BPP 10250DS系列,新一代三相电机驱动模块,主要为小功率电机驱动应用提供高效可靠的逆变器解决方案。
该模块内置的栅极驱动(HVIC)基于智能驱动技术,采用优化的栅级电阻选项提升EMI 性能和改善功耗,同时提供欠压保护(UVLO)和温度感测(TS)功能。内置6个快恢复MOSFET和3 个自举二极管(BSD)简化了PCB 设计。每一相独立的负直流端子,支持各种保护机制和控制算法。
特性
◆内置 6 个 500V Rds(on)=3.3Ω(Max)快恢复 MOSFET ◆内置高压栅极驱动(HVIC),单电源供电,包含欠压保护(UVLO)以及 HVIC温度感测功能
◆内置自举二极管(Bootstrap Diode),简化系统设计
◆高电平有效,3.3/5V 施密特触发器输入
◆优化并采用了低电磁干扰设计
◆绝缘级别 1500Vrms/min

圣融达的红色MPP金属化聚丙烯膜电容器 104J耐压630V

→共模电感 其主要作用是隔离共模信号,衰减外部共模干扰,滤除EMI干扰,从而降低对电源的影响。


→两个圣融达的金属化聚丙烯膜抑制电磁电源干扰用方块电容器MPX /MKP–X2,104K额定电压为275V。特点:外观一致性好;有良好自愈性;抗湿性强;能承受大电流;寿命长,耐过电压优良。

CD110X铝电解电容
需要说明的是,据华威电子向半导体器件应用网透露,该款电容器并不是出自华威电子产品系列,属于商标被盗用行为。

尼吉康(Nichicon )CS 系列铝电解电容器,电容值为68µF,电压为400V,具有10000小时负载寿命。CS系列具有宽温度范围、200到450V的额定电压范围及高波纹电流。

Nichicon CS系列铝电解电容器

ZOV压敏电阻,直径10mm,电压为470V

NTC热敏电阻,10Ω,直径11毫米,用于抑制电源浪涌电流

方型延时保险丝,1.6A

KBP307直插式整流桥

全部拆解完毕
半导体器件应用总结
半导体器件应用网通过拆解了解到,该款智能变频水泵通过集成诸多硬件模块(参考替代MCU型号)、PWM信号控制、无传感器三相智能驱动模块、高压MOSFET以及电容电阻等架构组成。
首先在变频方面,替代型号的MCU可确保支持精确的电机位置检测,通过PWM占空比的控制,调整占空比的大小来控制电流大小,达到控制转矩和转速的目的,提高电机运行效率,减少芯片外设元件的数量。
其次,利用了晶丰明源高效三相电机驱动电路来改变电机的转速,在相对更高转速度和更低转速度的情况下实现FOC控制,分别让电机中的转子有转动的趋势,而且在到达稳定之后或者之前;改变导通的两相,使得转子在该磁场下继续转动,从而实现电机的转动以及换向,使电机运行时更加安静与节能,据官方数据介绍,噪音分贝在35-40之间。
再次,在AC-DC电路中得益于士兰微的开关电源芯片,不仅提供高精度恒压和恒流输出性能,而且具有快速响应的电流限制功能,所以能够很好的确保电子元器件的安全和稳定。另外,在保护功能上,得益于各类的电容器件性能加持,使得该产品具备了堵转、无水、缺相、过压保护等功能。
正弦波控制的优势在于全程静音,调高水流量高速运转下具有更高的电机效率。不过,这也对于控制器技术及电子元器件的要求也就更高。现如今,基于上述结构的水族箱水泵系统设计越来越受市场欢迎,无论是从结构、功能、成本和可靠性等方面都可以为人们在鱼类观赏体验中增添一份技术性的趣味。
本文为哔哥哔特资讯原创文章,如需转载请在文前注明来源