缝纫机维修故障(一)断针故障
1.缝厚料断针
分析:机针过细或弯曲,缝料厚度不均,针杆窜动过大。
处理方法:换新粗针,适应放慢缝速并用手帮助送料,换新针杆或针杆套。

2.短针距不断针,长针距断针
分析:送布牙动作滞后、送布牙不合格、机针碰送布牙后端而断针。
处理方法:应调整送布凸轮的定位,适当缩短针距或换新送布牙。
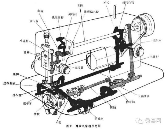
3.机针断在针板下面
分析:机针位置偏低,机针碰摆梭,梭床没装好,摆梭尖碰机针,摆梭托与机针端两面隙过小或过大,摆梭托碰针或失去护针作用。
处理方法:调整针杆或机针的位置,重新装摆梭,调整摆梭托与机针的端面间隙。
4.机针断在针板上面分析:手拉缝料过猛,致使机针弯曲,压脚螺钉松动,致使压脚歪斜碰机针,送布凸轮位移致使缝料拉断机针,缝料中有硬物使机针碰断。处理方法:加强操作练习,调正压脚拧紧螺钉,调整送布凸轮螺钉位置。
缝纫机维修故障(二)断线故障
1、第一针断线,断线头呈切割状。
分析:机针装反或机针没有装足,致使机针太低。缝料偏硬,机针偏细或压脚压力过大。
处理方法:检查机针的安装和针杆连接轴螺钉是否松动。更换机针或调整压脚压力。

2、缝线在断头两端呈卷曲状,并带有短须。
分析:夹线过紧或缝线在缝纫时发生拌绕。缝线被摆梭挤入梭床导向槽。缝线腐脆易打结,质量差,过线部位有毛刺。
处理方法:调换夹线片压力并检查过线线路排除拌绕。检查摆梭的磨损情况,必要时,更换摆梭。砂光过线部位,更换缝线。
3、缝料下部积线重,无法形成针距而断线,断线头马尾状。
分析:送布牙过低,缝料停止不前积线过多而断。送布与线步调不合被扎断。压脚,机针松动,阻碍缝料运行。
处理方法:抬高送布牙、调整送布凸轮定位角度、紧固压脚和机针螺钉。
4、缝纫中突然断线,面线有曲状波动。
分析:梭床位置没装好面线轧入梭床。梭心套末锁紧或缝纫中突然移位。摆梭质量差梭心簧过长或心套椭圆。
处理方法:重新调整梭床位置、重新安装梭、心套换摆梭。
5、缝纫中突然断底线。梭心套不合格,内径椭园。
分析:梭心套不合格,内径椭圆,致使梭心转动失灵。梭心簧螺钉拧得过紧,使梭皮压力太小。梭心绕线过满或过于松散杂乱。底线腐脆,有结头,使底心无法通过梭心簧。
处理方法:更换梭心套、旋松梭心簧螺钉、重绕梭心线、更换底线。
缝纫机维修故障(六)跳线故障
1、引不上底线。
分析:梭线太短、梭线夹于梭门、机针太高,摆梭无法勾住线环。
处理方法:拉长梭线、检查底线是否被卡住,并排除之。针杆连接轴坚固螺钉松动针杆上移,应下调针杆,重新对针,拧紧紧固螺钉。

2、针杆窜动。
分析:针杆孔、针杆磨损、针杆连接扎螺钉松动,针杆位移。
处理方法:调换针杆套,或选配新针杆、重新对针;并拧紧紧定螺钉。
3、过若干针跳一针线。
分析:摆梭磨损,摆梭尖太钝、机针太高或过低。
处理方法:换摆梭、调整针杆高度或机针高度,重新对针。
4、连续跳线或一针也不能缝。
分析:机针质量差或机针弯曲不能正常产生线环。机针太高,勾不住线环,缝料缝线机针三者配合不当。长期使用摆梭,摆床等零部件严重磨损或折。
处理方法:更换合格机针或校直机针。调整针杆或机针高度。一般情况下可更换摆梭或梭床,必要时进行大修。
5、缝薄不跳线,缝厚跳线。
分析:压脚压力不够、机针太细、勾线机构等零件严重磨损。
处理方法:调整压脚压力、换机针、更换零件,进行修理。
6、缝厚跳线,缝薄跳线。
分析:针板的容针孔磨损过大、机针太粗、压脚底部磨损,或压脚压力过小。
处理方法:更换针板、换细针、换压脚,换压脚,或调整压脚压力。
「实用干货」掌握这些技巧,你就是缝纫小能手 【教程】简单,易上手的多用拼布挂带
缝纫小贴士|细节让你的缝纫更精彩