5.1 结构要求
当需要操作人员从欧变内部操作元件时,应预留内部操作通道,该操作通道的宽度应为不小于800mm,且在任一设备开启位置、开关设备和控制设备突出的机械传动装置不应将通道的宽度减小到500mm 以下。
基座宜采用金属基座,应有足够的机械强度,以确保欧变在吊装、运输和使用过程中不发生变形和损坏。基座上需有至少4 个以上可伸缩式起重销,确保安全运输。
5.1.1 欧式箱式变电站结构要求:
a) 欧式箱式变电站由高压室、变压器室、低压室三个独立小室组成。其内部布置结构按标准设计 图纸要求设定。箱式变电站采用自然通风方式,自然通风条件下,在额定和1.5倍短时过负荷运行状态下的温升,应符合《国家电网公司输变电工程通用设备66kV及以下变配电站典型规范(2008版)》规定。箱式变电站内部应采取除湿、防爆和防凝露措施。站用电控制箱应具有照明、检修维护等功能。
b) 高压设备选用环网式或终端式开关柜;产品结构紧凑体积小、安装方便、性能可靠、少维护。 具有完备的“五防”联锁功能,联锁装置强度满足操作的要求。开关柜内套管、隔板、活门、绝缘件等所有附件应为耐火阻燃材料。负荷开关组合电器的熔断器安装位置应便于运行人员更换熔断器。负荷开关柜的面板应安装带电显示及核相装置,提供核相装置的型号与参数。核相器及操作手柄作为必备附件应每站一套。
c) 环网柜柜体钢板均应采用冷轧钢板或敷铝锌板,表面经过酸洗、磷化处理后静电喷塑,柜内的 安装件均经镀锌、钝化处理,提高“三防”性能。
d) 低压开关设备具体配置按具体方案图。
e) 欧式箱式变电站外壳可采用金属材料或阻燃性非金属材料制成的基座和外壳、隔板等。如采用金属材料时厚度不低于2mm,应经防腐处理,并喷涂防护层。防护层应喷涂均匀并有牢固
的附着力,保证30 年不锈蚀。如采用阻燃性非金属材料,材料的阻燃性应满足GB 17467-
2010 中5.102.2.2 的要求。欧变外部遮挡装饰层宜采用阻燃、耐老化、不易变形的复合材料制
成的装饰条。
f) 顶盖采用双层、斜顶结构,有隔热作用,减少日照引起的变电站室内温度升高,顶部承受不小 于2500N/m2负荷,并确保站顶不渗水、滴漏。
g) 变压器室的防护等级不低于IP33D,其他隔室的防护等级不得低于IP43;当欧变内的设备是由操作人员从外部操作时,高压开关设备和控制设备的外壳的保护级不低于IP42,内部隔室间的保护等级不低于IP2XC;低压开关设备和控制设备的外壳的等级不低于IP32D,内部隔室间的保护等级不低于IP2XC。箱体整体防护等级不低于IP33D,除变压器室外的其他隔室对外界的防护等级不得低于IP43D。各隔室之间的防护等级不得低于IP3X。
h) 电缆头:全绝缘全屏蔽、可触摸型冷缩肘型硅橡胶电力电缆头。
i) 环网柜上应配置嵌入式短路接地故障指示器。气体绝缘环网柜应配置带辅助接点的气压表。
j) 门不应高于1800mm,并应装有具有防盗、防锈、防堵功能的门锁。
5.1.2 美式箱式变电站结构要求:
a) 低压:0.4kV出线带电流互感器和低压开关等装置,具体出线回路及开关额定电流请参阅招标 提供的图纸,要求低压出线位置有绝缘隔离挡板。
b) 低压室:为保证安全运行,在箱式变电站门打开后,低压室带电部分必须有绝缘隔离,建议厂 家在低压室门框,面对低压出线部分设可移动的绝缘挡板,以便于施工。
c) 绕组直流电阻的平衡度:绕组直流电阻的平衡度以箱式变电站整体外部测试进行评价,绕组直 流电阻的不平衡度必须符合国家规范的要求。
d) 箱式变电站由全密封变压器、高压室、低压室组成。按其内部布置为品字形结构。箱式变电站采用自然 通风方式,预留考核表计和低压电流互感器安装位置。产品结构紧凑体积小、安装方便、性能可靠、少维护。全密封变压器油箱应进行油箱机械强度试验和密封试验,按GB/T 6451进行。
e) 箱内附件:应具备油位表、油压表、油温表、压力释放阀、加油阀、放油阀、电缆头挂板、接地螺栓、吊装钩等。
f) 电缆头:全绝缘,全屏蔽,可触摸型冷缩肘型硅橡胶电力电缆头。电缆进出线终端需设置避雷器。
g) 箱式变电站外壳:低压箱体外壳应采用高强度、防腐性能不低于S304 不锈钢或其他金属材料制作,厚度不小于2mm,其防护等级为IP33D。高压箱体外壳宜采用性能不低于Q235 的钢板制作,厚度不小于4mm(散热片除外),表面做防腐喷涂处理,并保证运行30 年不锈蚀。
h) 高压操作工具作为附件每站一套。
i) 高压配电装置应满足以下要求:
1)高压连接终端应采用可带电拔插的插接头。
2) 采用双熔断器保护,高压侧采用限流保护熔断器保护,二次侧采用插入式熔断器为双熔丝(温度、电流)。
3) 高压进线端应配备避雷器、故障指示器和带电显示器。
5.2 全部设备应能持久耐用,应满足在实际运行工况下作为一个完整产品一般应能满足的全部要求。
5.3 低压配置低压无功自动补偿装置,按变压器容量10%~30%配置电容器补偿容量,电容器采用干式自愈型低压电容器,系统停电5min以后自放电电压残压低于50V。采用分组分相投切方式。电容器自动控制器具备保护、测量、显示、控制等功能。无功补偿投切控制器、投切开关的技术参数应符合GB/T 14048、GB/T 13729的规定等。
5.4设备接线端子
a) 设备应配备接线端子,其尺寸应以满足回路额定电流及连接要求,并应提供铜质或不锈钢制造 的螺栓、螺帽及防松垫圈。
b) 接线端子的接触面应镀锡,160kVA及以上变压器套管端子要求配置旋入式接线端子并加装绝缘防护罩。
c) 设备应有专用接地端子,适合于连接。接地连接线应为铜质,其截面应与可能流过的短路电流 相适应。
5.5 接地
变压器主要接地点应有明显的接地标志。箱体中应设有不少于两个与接地系统相连的端子,需要接地的高低压电器元件及金属部件均应有效接地。接地导体上应设有不少于2 个与接地网相连接的铜质接地端子,其电气接触面积不应小于160mm2。接地点应有明显的接地标志。
5.6 箱式变电站内所有接线,包括一次、二次、接地都由投标人完成。
5.7 设备中所使用的全部材料应说明制定的品位和等级。
5.8 焊接
变压器内部焊接应由电弧焊完成,不得发生虚焊、裂缝及其他任何缺陷。
5.9 箱体外(不含基础)无外露可拆卸的螺栓,所有门轴必须采用不锈钢材料制作,所有锁盒采用户外铝合金锁盒。所有的门应向外开,开启角度应大于90°,并设定位装置,门的设计尺寸应与所装用的设备尺寸相配合。箱式变电站外侧立面应设置明显的安全警告标识和标志,如国家电网公司标识、带电危险、报修电话(95598)等。安全标识应符合国家标准要求,国家电网公司标识应符合国家电网公司标识应用手册要求。外壳有防贴小广告措施。
5.10 耐地震要求
设备及设备支座必须按承受地震荷载时能保持结构完整来设计。
5.11 铭牌
a) 箱式变电站的铭牌应清晰,其内容应符合GB 1984的规定。
b) 铭牌应为不锈钢材料,设备零件及其附件上的指示牌、警告牌应标识清晰。
5.12 运输和存放
a) 应避免在运输过程中受损,应可存放两年(如未另外说明存放期)。
b) 运输限制,长、宽、高等参见技术数据表。
c) 如因投标人措施不当,导致运输过程中设备受损,投标人应负责修复或替换,费用自负。
d) 箱式变电站运输包装应满足运输方的要求。
e) 在运输过程中需保持设备内部和外部的清洁。
5.13 其他要求
a) 箱式变电站在使用寿命期内,用户按正常条件使用产品,产品不会因温度变化导致设备出现任何损伤。
b) 产品阻燃性好,绝缘材料具有自动熄火的特性,遇到火源时不产生有害气体。
4 附图
附图1:欧式箱变,400kVA,环网型 电气接线图

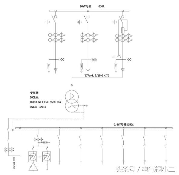
附图2:欧式箱变,500kVA,环网型 电气接线图

附图3:欧式箱变,630kVA,环网型 电气接线图

附图4:欧式箱变,400kVA,环网型 10kV系统配置图

附图5:欧式箱变,500kVA,环网型 10kV系统配置图

附图6:欧式箱变,630kVA,环网型 10kV系统配置图

附图7:欧式箱变,400kVA, 0.4kV系统配置图

附图8:欧式箱变,500kVA, 0.4kV系统配置图

附图9:欧式箱变,630kVA, 0.4kV系统配置图

附图10:欧式箱变,低压组屏 电气平断面图

关注*今条头日**:电气桐小二
每天带来电气知识,找资料不容易,求转发,求点赞,一起学习!