单级蒸气压缩式制冷循环工作原理:
基本组成部件:压缩机、 冷凝器、 节流阀、 蒸发器。

基本空调循环(HFC134a):

对于蒸气压缩式制冷,其工作原理就是使制冷剂在压缩机、冷凝器、节流阀和蒸发器等热力设备中进行压缩、放热、接流和吸热四个主要的热力过程,以完成制冷循环。
冷水机组系统流程图:

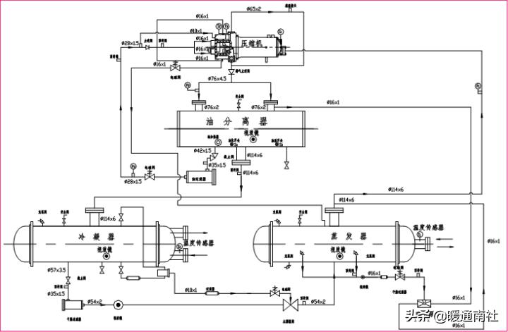
风冷热泵机组系统流程图:

常规离心式冷水机组:

蒸发器:结构:均液板、均气板、封盖、铜管和壳程。
部件功能:
均液板使进入蒸发器的液态制冷剂均匀的分布在蒸发器的低部,减缓流速。
均气板减缓气态制冷剂进入吸气口速率,再者用于气液混合物中液态制冷剂分离,避免机组带液损坏叶轮。
铜管用于制冷剂和载冷剂换热,其表面平缓,没有较凸起的锯齿。
封盖用于密封容器换热器边侧,防止泄露。
冷凝器:结构:均气板、均液板、铜管、封盖和壳程。
部件功能:
均气板将压缩机的高压排气均匀的分布的冷凝器的顶部,同时减缓气流的速度,是气态制冷剂在冷凝器内有效的冷凝成液态制冷剂。
均液板使冷凝后的液态制冷剂能缓慢而有稳定的进入冷凝器的出液液管,同时使制冷剂有效的过冷。
铜管用于制冷剂与载冷剂之间换热,其表面有凸起的锯齿。封盖用于容器的密封。
热力膨胀阀的功能:
节流降压:当高压常温的制冷剂液体流过膨胀阀后,变成低温低压的制冷剂液体流入蒸发器迅速蒸发,从而实现向外界吸热的目的。

控制流量:膨胀阀通过感温包感受蒸发器出口处制冷剂过热度的变化来控制阀的开度,调节进入蒸发器的制冷剂流量,使其流量与蒸发器的热负荷相匹配。
当蒸发器热负荷增加时阀开度也增大,制冷剂流量随之增加,反之,制冷剂流量减少。
控制过热度:膨胀阀具有控制蒸发器出口制冷剂过热度的功能,既保持蒸发器传热面积的充分利用,又防止吸气带液损坏压缩机的事故发生。
带有先导阀的热力膨胀阀的结构:

空气开关:

相序保护器功能:
A、B、C功能:动态断相、静态断相、电压不平衡、错相、过压、欠压监测;a、b、c 功能:动态断相、静态断相、电压不平衡监测。
四通阀:







油冷却器管路:
水冷油冷却器:冷却器连接的水管、水过滤器(40目)、电磁阀、排放阀或水塞等均应在现场按图纸要求安装,其冷却器的水源可能是内部水源(冷冻水)也可以是外部水源(自来水)。
机组油路冷却流程图(内部水源-冷冻水):

如果采用冷冻水作为油冷却器冷却水水源时,冷却水管一般要跨接在水泵的进出水两端,这样水泵工作时将其全部压差加在油冷却系统上,这种方法在大多数系统中使用。但有一些安装要求油冷却水管跨接在蒸发器的进、出水管上,此时通过蒸发器的水压降大于油冷却器冷却水路的水压降来提供水能,此冷却水路压降应包括所有组件和管路中的损失。
在油冷却系统油温的控制上,采用热平衡自动调节阀,它是通过油温的大小自动调节管路中的水流量保证了油温的稳定性,调节是根据压缩机轴承的供油温度(在32℃-43℃范围之内),自动调整油冷却器的水流量,此调节阀是由一个装在供油管上的温度传感器来控制的。对于只靠制冷剂来冷却润滑油的冷却器系统机组,则不需要此类热平衡调节阀。
采用冷冻水作冷却介质时,油冷却器的供油温度应取下限值,不过开机之初,温度可能会偏高。
切勿将油冷却器的管道与单流程的蒸发器并行组合在一起,以免油冷却器水量不足。
注意:油冷却器的进水温度不得超过32℃。
安全排空管道:
作为安全措施,每台冷水机组在容器(如蒸发器和冷凝器)上均有安全阀,以便容器内压力过高时向大气释放,减低容器压力。如果地方法规有要求,那么在安全阀上要接一排空管通室外。
注意:管道连接前,要去掉阀内的塑料塞(如果有的话),管道联接按地方要求办;如果没有地方标准,建 议按ANSI/ASHEAE15-1987标准执行。
冷凝器上装有一个三通截止阀,此阀上装了两个安全阀,一阀工作,一阀备用。但这种设计仅对小冷凝器适用,对于大容量冷凝器而言,两个安全阀必须同时工作。
注意:当三通截止阀调节阀芯在内端时,1号安全阀为开,当阀芯在外端时,2号安全阀为开。
如果双安全阀中一个安全阀出现问题,截止阀会将损坏的阀隔离,同时另外一个安全阀承担保护制冷循环基本电路作用,同时可以对已损坏安全阀进行更换。
当安装排空管到双安全阀时,排空管的尺寸根据一个安全阀的大小来选择,然后连接到两个阀上,对于大容量的冷凝器,两个安全阀必须同时使用,排空管的尺寸根据两个安全阀的大小选择。
制冷电气系统基本原理:
切记:电压波动应控制在≤–10%-+10%范围内,相与相之间的电压不平衡值不得超过3%,否则电机中的温度将急剧升高。例如:当电压不平衡达到3.5%时,电机的温度大约要升高25%。
注意:机组出厂前已充足制冷剂,系统管路间的阀门都已关闭,机组调试时或长期停机后再次开机时,这些阀必须开启。
动力线的接线:
机组在开机时必须对动力线的相序进行检查,面对压缩机的电机端,相序为1-2-3时,电机的旋转方向为顺时针方向,通过启动柜向压缩机的接线必须注意相序。在1-2-3相序时,L1接T1和T6、L2接T2和T4、L3接T3和T5,旋向正确,参见接线柜内接线图。
相序用GE No.5467032365相序仪测定,在连接启动器和压缩机及检查连线之前,启动器内的ㄚ-△的转换时间应调至6-15秒之间,如有麦克维尔IQ-1000或IQ-500电机保护控制器,则按IM392的要求调整。当压缩机还是处于一种危险状态就开始进行转换时,应该对其起动转换时间进行调整(工厂规定时间为8秒)。
要求在压缩机电机转速达到额定值时,定时器此时应
调为启动转换状态。
注意:与压缩机连接的接线排必须是铜制的。在进行连接时不要用力太大,这样会损坏连接部件,并且连接电缆要进行合适的固定,避免接线柱受力,影响压缩机的密封。
在给压缩机接线时,不仅要小心,而且还要注意接线必须在专业的技术服务人员检查和认可之后方可进行操作。相序和旋转方向不正确时,切不可给压缩机增载,否则会对压缩机造成严重的损坏,点动压缩机并通过电机后盖的可视孔察看旋向是否正确。
安装承包商在技术对相序和电机旋向确认后,必须对电压≥6000V的压缩机电机接线端子进行绝缘处理。
配有启动器的机组动力线的接线:
有些机组出厂前压缩机动力线已与ㄚ-△过载补偿启动器连接好。电源接线,保险丝及导线规格等均参见电气随机材料。切记:相电压不平衡最大不得大于3%。
压缩机的动力接线必须注意相序,相序由GE No.5467032365相序仪或相应仪器测量,面对压缩机的电机端相序为1-2-3时电机的旋转方向应该顺时针方向。启动器的ㄚ-△转换时间在出厂前已经设定。
控制器的接线:
一般冷水机组控制电路设计电压为115伏,独立线路供电时,保险丝熔断电流为20安或16安。机组配有启动柜,启动器柜有一变压器输出115伏电源供控制部分用。切断开关应始终处于接通状态,以便油加热器处于工作状态,防止制冷剂在油中积累,控制柜保持通电状态,有利于对油泵加热温度的控制。压缩机不工作时,微机控制柜程序内部开关必须设在“off ”位置。防止非操作者无意中启动机组。如果控制器的电源是由变压器提供,那么此变压器的额定容量应为2KVA,且在功率因素为80%和次级输出95%输出电压时,其启动功率额定值最小为12KVA。
关于控制接线尺寸,参见N.E.C215和310条。在缺参数不能计算出结果时,就应测量实际电压。切断开关要标上标记以防控制线路断电。水流量联锁接线端子在控制器的接线排上,具体接线详见电气资料或者控制器面板上的线路图。水流量联锁的目的是防止压缩机在蒸发器和冷凝器的水泵运行之前运行。
切记:在老式机组中,如果再循环定时器关掉以及流量开关间歇性工作,压缩机会产生严重的损坏。
冷冻水泵可以随压缩机一起运转,不间断运行或者通过手动运转,而冷却水泵必须随机组一起运行。冷却水塔电机启动器的线圈工作电压为115伏,50赫兹最大伏安范围为100VA。如果伏安数超过额定值,则需配备一个控制继电器。所有联锁触点的额定值均不小于10安培的电流,报警电路设计为115伏交流电。报警系统的额定值小于10伏安。
调试控制线路:
接线完毕,有关人员应对电路进行功能调试,当然在进行调试时,压缩机不得启动。调试完后应在技术服务人员认可后方可进行压缩机电机的接线。压缩机开始运行前几分钟是非常重要的,需要特别注意所有运行参数和特性。电路测试可以在完全不启动压缩机的情况下运行。如果控制线路单独供电,则只需要调试此电路而使压缩机的供电线路开关处于断开状态。延时联锁的正确设定可观察启动器柜内的电机控制继电器“MCR”。如果系统通过变压器获得控制电压,那么有必要切断启动器与压缩机连接的动力线并观察启动器的运行情况。
按次序逐个停泵检查其联锁接头,同时电机控制继电器断电。手动打开一个安全控制器,观察启动器或MCR(电机控制继电器),每一个开关应该控制启动器或MCR继电器的一个动作和亮一个指示灯。关掉水泵,同时还应切断启动器电路。
机组维护:
清除水垢:机组换热管表面结垢会导致热交换效率的下降,增加压缩机的功耗。因此机组最好使用软化水或者定期对换热管进行清洗。
在清洗前,应事先作好准备工作,把所需要修理的设备与管路系统隔断。用化学清洗后要注意要用大量的水对换热管内的残存药液进行稀释,直到PH值恢复到6-8。
当油过滤器压降超过100kPa时,需更换油过滤器。
定期检查压力传感器和温度变送器的准确度,它们直接关系到机组是否能够稳定运行。如有偏差,可在机组控制器设置中校正。
当发现滞后的压缩机不能启动时,应检查超前的压缩机能量是否能够到达100%(400kPa油压以上)。如果不能,在机组能量调整中改正。
日常维护:
为保证机组运行时处在最佳状态,请定期检查以下项目,必要时进行调整,同时作好检查记录。

常见故障分析:

200系列MicroTech控制器:

机组控制器:







螺杆机组:

单螺杆两侧对称布置星轮使其转子的径向载荷相互平衡;单螺杆两端方向相反大小相等的吸气压力使其受力相互平衡。

机组结构:

液位调节阀又称浮球调节阀,用做膨胀主阀的先导阀。通过浮球阀的调节作用控制冷凝器、贮液器内制冷剂液位。





单制冷回路与双制冷回路:

安装与维护:
安装:安装和维修必须由受过专业培训,熟悉当地标准和规则并对制冷设备有实际经验的专业人员操作。
到货验收:
当设备到达后,按照提货清单仔细检查所有的项目是否齐全,零部件在运输过程中是否损坏。若有损坏通知运输商并书面提出赔偿要求。在机组安装之前,必须检查当地所用电源电压,频率等是否适合本机组,到货验收合格后发生的任何损伤,麦克维尔将不承担赔偿责任。
起吊:机组安装在防滑枕木上以避免机组发生突发损伤并可用于简单的起吊和移动,在机组定位以前尽可能不要取下枕木,且移动和起吊机组时最好带有枕木。机组起吊时,必须用缆绳或者链子缚紧在蒸发器和冷凝器起吊孔上起吊。起吊时必须保护控制柜和机组其它部分不受损伤。
水管:机组进出水口必须安装截止阀便于系统能完成常规维修。建议在冷凝器和蒸发器进出水处安装温度计和压力表,便于常规检查和维修机组。
建议在水泵进水口安装过滤网,避免杂质进入冷凝器和蒸发器。
在机组和管道连接之前预先检查管路的密封性。
建议与机组相连的管道安装减振装置,避免将机组振动传递到管路上。
建议安装符合要求的流动检测装置,如靶式流量计、水压差控制器,并且将它们与机组控制相连。
由机组来控制冷却水泵,冷冻水泵以及冷却塔风扇的开启和停止,以期获得最好的节能效果和可靠性。
日常维护:
为保证机组运行时处在最佳状态,请定期检查以下项目,必要时进行调整,对于压力和温度显示的误差可在机组设置页中进行校正。为了更好的了解机器运行情况,分析可能出现的问题,请作好运行和日常检查记录。

紧急停机:红色的按钮是急停开关,当机组出现故障时按下此按钮,机组将六立即停止运转。
长期停机:关闭供液阀,运行机组直到低压报警停机。
断开机组电源。断开控制电路上的小空开,按下红色急停开关。
机组维护:当油过滤器压降超过100kPa时,需更换油过滤器。定期检查压力传感器和温度变送器的准确度,它们直接关系到机组是否能够稳定运行 。如有偏差,可在机组控制器设置中校正。
当发现滞后的压缩机不能启动时,应检查超前的压缩机能量是否能够手动增载到达100%(400kPa以上油压差)。如果不能够增载到100% ,请在设置页中根据能量实时值调整压缩机能量上下限设定值。
常见故障分析:


清除水垢:机组换热管表面结垢会导致热交换效率的下降,减低机组制冷量,增加压缩机的功耗。因此机组最好使用软化水并定期对换热管进行清洗。
在清洗前,应事先作好准备工作,把所需要修理的设备与管路系统隔断。用化学清洗后要注意要用大量的水对换热管内的残存药液进行稀释,直到PH值恢复到6-8。
本文来源于互联网,参考麦克维尔相关课件,目的是帮助大家直观了解离心式、螺杆式冷水机组相关制冷设备。暖通南社整理编辑 。