什么是荷电效应?
扫描电子显微镜主要用于样品表面微观形貌观察,但在观察样品过程中经常由于荷电效应使得图像异常变亮、畸变,甚至出现图像模糊的情况,严重影响成像质量。
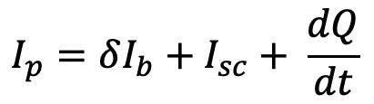
图 1 固体绝缘材料的电子发射特性曲线。横坐标为入射电子能量,纵坐标为试样的电子产率。荷电现象可以用基尔霍夫电流定律表示,即在任一瞬时流向某一结点的电流之和等于由节点流出的电流之和。可用以下公式表达:

其中 Ip 是入射电子的电流,δIb 是背散射电子和二次电子的电流之和,Isc 是样品接地电流,Q 为时间 t 内的放电电荷。

图 1 绝缘体次级发射曲线
对于绝缘材料或者导电性不好的材料,接地电流 Isc 几乎为零,若要样品不放电(dQ/dt 等于 0),则 δ 必须等于 1,即入射电子的电流等于背散射于二次电子的电流之和。
从图 1 中可知只有加速电压为 E1 或者 E2 时,才能达到电荷平衡。当 δ< 1 时,样品表面产生的背散射与二次电子总额少于入射电子数,样品表面呈负电位,在负电场的作用下电子被加速,更多的电子被探测器收集到,因此图像会变得很亮。多数绝缘材料的 E2 点在 1.5KV-3KV 之间,个别可以达到 5KV。
降低荷电效应方案
- 选择低加速电压
低加速电压下,入射电子数与背散射、二次电子产额之和达到平衡,能够很好的改善样品放电现象。

陶瓷(5KV)
- 表面镀膜处理
在样品表面镀上一层导电膜不仅能够改善样品的导电性,而且能够提高样品信号量。图 2 是纸张的扫描电镜照片,图 2 (a) 是没有镀膜的样品照片,图 2 (b) 是镀膜后的样品照片。从图中可以明显看出两者的差别。镀膜也有其缺点,镀膜会在样品表面覆盖一层薄膜,掩盖样品表面真实形貌。

图2 (a)

图2 (b)
- 采用低真空模式
图 3 是使用飞纳台式扫描电镜(Phenom XL)拍摄的梧桐树皮照片,图 3 (a) 是在高真空模式(HIGH)下拍摄的图片,树皮表面放电现象明显,局部区域发亮;采用低真空模式(LOW)拍摄,可以发现样品表面放电现象消失。

图3 (a)

图3 (b)
