下面根据自己的维修经验,讲一讲具体的维修方法,希望对喜欢维修的初学者有所启发。LED灯不亮的原因有两种:一种是驱动器(电源盒)坏了,另一种是LED灯珠坏了。本着先简后难的原则,先检测LED灯珠。本灯盘上的灯珠串由12个灯珠构成,如图2所示。每组LED灯的供电电压为3V,所以灯盘供电电压为18V左右。首先,用数字万用表的二极管挡逐个在路测量LED灯珠(见图3),正常的LED灯珠会亮,若不亮,则用铅笔做好标记,一般情况下只坏一组;若全部LED都亮,说明灯盘正常。若灯珠有问题(灯珠常见的型号为LED5630或LED5730,每个灯珠的功率为0.5W),用相同的LED灯珠更换即可。但业余条件下,更换LED灯珠比较麻烦。首先,用热风枪加热灯盘背面取下LED灯珠;若没有热风枪,也可用两把30W烙铁同时加热被拆LED灯珠两边后,就可以取下。焊接时,一定要清理干净盘片,并注意LED的极性,不能安反了,并且焊接时间不能过长,以免LED灯珠过热损坏。总之,拆卸和焊接LED灯珠的技术需要慢慢掌握,熟练后就好了。

检测完灯盘,接下来检测LED灯的驱动板(电源板),驱动板的实物见图4。该电源是以芯片FM6603B为核心构成的,根据实物板绘制的电路原理图如图5所示。FM6603B的引脚功能如附表所示。FM6603B采用特有的恒流控制方式,电流精度达到±3%以内,并可通过峰值电流采样电阻设定输出电流。芯片内部集成了耐压650V的功率型MOS管,采用原边反馈控制模式,稳压电路无需外接元件,节约了成本和缩小了体积。芯片内部设置了LED开路/短路保护、原边过流保护、过压保护、过温保护等,从而提高了该电源电路的可靠性。


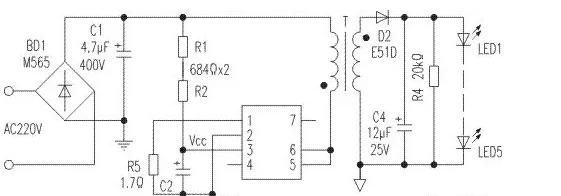
工作原理:220V交流电压经DB1桥式整流,利用C1滤波在其两端产生310V左右的直流电压。该电压不仅经开关变压器T1的初级绕组加到FM6603B的5、6脚,为它内部的开关管D极供电,而且经R1、R2分流降压,C2滤波后加到FM6603B的3脚。FM6603B的3脚获得工作电压后,它内部的控制电路开始工作,为开关管提供驱动信号,使其工作在开关状态,致使T1的次级绕组输出脉冲电压,经D2整流,C4滤波得到18V左右的直流电压,为LED灯珠供电。


| 脚位 | 脚名 | 功能 |
| 1 | CS | 电流取样信号输入 |
| 2 | GND | 接地 |
| 3 | VCC | 控制电路供电 |
| 4 | SW | 内部开关管S极 |
| 5、6 | DRAIN | 内部开关管D极 |
| 7 | NC | 星空(引脚下面不能走线) |
维修时,首先测量C4两端有无18V左右的直流电压,没有,再往前测量电容C1有无300V左右的直流高压,若没有,检查市电供电系统;若有,测FM6603B的3脚有无15V左右的直流电压,若有,检查R5、FB6603B;若没有,检测R1、R2是否阻值增大、C2是否漏电。根据经验,C2失效和损坏的情况比较常见,更换一只4.7μ/25V电容后,电路就工作了。滤波电容C4,厂家用了一只10μ/25V电容,最好换成47μ/50V的电解电容,加强滤波后对LED灯盘有益。为了确保FM6603B不被过高的尖峰脉冲损坏,应在T1的初级绕组两端设置一个尖峰吸收回路。
有些LED驱动器采用的模块是CS6553,和FM6603B的工作原理相似,