弥漫性轴索损伤 Diffuse Axonal Injury, DAI
由于外伤使颅脑产生旋转加/减速度和或角加速度,使脑组织内部发生剪应力作用,导致脑内产生以神经轴索断裂为特征的系列病理生理变化, 意识障碍是其典型临床表现。

发生机制
外伤使颅脑产生旋转加速或减速,使脑组织内部发生剪应力作用,导致神经轴索和小血管损伤。
颅脑损伤瞬时产生剪应力会导致轴浆流动障碍,轴索局部肿胀。神经元胞体内产生的轴浆流至轴索肿胀部位又返流至细胞体, 形成轴索回缩球。

直接外力导致局部损伤:硬膜下出血

快速加速或减速旋转,产生中线结构的扭曲变形,引起神经轴索损伤
病理表现
DAI 好发于轴索集聚区, 如胼胝体、脑干上端背外侧、脑白质、小脑、内囊、基底节区。
组织间隙的血管撕裂性出血灶是DAI 肉眼所见的病理变化。
轴缩球(axonal retraction ball) 是 DAI光镜下诊断依据。轴索球是由轴索断裂后近端轴浆溢出膨大所致。
轴索断裂不是外伤即刻由剪力造成, 而是伤后病理生理变化的结果。
大多数DAI病例是无出血的,仅仅10-30%可以看到出血灶.

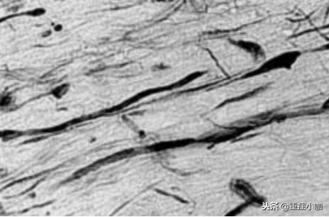
轴索球

轴索扭曲肿胀断裂
病理分级
Adams 等提出DAI 三级分法:
Ⅰ级,损伤仅见于脑白质,常见于额、颞叶。
Ⅱ级,除具有Ⅰ级特点外,见胼胝体有组织撕裂出血点。
Ⅲ级,除具有Ⅱ级特点外,见脑干上端背外侧有组织撕裂出血点。
临床表现
往往与旋转加减速和剪切力有关,多见于高速摩托车事故,亦见于摇晃儿童综合征(Shaken Baby Syndrome)。
DAI 是弥漫性脑损伤的主要病理类型, 在重型脑损伤中占28%~ 42% 。
意识障碍: DAI 多累及脑部广泛纵横纤维,受伤立即出现昏迷,且昏迷时间较长。重者长期深度意识障碍或植物生存状态。亦有轻型DAI,伤后有清醒期并能言语。
瞳孔变化:如累及脑干,可有一侧或双侧瞳孔散大,对光反应消失,或同向性凝视。
临床表现的严重程度常常重于影像的表现。
预后
分级越高预后越差。
GCS 是DAI 预后判断的简便指标。
出血和合并其他外伤性占位性病变是预后不良的因素。
单个非出血的病灶一般不会导致预后不良。