摘 要
本文通过一个典型的轴套类二件组合件的加工工艺进行分析以及程序设计,重点为零件的加工工艺分析,从而准确选择加工参数,保证加工的准确性,精确性。节约加工原材料,提高生产效率,数控机床是按照预先编好的数控程序自动地对工件进行加工的高效自动化设备。数控程序除了能保证加工出符合图样要求的合格零件外,还应该充分发挥、利用数控机床的各种功能,使数控机床能安全、可靠、高效地工作。
关 键 词:数控技术,加工工艺,编程,规程,技巧
目 录
摘 要1
目 录2
1 绪论3
2 数控车床的编程特点4
3 典型轴套类零件工艺分析5
3.1 零件图的工艺分析5
3.1.1 零件图的正确性与完整性的分析5
3.1.2 零件图与装配图的技术分析7
3.2 毛坯的选择7
3.3 加工设备、测量仪器的选择8
3.3.1 机床的选择8
3.3.2 夹具的选择9
3.4 确定加工工艺路线9
3.5 刀具的选择11
3.6 选择切削用量12
3.6.1主轴转速的确定13
3.6.2 进给速度的确定14
3.6.3 背吃刀量确定15
3.7 制定机械加工工艺规程16
3.7.1 件一的加工工艺规程16
3.7.2 件二的加工工艺规程18
3.8 编制数控加工程序23
4 结论26
参考文献27
致谢 28
论文题目
《西门子数控车床操作与编程的技巧》
1绪 论
机床是人类进行生产劳动的重要工具,也是社会生产力发展水平的重要标志。
普通机床经历了近两百年的历史。随着电子技术、计算机技术及自动化,精密机械与测量等技术的发展与综合应用,生产了机电一体化的新型机床--数控机床。数控机床一经使用就显示出了它独特的优越性和强大生命力,使原来不能解决的许多问题,找到了科学解决的途径。
数控车床是数字程序控制车床的简称,它集通用性好的万能型车床、加工精度高的精密型车床和加工效率高的专用型车床的特点于一身,是国内使用量最大,覆盖面最广的一种数控机床,也是是一种通过数字信息,控制机床按给定的运动轨迹,进行自动加工的机电一体化的加工装备,经过半个世纪的发展,数控机床已是现代制造业的重要标志之一,在我国制造业中,数控机床的应用也越来越广泛,是一个企业综合实力的体现。
2 数控车床的编程特点
数控机床是按照预先编好的数控程序自动地对工件进行加工的高效自动化设备。数控程序除了能保证加工出符合图样要求的合格零件外,还应该充分发挥、利用数控机床的各种功能,使数控机床能安全、可靠、高效地工作。
数控编程的主要内容有:分析零件图样,确定加工工艺过程,数值计算,编写零件加工程序,制作控制介质,程序检验和首件试切。
数控车床主要用于轴类回转体零件的加工,能自动完成内外因校面、圆锥面、母线为圆弧的旋转体、螺纹等工序的切削加工,并能进行切槽,钻、扩、铰孔及攻螺纹等工作。数控编程主要有以下特点:
(1)在一个程序段中,根据图样上标注的尺寸,可以采用绝对值编程、增量值编程或二者混合编程。
(2)数控车床上工件的毛坯大多为圆棒料,加工余量较大,一个表面往往需要进行多次反复的加工.如果对每个加工循环编写若干个程序段,就会增加编程的工作量.为了简化加工程序,一般情况,数控车床的数控系统中都车外圆,车端面和车螺纹等不同形式的循环功能.
(3)编程时,常认为车刀刀尖是一个点,而实际上为了提高刀具寿命和工件表面质量,车刀刀尖常磨成一个半径不大的圆弧,因此为提高工件的加工精度,当编制圆头刀程序时,需要对刀具半径进行补偿。数控车床的数控系统中都有刀具补偿功能.刀具补偿功能为编程提供方便,编程人员可以按工件的实际轮廓编写加工程序.在加工过程中对于刀具位置的变化,刀具几何形状的变化及刀尖的圆弧半径的变化,都无需更改加工程序,只要将变化的尺寸或圆弧半径输入到存储器具便能自动进行补偿.
(4)数控车床的编程有直径,半径两种方法.所谓直径编程是指X轴上的有关尺寸为半径值,半径编程是指X轴上的有关尺寸为半径值。CAK6140数控车床中的编程是采用直径编程.
(5)为了提高机床径向尺寸的加工精度,数控系统在X方向的脉冲当量应取X方向的的脉冲当量的一半。例如经济型数控车床中,Z方向的脉冲当量为0.01mm/P,X轴的脉冲当量取0.005mm/P。
3 典型轴套类零件工艺分析
3.1 零件图的工艺分析
3.1.1 零件图的正确性与完整性的分析
零件的结构工艺性是指所设计的零件在能满足使用要求的前提下制造的可行性和经济性,即所设计的零件结构应便于成形,并且成本低,效率高。它的涉及面广,因此有必要对零件进行结构工艺性分析,找出技术关键,以便在拟定工艺规程时采用适当的加工措施加以保证。
零件的视图应符合国家标准的要求,位置准确,表达清楚;几何元素(点、线、面)之间的关系(如相切、相交、平行)应准确;尺寸标注应完整、清晰。

由图3-1、图3-2、图3-3可知,该轴套类组合零件二件的尺寸均标注完整、正确,零件轮廓均描述清楚。图3-1 锥套 工件材料: 45钢

图3-2 螺杆锥轴 工件材料:45钢

图3-3 配合件
3.1.2 零件图与装配图的技术分析
零件的技术要求主要包括尺寸精度、形状精度、位置精度、表面粗糙度要求等,这些技术要求应当是能够保证零件使用性能前提下的极限值。进行零件技术要求分析,主要是分析这些技术要求的合理性以及实现的可能性,重点分析重要表面和部位的加工精度和技术要求,为制定合理的加工方案做好准备。同时通过分析以确定技术要求是否过于严格,因为过高的精度和过小的表面粗糙度要求会使工艺过程变得复杂,加工难度加大,增加不必要的成本。

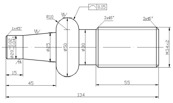
该零件是配合件,由件一锥套和件二螺杆锥轴组成,装配图如上图3-3所示。其中件二上的零件特征包括外锥、外圆弧、M34x2普通螺纹。两件配合后,要求锥配间隙为1±0.10。在此可考虑采用配车件二的大端直径,以达到配合间隙1±0.10的尺寸要求;同时,满足锥套相对于A-B基准的跳动量不大于0.05mm。
3.2 毛坯的选择
毛坯是根据零件所要求的形状,工艺尺寸等方面而制成的供进一步加工使用的生产对象。毛坯种类的选择不仅影响着毛坯制造的工艺装备及制造费用,对零件的机械加工工艺装备及工具的消耗,工时定额计算有很大影响。
确定毛坯的形状与尺寸的步骤是:首先选取毛坯加工余量和毛坯公差,其次将毛坯加工余量叠加在零件的相应加工表面上,从而计算出毛坯尺寸,最后标注毛坯尺寸与公差。其总的要求是:减少“肥头大耳”,实现少屑或无屑加工。因此,毛坯形状要力求接近成品形状,以减少机械加工的劳动量。
根据零件图样中对工件材料的规定,工件材料确定为45钢;
本设计中件一、件二均为回转轴类零件,形状不复杂,用于旋合场合,要求具有较高的强度和一定的硬度。依据毛坯的选择原则,综合考虑工件的使用要求以及机械加工的效率和经济性,确定毛坯为棒料锻件。具体尺寸:两件为同一棒料,采取切断方法分离:φ55×190mm
3.3 加工设备、测量仪器的选择
3.3.1 机床的选择

分析零件图可知,本次设计加工的零件特征包括:外圆、槽、螺纹、圆弧、内外锥,加工工序复杂。为少减换刀和对刀时间,保证良好精度和表面粗糙度要求,结合我院实训中心生产设备的实际情况,决定选用沈阳第一机床厂生产Fanuc-0i 系统CAK6140型落地卧式数控车床。机床外形如图3-4所示。
图3-4
其主要性能数据如下:
加工零件的最大直径为400 mm;
加工零件的最大长度为1 m;
刀架规定刀杆的规格为20×20 mm;
主轴转速范围为
X轴最大行程600mm,Z轴最大行程1080 mm;
快速移动速度为7.6—12 m/min;
重复定位精度:x轴方向≤0.004 mm,z轴方向≤0.004 mm;
圆跳动≤0.003 mm,锥度≤0.005/100 mm,圆柱度≤0.003/100 mm;
粗糙度:黑色金属小于Ra 1.25,有色金属小于Ra 0.4;
3.3.2 夹具的选择
为了充分发挥数控机床的高速性、高精度、高效率等特点,在数控加工中,装夹方式直接关系到加工零件的效率,因此制定合理的装夹方式也是比较重要。根据该零件的特征,经分析,零件是车削,各工序都可以使用通用夹具即可。考虑到经济性、使用性,采用卡盘夹紧和活动顶尖一夹一顶的装夹方式比较合理。
根据该零件形状规则、加工特点及加工精度较高,所以选择三爪自定心卡盘。之所以选择三爪自定心卡盘是因为它是常用的车床通用夹具,它可以自定中心,夹持范围大,装夹工件的效率高,适用于装夹中小型以外圆定位的零件,具体三爪卡盘参数见表3-1。
表3-1 三爪自定心卡盘参数

3.4 确定加工工艺路线
在数控机床上加工零件,与普通机床有所不同,不仅要考虑夹具、刀具、切削用量等常规工艺的选择,更要考虑对刀点、编程原点等设置,在保证质量的前提下,尽可能提高机床的加工效率。数控编程中走刀路线的选择主要考虑以下几点:
(1)量缩短走刀路线,减少空走刀时间,提高生产效率;
(2)保证加工零件的精度和表面粗糙度要求;
(3)能简化数值计算,减少程序段数目和编程工作量;
(4)尽量减少换刀次数,用一把刀具尽量加工完成相关工序。
经过分析该零件的最终加工路线如下:
件一:
(1)夹持工件,伸出长度60 mm,车端面;
(2)钻孔φ18 mm,深45 mm;
(3)粗、精车内孔φ20
mm至尺寸;
(4)粗、精车φ50±0.012至尺寸,倒角;
(5)粗、精车内锥至尺寸;
(6)倒角、切断;
(7)自检;
件二:
(1)夹φ20
mm毛坯外圆,长30 mm,校正;
(2)车端面,钻中心孔;
(3)一夹一顶,粗车工件外轮廓
(5)调头夹M34×2外圆共50 mm,车端面,取总长;
(6)粗、精车φ20 mm外圆、外锥、外圆弧1/2段至尺寸;
(7)调头,夹φ20 mm外圆长14 mm,一夹一顶;
(8)倒角2×45°精车M34×2外圆至φ34
×69mm、另1/2段外圆弧;
(9)距M34×2螺纹断面55 mm处切槽至尺寸φ30×14 mm,倒角2×45°;
(10)车螺纹M34×2至尺寸;
(11)自检;
3.5 刀具的选择
在金属切削加工过程中,刀具直接完成切削工作。刀具切削性能的优劣,直接影响到工件被加工表面的质量、切削效率、刀具的使用寿命和加工成本的高低。合理选择刀具切削部分的材料以及刀具几何形状和结构是十分重要的。
在选择刀具时,应根据机床的加工能力、工件材料的性能、加工工序、切削用量以及其它相关因素正确选用刀具及刀柄。通常优先选用常用刀具, 对于不同材料的零件,一般都有适合其切削的刀具。刀具在切削过程中,要承受切削力、高温、冲击和振动,并被磨损。与普通机床相比,数控加工时对刀具提出了更高的要求,不仅要求刚性好、精度高,而且要求尺寸稳定、耐用度高、断屑 和排屑性能好,同时要求安装调整方便,满足数控机床的高效率。刀具选择总的原则是:安装调整方便、刚性好、耐用度和精度高。在满足加工要求的前提下,尽量选择较短的刀柄,以提高刀具加工的刚性。
刀具材料应具备以下几方面的性能:足够的硬度和耐磨性、足够的强度于韧性、高的耐热性、良好的导热性 、良好的工艺性能和工艺性。
硬质合金是将一些难熔的、高硬度的合金碳化物微米数量级粉末与金属粘结剂混合,经加压成形,烧结而成的粉末冶金材料。合金碳化物是硬质合金的主要成分,具有高硬度、高熔点和化学稳定性好等特点。因此,硬质合金的硬度、耐磨性、耐热性均超过高速钢,硬质合金的常温硬度为89-93 HRA,切削温度达800-1000 C°时,仍能进行切削切削性能比高速钢好,切削速度可提高4-10倍。应是合金的性能取决于化学成分、碳化物粉末粗细及其烧结工艺。碳化物含量增加时,硬度随之增高,抗弯强度反而降低。烧结剂含量增加时,抗弯强度随之增高,硬度反而下降。
硬质合金的切削性能良好,现已成为主要的刀具材料之一。绝大多数车刀和面铣刀的切削部分都采用硬质合金。深孔钻、铰刀以及某些复杂刀具也广泛采用硬质合金。而硬质合金按化学成分可以分为以下几类:钨钴类硬质合金、钨钛钴类硬质合金、钨钛铌类硬质合金。
YT类硬质合金主要用于加工以钢为代表的塑性材料。加工钢时塑性变形大,摩擦剧烈,切削温度较高。YT类合金磨损慢,刀具寿命高。合金中含TiC较多者,含Co就少,耐磨性就更好,适合精加工。
在满足加工要求的条件下,综合考虑刀具的经济成本与可磨削性能,决定选用焊接刀具。本组合零件的具体加工刀具如下表3-2所示:

3.6 选择切削用量
数控编程时,编程人员必须确定每道工序的切削用量,并以指令的形式写入程序中。切削用量包括主轴转速、背吃刀量及进给速度等。对于不同的加工方法,需要选用不同的切削用量。切削用量的选择原则是:保证零件加工精度和表面粗糙度,充分发挥刀具切削性能,保证合理的刀具耐用度;并充分发挥机床的性能,最大限度提高生产率,降低成本。
3.6.1主轴转速的确定
1、主轴转速的确定
主轴转速应根据零件上被加工部位的直径,并按零件和刀具的材料及加工性质等条件所允许的切削速度来确定。切削速度除了计算和查表选取外,还可根据经验确定,需要注意的是交流变频调速数控车床低速输出力矩小,因而切削速度不能太低。
光车时,主轴的速度主要根据允许的切削速度Vc选取,计算公式如下:

根据切削原理可知,切削速度的高低主要取决于被加工零件的精度、材料、刀具的材料和刀具耐用度等因素。从理论上讲,Vc的值越大越好,因为这不仅可以提高生产率,而且可以避免生成积屑瘤的临界速度,获得较低的表面粗糙度值。但实际上由于机床、刀具、工件材料等因素的影响和限制,车削切削用量可参考表3-3选取。表3-3 车削切削用量选择表

在实际车削加工时,考虑到加工内孔时排屑难、冷却难、刀杆刚性差和观察困难的特点,在选择切削用量时,可参照对应外部加工切削用量的30%-50%进行选取。综合考虑:
外部轮廓加工时选取: 粗车Vc=150 m/min
精车Vc=220 m/min
内部轮廓加工时选取: 粗车Vc=50 m/min
精车Vc=70 m/min
高速钢麻花钻钻孔取: Vc=25 m/min
由公式(3.1)、(3.2)、(3.3),按照毛坯直径为55mm,螺纹导程为2 mm,计算可得:
外部轮廓加工时: 粗车n=860 r/min
精车n=1200 r/min
内部轮廓加工时: 粗车n=290 r/min
精车n=400 r/min
钻孔时: 转速n=150 r/min
车削螺纹时: 转速n< 520 r/min,据经验,取n=400 r/min
3.6.2 进给速度的确定
进给速度是数控机床切削用量中的重要参数,主要根据零件的加工进度和表面粗糙度要求以及刀具、工件的材料性质选取。最大进给速度受机床刚度和进给系统的性能限制。一般粗车选用较高的进给速度,以便较快去除毛坯余量,精车以考虑表面粗糙和零件精度为原则,应选择较低的进给速度。进给速度Vf可以按公式Vf =f×n计算,式中f表示每转进给量,在加工本设计中的组合零件时进给速度,依据表3-3进行选取,粗加工时取f=0.2 mm/r,精加工时取f=0.1 mm/r,则所得加工时的进给速度如下:
外部轮廓加工时为: 粗车Vf=172 mm/min
精车Vf=120 mm/min
内部轮廓加工时为: 粗车Vf=54 mm/min
精车Vf=40 mm/min
在车床上钻孔时的进给量是用手转动车床尾座手轮来实现的。用小直径麻花钻钻孔时,进给量太大会折断麻花钻。本次设计件一锥套的麻花钻规格为φ18mm,故选择进给量f=0.2 mm/r,
则可知钻孔时的进给量为: Vf=30 mm/min
3.6.3 背吃刀量确定
背吃刀量根据机床、工件和刀具的刚度来决定,在刚度允许的条件下,应尽可能使背吃刀量等于工件的加工余量(除去精车量),这样可以减少走刀次数,提高生产效率。为了保证加工表面质量,可留少量精加工余量,一般0.2-0.8 mm,具体背吃刀量值参照表3-3进行选择,如下表所列:
表3-4 被吃刀量

总之,切削用量的具想学习UG编程加Q群614096521体数值应根据机床性能、相关的手册并结合实际经验用类比方法确定。同时,使主轴转速、切削深度及进给速度三者能相互适应,以形成最佳切削用量。
3.7 制定机械加工工艺规程
3.7.1 件一的加工工艺规程
机械加工工艺过程卡片
机械加工工艺过程卡片

机械加工工序卡


3.7.2 件二的加工工艺规程
机械加工工序卡

机械加工工艺过程卡片



3.8 编制数控加工程序
程序一:
O0001;
M03S860;
T0101;
G00X52.Z0.;
G01X-1.F0.2;
Z1.;
M00; (钻孔)
M03S290;
T0303;
G00X15.Z2.;
G71U1.5Z2.;
G71P10Q20U0.4W0.1;
G00X25.;
G01X20.Z-40.F0.15;
Z-54.;
X15.Z2.;
M03S400;
T0303;
G00X15.Z2.;
G70P10Q20;
G00X15.Z100.;
X150.;
M00;
M03S860;
T0101;
G00X52.;
G71U1.5R0.5.;
G71P30Q40U0.4W0.1F0.2;
N30G00X46.;
G01X50.Z-2..F0.2;
N40Z-55.;
G00X150.Z100.;
M00;
M03S1200;
T0101;
G00X52.Z1.;
G70P30Q40;
G00X150.Z100.;
T0202;
M03S400;
G00Z-54.;
X-1.;
G00X150.Z100.;
M05;
M30;
程序二:
O0001
M03S860
T0404
G00X58.Z0.;
G01Z-1.F0.1;
G00X150.Z100.;
T0101
G00X58.Z2.
G71U1.5R1.;
G71P10Q20U0.5W0.1F0.2;
N10G00X18.;
G01Z0.F0.1;
X20.Z-1.;
Z-15.;
X25.Z-25.;
X30.;
G03X50.Z-35.R10.;
N20G00X58.;
G00X150.Z150.;
M00;
M03S1200;
T0101;
G00X58.Z2.;
G70P10Q20;
G00X150.;
Z100.;
M05;
M00;
O0002;
G00X150.Z100.;
M03S860;
T0404; <调头>
G00X58.Z0.;
G01Z-1.F0.1;
G00X150.Z100.;
T0101;
G00X58.Z2.;
G71U0.5R1.;
G71P10Q20U0.5W0.1F0.3;
N10G00X29.8;
G01Z0.F0.1;
X33.8Z-2.;
Z-89.
X30.;
G03X50.Z-99.R10.;
N20G00X58.;
G00X150Z100.;
M00;
M30S1200;
T0101;
G00X58.Z2.;
G70P10Q20;
G00X150.Z100.;
T0202;
M03S400;
G00X36.Z-59.;
G01X30.F0.1
G00X100.;
Z100;
T0101;
G00X36.Z-57.;
G91X32.Z-89.;
X30.;
G00X100.;
Z100.;
T0303;
M03S600;
GOOX36.Z2.;
G92X33.8X-60.F0.2;
X33.3;
X32.8
X32.3;
X31.8;
X31.4;
G00X100.;
Z100.;
M05;
M30;
当你想学编程,找不到学习的方法?
如果你想学UG编程的话你可以加阿心获取视频资料软件学习。因很多粉丝想跟作者交流 特此申请了个数控交流群 大家一起学习一起交流 有想一起交流的朋友可以私信作者,群里也提供免费的视频资料 UG软件等各种一切免费
下面是私信获取方法:
请在评论区评论:教程,这样方便大家获取,然后关注本头条号后私信阿心:UG。
点我的头像进入我的主页面
记住:要用手机客户端哦,木有客户端的速度*载下**哦!
首先关注我的头条号,然后手机点进阿心的主页面(网页版是找不到私信页面的!)
支持小编,好让我有分享的动力!