
别克君威
故障现象
一辆20 0 5年的别克君威教学实验用车,搭载 LB8发动机(2.5L)和4T65E自动变速器,在进行车辆 维护的过程中,在点火钥匙插入点火开关并置于ACC 档的状态下,关闭车门时,全车车门突然自动落锁。该 车为厂家支持的车辆,没有提供遥控器和备用钥匙, 因此无法开启车门。
故障诊断与排除
通常情况下,当汽车由于种种原因锁死了车门而 无法打开时,我们往往会采取以下几种解决措施。
1.求助于开锁公司。这样做的好处是不会对车辆产 生任何损害,但要支付一定的费用。
2.求助于汽车修理厂 。汽车修理厂的解决办法 基本都是将前车门与门框之间撬开一个缝隙,再将一 根钢丝从该缝隙中插入车内,将前车门内侧的锁门开 关(或按钮)拨至解锁位置(或提拉起来),从而实现解 锁。这种方法比较简单实用,但有造成车门变形和车 漆磕碰的风险。
3.敲碎玻璃的无奈之举。在没有上述两种条件的前提下,处于迫不得已的境况,车主有时会采取这种举动。
除了这些常见的开门途径之外,还有没有其他的办法呢?答案是肯定的。这种方法是依靠车载总线(网络)系统“信息共享”的功能来实现门锁的开启。汽车总线通常只需两条线(如CAN总线)或一条线(如K线)就能完成汽车主要系统模块间的相互通讯,从而实现“信息共享”。因此,只要车辆具备车载总线系统,就有可能利用总线实现车门开锁。本案例中的别克君威轿车就具备这个条件。
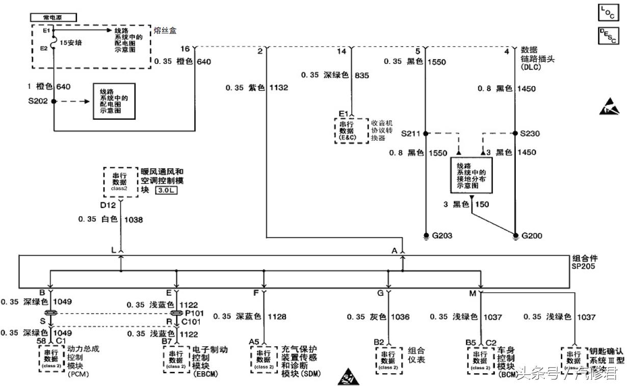
2005年制造的别克君威轿车配置有通用汽车公司的class2总线系统,具体的总线数据通讯电路图如图1所示。class2为单线式的汽车总线,它通过一个组合插接器SP205将动力控制模块(PCM)、电子制动控制模块(EBCM)、安全气囊控制模块(SDM)、组合仪表模块(IPC)、车身控制模块(BCM)、钥匙确认系统Ⅲ型模块、空调控制模块(HVAC)以及数据诊断插头(DLC)并联到了一起,各模块地位相同,能够直接实现彼此间的通讯。

图1 别克君威数据通讯电路图
另外,在从事上海通用汽车维修和教学 过程中,我们对通用汽车公司所使用的汽车 专用诊断仪器TECH-2的功能了解得较为全 面——在其“车身控制模块”的菜单中,具有 “特殊功能”选项,通过执行其中的车门门 锁“开锁作动”,就能够实现车门开锁。
综合上述两个条件,只要能够找到总线 通讯电路图中的任何一个模块,就可以利用 该模块上的class2总线端子实现专用诊断 仪器TECH-2与车身控制模块BCM间的通 讯,利用TECH-2的“特殊功能”选项,通 过车门门锁的“开锁作动”,最终实现打开 车门的目的。
专用诊断仪器TEC H -2与车身模块 BCM间的正常通讯,需要满足两方面的条 件:一是为TECH-2提供必要的电源和搭 铁;二是完成TECH-2与class2总线的正 确连接。为此,进行如下操作。
1.查询维修手册,找到数据诊断插头 (DLC)的端子图(图2)及端子功能说明(表1)。 按国际标准,DLC的4#、5#端子为接地端, 16#为常电电源端,其他端子则因各车系的 不同而有所变化,在该车中,2# 端子用作 class2总线的数据端口。

图2 DLC端子图

表 1 DLC端子功能说明
2 .T EC H -2的电源线路连接。由于 DLC插头位于驾驶室内,TECH-2无法与之 连接,因此,只能通过单独连线将TECH-2
3.TECH-2与class2总线连接。在图1中所显示的与class2总线相连的系统模块中,除了PCM和EBCM位于发动机舱内,其余的均安装在驾驶室中。因此,只能利用PCM或EBCM的插接器端子找出class2端口并将其连接至TECH-2。但是,由于PCM安装在空气滤清器壳体的底部,拆卸较为麻烦,并且其端子太多,查找class2端口比较复杂,因此选择位置合适、端子较少的EBCM找出其class2端口。当时车辆的发动机舱盖是打开的(当然,2005年款别克君威轿车的发动机舱盖即使处于闭锁状态也可以在外部打开,出于安全考虑,在此不作陈述),能够直接接触到EBCM,遂断开EBCM的插接器,并参阅维修手册中EBCM的端子图,结合图1,找到了class2总线的端口为B7,如图3所示。并将其引线连接至TECH-2的连接器2#端子,如图4所示。

图3 EBCM端子图及外接引线图示

图4 TECH-2连接器的端子连线
至此,我们利用专用诊断仪器TECH-2,通过与EBCM插接器上的class2总线端口的连接,间接实现了与BCM的通讯准备工作,整个连线如图5所示。

图5 TECH-2与电源及EBCM间的连线
开启专用诊断仪器TECH-2,执行车门 开锁作动,具体流程如下。
1.选择年款、车型——为2005年别克君 威,选择“车身”系统并进入。
2 .在“车身”系统选择“车身控制模 块”,点击进入。
3.在“车身控制模块”中选择“特殊功 能”,点击进入。
4.在“特殊功能”中选择“输出控制”, 点击进入。
5 .在“输出控制”中选择“车门锁测 试”,点击进入。
6.在“车门锁测试”中选择“驾驶员车 门开锁”,点击进入。
7.在“驾驶员车门开锁”中执行“接通” 指令,驾驶员车门解锁。 执行上述工作流程,最终车门得以顺利 解锁。
维修小结
从对该车的车门解锁操作过程中,我们充分认识到,由于车载总线系统的存在,车辆各系统间的信息不但得到了共享,而且可以通过“总线”这条信息公共通道,从任何一个端口实现与系统模块的通讯。因此,在当今车载总线系统已经普及的情况下,进行车辆故障诊断和维修的思维理念再也不能停留在传统车辆控制原理的层面,应该与时俱进,及时掌握车载总线系统的相关技术,充分利用这一技术资源,使其在车辆的维修工作中发挥更大的作用。