中控门锁电路主要由门锁开关、门锁控制器和门锁电动机等组成,其中门锁开关可以是门锁钥匙,也可以是车门内的门锁开关,或者是通过门锁提钮来完成门锁齐闭的作用;门锁控制器可以是独立装置,也可以集中于防盗电脑或车身控制单元内。
1
中控门锁基本控制电路
中控门锁基本控制电路主要由左右侧门锁控制开关、门锁控制器和门锁电动机等组成,电路如下图所示。

电路工作原理如下:
该门锁开关输出负极性的信号,故控制电路为负触发方式,且左、右门锁开关为并联关系;门锁控制器内有电子控制部分,主要负责接收门锁开关的触发信号,输出具有时间控制功能的继电器驱动信号;门锁电动机可以是全车门锁电动机或包括后备厢锁电动机。
① 门锁开启 将门锁开关(左或右)置于K1(K2)/开位置,搭铁→K1(K2)/3 →K1(K2)/1→门锁控制器4号端子→将门锁开启触发信号送给门锁控制器内,电子控制器将控制晶体管VT1工作在开关状态,晶体管VT1的c极和e极导通,搭铁信号送至J1/86,J1/85因有30电源,开锁继电器工作。门锁电动机电路为30 电源→门锁控制器1号端子→J1/87 → J1/30→门锁控制器3号端子→M/1→M/2→门锁控制器6号端子→J2/30 → J2/87a→门锁控制器2号端子→31搭铁→蓄电池负极。此时门锁电动机M/1为正,M/2为负,打开门锁,动作时间取决于门锁控制器电子控制部分。
② 门锁闭锁 将门锁开关(左或右)置于K1(K2)/闭锁位置,搭铁→K1(K2)/3 → K1(K2)/2→门锁控制器5号端子→将门锁闭锁触发信号送给门锁控制器内,电子控制器将控制晶体管VT2工作在开关状态,晶体管VT2的c 极和e极导通,搭铁信号送至J2/86,J2/85因有30电源,闭锁继电器工作。门锁电动机电路为30电源→门锁控制器1号端子→J2/87 → J2/30→门锁控制器6号端子→M/2→M/1→ 门锁控制器1号端子→J2/30 → J2/87a→ 门锁控制器2号端子→31搭铁→蓄电池负极。此时门锁电动机M/2为正,M/1为负,闭锁门锁,动作时间取决于门锁控制器电子控制部分。
2
中控门锁自动控制
中控门锁自动控制是指除门锁开关外,还可以受控于车速控制,也就是当车速达到某一规定值时,自动门锁系统将自动锁死车门,即使按动开关开门,门锁也打不开。当车速降低至某一规定值时,自动闭锁系统将自动解除控制,此时按下开锁开关,门锁便可打开。
汽车自动门锁系统控制电路如下图所示,主要由门锁电磁阀、门锁开关、自动门锁控制器及车速信号传感器等组成,电路工作原理如下:

① 开启门锁 当手动门锁开关或钥匙门锁开关位于开锁状态时,门锁控制器1号或7号端子经手动或钥匙门锁开关搭铁,将门锁开启负触发信号送给门锁控制器,内部继电器工作,门锁执行电磁线圈电路为蓄电池正极→断电保护器→门锁ECU的6号端子→触点K3→门锁ECU的2号端子→门锁执行电磁线圈→门锁ECU的5号端子→触点K2→门锁ECU的10号端子→搭铁→蓄电池负极。此时,门锁执行电磁线圈反向通电,活动铁芯运动,车门开锁。
② 闭锁门锁 当手动门锁开关或钥匙门锁开关位于开锁状态时,门锁控制器3号端子经手动或钥匙门锁开关搭铁,将门锁闭锁负触发信号送给门锁控制器,内部继电器工作,门锁执行电磁线圈电路为蓄电池正极→断电保护器→门锁ECU的6号端子→触点K1→门锁ECU的5号端子→门锁执行电磁线圈→门锁ECU的2号端子→触点K4→门锁ECU的10号端子→搭铁→蓄电池负极。此时,门锁执行电磁线圈正向通电,活动铁芯运动,车门闭锁。
③ 自动闭锁 只有门锁处于开锁状态,门锁控制器的9号端子检测到速度传感器的车速信号升至规定值时,门锁ECU通过对内部继电器的控制,使触点K1、K4闭合,门锁执行电磁线圈电路同闭锁相同。
钥匙限定防止系统的作用是当点火开关钥匙未从点火开关上拔下,打开驾驶员侧车门,用手动或门锁钥匙闭锁车门时,钥匙未锁报警开关的信号通过端子4输入门锁控制器,门锁ECU则强制使内部继电器工作在门锁开启状态,即触点K2、K3 闭合,门锁执行电子线圈电路同开锁相同。
3
中控门锁遥控控制
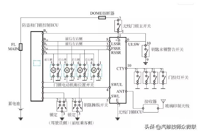
下图为轿车遥控门锁系统电路,主要由遥控门锁主开关、遥控发射器、遥控门锁ECU、玻璃印制天线(除霜电热丝)、防盗和门锁ECU、门控灯开关,钥匙未锁警告开关、门锁电动机和位置开关等组成,电路工作原理如下:

当遥控门锁主开关接通时,蓄电池电压加到遥控门锁ECU的+B端子上,由遥控门锁ECU的E端子搭铁,遥控门锁ECU具备工作条件。
① 遥控天线电路 操纵点火钥匙上的发射器时,电磁波有后窗玻璃上的印制天线接收,通过匹配器将其送至遥控门锁ECU的ANT端子,遥控门锁ECU即可控制车门锁的开启或闭锁。
② 车门位置开关电路 车门位置开关设在门锁电动机总成内,当车门锁按钮处于锁住位置时,开关断开;当车门锁按钮处于打开位置时,开关接通。遥控门锁ECU的LSSR、FSSR、RSSR端子分别为左前门、右前门和两后门的车门位置开关端子。当4个车门的任一车门锁按钮处于锁住位置时,相对应的ECU端子的电压为蓄电池电压12V ;相反,当车门锁按钮处于打开位置时,端子的电压为搭铁电压0。
③ 钥匙操纵开关电路 操纵钥匙开关设在车门锁芯内,当车门钥匙转至锁住侧时,开关的锁住端子(SWL)搭铁,当车门钥匙转至打开侧时,开关的打开端子(SWUL)搭铁。当点火开关接通时,蓄电池电压通过防盗ECU加到遥控门锁ECU的锁住端子SWL和打开端子SWUL上,即锁住端子SWL和打开端子SWUL的电压为12V。当钥匙操纵开关锁住端子搭铁时,遥控门锁ECU的锁住端子SWL的电压为0 ;当钥匙操纵开关打开端子搭铁时,遥控门锁ECU的打开端子SWUL的电压为0。
当遥控门锁ECU的ANT端子接到点火钥匙发送器发出的遥控电波信号时,根据SWL端子和SWUL端子电压信号,输出打开或锁住所有车门的信号,该信号通过两个ECU之间的通信线路B7-FSSR、B10-LSSR、A11-RSSR给防盗ECU,防盗ECU即控制门锁锁住或打开。
④ 钥匙未锁警告开关电路 当钥匙插入点火开关锁芯时,钥匙未锁警告开关接通,遥控门锁ECU的ULSW端子电压为0,ECU执行钥匙禁闭预防功能;钥匙未插入时,开关断开,ULSW端子的电压为蓄电池电压12V,钥匙禁闭预防功能解除。
⑤ 门控灯开关电路 门控灯开关在车门打开时接通,车门关闭时关断,当任一车门打开时,遥控门锁ECU的CTY端子电压为0 ;当所有车门均关闭时,CTY端子电压为蓄电池电压12V。