1 主题内容与适用范围
本手册规定了我公司所有机柜、机箱在加工过程中应达到的基本要求。
本手册适用于加工华为公司、艾默生公司、安捷信公司的机柜、机箱。
3 引用标准和文件
GB/T 1804--92 一般公差 线性尺寸的未注公差
WI-T00-008 钣金机械制造工艺基本术语
所有相关《华为企业技术规范》
4 基本要求
3.1在生产中,每个员工、每道工序都必须按图纸、工艺、标准进行加工;当图纸与工艺不符合时以工艺为准。
3.2图纸、工艺有公差标注要求时,按公差要求加工。
3.3图纸、工艺未注公差时,按 GB/T 1804-92m级加工。
3.4当图纸标注尺寸及公差与工艺要求尺寸及公差不一致时,按工艺要求加工。
3.5机柜外形按允许公差的正公差加工,机箱外形按允许公差的负公差加工。
3.6门的外形按允许公差的负公差加工,严禁出现正公差。
3.7未注公差要求的孔,按GB/T 1804-92 m级的正公差并偏上加工。
3.8所有产品因电镀或热浸锌必须开工艺孔时,所开工艺孔应在产品正面不可见的位置。
3.8各种铝合金面板,外形未注公差时,按GB/T 1804-92 f级的负差且偏下加工。
3.9对于压铆后折弯的工艺顺序,在编排工艺时要特别小心,太小的折边压铆后折弯会发生干涉。
3.10有电镀要求的零件,华为技术规范要求需电镀后压铆,如果折弯后压铆困难,工艺上应注明需辅助压铆工装。
3.11 板材厚折边又太小的情况,必须把无法折到位的局部尺寸留多点余量,折弯后在冲掉或铣掉多余量的工
艺顺序。
3.12除特殊说明外毛刺方向必须在折弯内边,所以在工艺编排用折弯图或文字加以叙述。
5 下料补充要求
4.1冷轧薄板、电解板、剪料对角线允差(每批一致性好)
4.1.1立柱用料
<1000mm≤0.3
≥1000mm≤0.5
4.12门板用料
<1000mm≤0.5
≥1000mm≤0.8
4.1.3其它结构件≤0.5
4.2铝型材长度允差
<500mm≤0.3
≥500~1000mm≤0.5
≥1000~1500mm≤0.8
≥1500~2000mm≤1.0
≥2000mm≤1.2
4.3铜排长度允许公差
铜排厚度≥6mm剪切断面常为斜面,测量时应以最大长度尺寸计,允许误差按GB/T 1804 C级。
6 冲孔、钻孔要求
5.1螺栓过孔
a) 1孔径允差按图纸所标b) 注的螺栓重要性来决定,c) 孔只允许正差。
a 重要孔(孔系,如压铆底孔等):<φ5允差≤0.1
≥φ5允差≤0.2
c 次要孔(孔系,如螺栓过孔等):<φ5允差≤0.2
≥φ5 ~φ8允差≤0.3
≥φ8允差≤0.4
在冲孔时必须考虑加工余量,若后续需喷涂粉末,表处前孔径必须增加∮0.4~∮0.5,热浸锌产品后续表面喷涂孔径必须增加∮0.8~∮1.0mm的加工余量.喷漆件必须增加∮0.3~∮0.4mm的余量.
5.1.2孔的位置度公差
螺栓连接两个(或两个以上)零件,螺栓过孔为光孔且孔径大于螺栓直径。
计算公式如下:
T≤K(Dmin-- dmax)
式中:T-----孔的位置度公差
Dmin-----光孔的最小尺寸
dmax-----最大轴径(螺栓的最大直径)
K-----间隙利用系数
不需调整的固定连接 K= 1
需要调整的固定连接 K= 0.8(0.6)
6、展开工艺
6.1 展开的计算法
板料在弯曲过程中外层受到拉应力,内层受到压应力,从拉到压之间有一既不受拉力又不受压力的过渡层--中性层,中性层在弯曲过程中的长度和弯曲前一样,保持不变,所以中性层是计算弯曲件展开长度的基准.中性层位置与变形程度有关, 当弯曲半径较大,折弯角度较小时,变形程度较小,中性层位置靠近板料厚度的中心处,当弯曲半径变小, 折弯角度增大时,变形程度随之增大,中性层位置逐渐向弯曲中心的内侧移动.中性层到板料内侧的距离用λ表示。一般情况取λ=t/3。
机柜、机箱应在数控折弯机折弯,当要求精度不高件在普通折弯机上折弯时,质检可按 GB/T1804 -92C级验收。
6.2展开的基本公式:
6.2.1外尺寸法展开长度L=料外1+料外
2+……+料外 n-补偿量Kn
L=L1+L2+……LN+LR—Kn
L——展开总尺寸
L1、L2……LN——折弯外尺寸
LR=πR/2 R——大于板厚的内园角尺寸
K——系数(查折弯系数K、K’一览表)
n——折弯个数

6.2.1.2 板材K系数见“折弯系数K一览表”
6.2.1.3折弯尺寸计算范例
用展开尺寸经验公式计算机柜立柱展开尺寸:
L=L1+L2+…+LN+LR-kn
L1---L2折弯外尺寸
LR=ЛR/2 R为(内缘半径 + t /3)
n为折弯半径小于板厚的折弯个数
t=板厚
k为每折一个弯减去值(查表)
L=25+17+42+(50-10-2)+Л×(10+t /3)/2
+(47-10-2)+15+25+15-3.34×6
=208.71
由于折弯刀长期使用造成磨损, 故取r=0.6mm;折弯下模槽宽采用5T(5*板厚);当R=r=0.6mm时,则n=7
L=25+17+42+50+47+15+25+15-3.34×7=212.62
6.2.1.3压死边折弯系数K= 0.43 t
6.2.2内尺寸法展开长度=料内+料内+补偿量
6.2.2.1折弯尺寸计算范例
用展开尺寸经验公式计算机柜立柱展开尺寸:
L=L1+L2+…+LN+LR+k’n
L1---L2折弯内尺寸
LR=ЛR/2 R为(内缘半径 + t /3)
n为折弯半径小于板厚的折弯个数
t=板厚
k’为每折一个弯的补偿值(查表)
L=23+13+38+(50-10-2-2)+Л×(10+t /3)/2 +(47-10-2-2)+11+21+13+0.66×6
=208.71
由于折弯刀长期使用造成磨损, 故取r=0.6mm;折弯下模槽宽采用5T(5*板厚)
6.2.2.2各种折弯情况按内尺寸细解表





6.3折床加工注意事项
6.3.1 折弯加工顺序的基本原则:
6.3.1.1 由小到大进行折弯.
6.3.1.2 先折弯特殊形状(指不是900的形状),再折弯一般形状.
6.3.1.3 前工序成型后对后继工序不产生影响或干涉.
6.3.2. 折床的加工工艺参数:
折床使用的下模V槽通常为5TV,如果使用5T-1V则折弯系数也要相应加大, 如果使用5T+1V则折弯系数也要相应减小.(T表示料厚,具体系数参见折床折弯系数一览表)

折弯系数一览表
6.3.3 折弯的加工范围:
6.3.3.1折弯线到边缘的距离大于V槽的一半.如 1.0mm的材料使用4V的下模则最小距离为2mm.下表为不
同料厚的最小折边:

6.3.3.2反折压平:当凸包与反折压平方向相反,且距折弯线距离L≦2.5t,压平会使凸包变形,工艺处理:在压平前,将一个治具套在工件下面,治具厚度略大于或等于凸包高度,然后再用压平模压平。
6.3.3.3电镀工件的折弯必须注意压痕及镀层的脱落(在图纸上应作特别说明,我们是用下模垫胶纸的方法保护)。
6.3.3.4段差

从图中可看出段差的干涉加工范围.
根据成形角度分为直边断差和斜边断差,加工方式则依照断差高度而定.
直边断差:当断差高度h小于3.5倍料厚时采用断差模或简易模成形,大于3.5倍料厚时采用正常一正一反两折完成.
斜边断差:当斜边长度l小于3.5倍料厚时采用断差模或简易模成形,大于3.5倍料厚时采用正常一正一反两折完成.

7 板金加工的连接方式及其工艺
7.1连接方式种类:
焊接,拉(螺)钉铆接,抽孔铆合,TOX铆接(我司目前没有应用)等。
7.2焊接:
7.2.1定义:焊接过程的本质就是通过适当的物理化学过程,使两个分离表面的金属原子接近到晶格距离(0.3~0.5nm),形成金属键,从而使两金属连为一体,达到焊接的目的。
7.2.2焊接方法与分类
现行作业方式中以钨极氩弧焊﹐熔化极氩弧焊和点焊最为常见﹐所以下面重点介绍这三种焊接方式﹕
7.3焊缝连接及其符号
国标GB324-88<焊缝符号表示法>规定焊缝符号适用于金属熔化焊和电阻焊。标准规定﹐为了简化﹐图纸
上焊缝一般应采用焊缝符号来表示﹐但也可采用技术制图方法表示。国标规定的焊缝符号包括基本符号﹑辅助符号﹑补充符号和焊缝尺寸符号。焊缝符号一般由基本符号和指引线组成,必要时可加上辅助符号﹑补充符号和焊缝尺寸符号。可焊接易氧化的有色金属及其合金、不锈钢、高温合金、钛及钛合金以及难熔的活性金属(如钼、铌、锆)等,脉冲钨极氩弧焊适宜于焊接薄板,特别适用于全位置管道对接焊,它使原子能和电站锅炉工程的焊缝质量得到了显着提高。但是钨电极的载流能力有限,电弧功率受到限制,致使焊缝熔深浅,焊接速度低,所以,钨极氩弧焊一般只适于焊接厚度小于6mm的工件。
基本符号是表示焊缝横截面形状的符号。国标GB324-88中规定的13种基本符号见表7-3。
焊缝辅助符号是表示焊缝表面形状特征的符号。国标GB324-88中规定的三种辅助符号见表7-4。
焊缝辅助符号是为了补充说明焊缝的某些特征而采用的符号。国标GB324-88中规定的补充符号见表7-5。
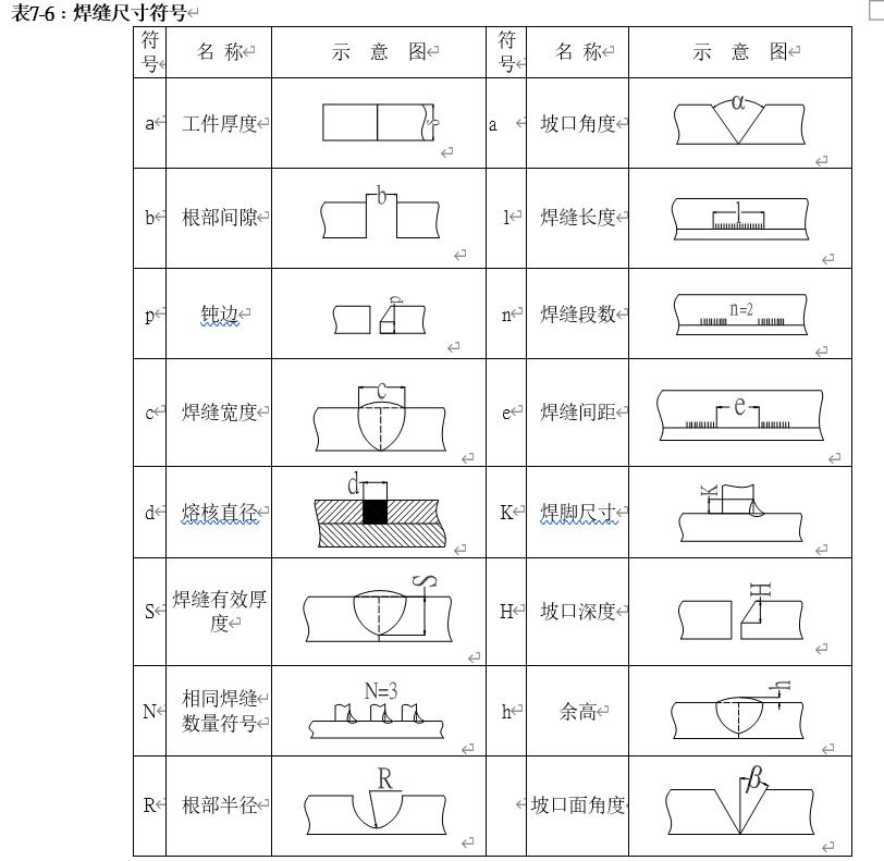
焊缝尺寸符号是表示坡口和焊缝各特征尺寸的符号。国标GB324-88中规定的16个尺寸符号见表 7-6。

7.4﹑焊接符号在图面上的位置
7.4.1 基本要求﹕
完整的焊缝表示方法除了上述基本符号﹐辅助符号﹐补充符号以外﹐还包括指引线﹐一些尺寸符号及数据。
焊缝符号和焊接方法代号必须通过指引线及有关规定才能准确的表示焊缝。
指引线一般由带有箭头的指引线(简称箭头线)和两条基准线(一条为实线﹐另一条为虚线)两部分组成。
7.4.2 箭头和接头的关系﹕
下图实例给出接头的箭头侧和非箭头侧的含义﹕

7.4.*箭3**头线的位置
箭头线相对焊缝的位置一般没有特殊要求﹐但标注V﹑单边V﹐J形焊缝时﹐箭头线应指向带有坡口一侧的工件。必要时允许箭头线弯折一次。
7.4.4 基准线的位置
基准线的虚线可以画在基准线的实在线侧或下侧﹐基准线一般应与图样的底边平行﹐但在特殊条件下也可与底边垂直。
7.4.5 基本符号相对基准线的位置
3 如果焊缝和箭头线在接头的同一侧﹐即将焊缝基本符号标在实线侧。如下图﹕

表7-3 :焊接基本符号


7.5焊缝尺寸符号及其标注位置﹕
7.5.1焊缝尺寸符号及数据的标注原则如下图﹕
焊缝横截面上的尺寸标l10 在基本符号的左侧﹔
焊缝长度方向尺寸标l12 在基本符号的右侧﹔
坡口角度﹐坡口面角度﹐根部间隙等尺寸标l14 在基本符号的上侧或下侧﹔
相同l16 焊缝数量符号标l17 在尾部﹔
当需要标l19 注的尺寸数据较多又不l20 易分辨时﹐可在数据前面增加相应的尺寸符号。
当箭头方向变化时﹐上述原则不l22 变。

7.5.2 关于尺寸符号的说明﹕
确定焊缝位置的尺寸不l2 在焊缝符号中给出﹐而l3 是将其标l4 注在图样上。
在基本符号的右侧无任何标l6 注又无其它说明时﹐意味着焊缝在工件的整个长度上是连续的。
在基本符号的左侧无任何标l8 注又无其它说明时﹐表示对接焊缝要完全焊透。
塞焊缝﹐槽焊缝带有斜边时﹐应该标l10 注孔底部的尺寸。
7.6 焊接制造工艺
7.6.1识图
在制造过程中,对于工艺设计人员﹐首先拿到图面时﹐第一步要了解工件的结构。在此基础上﹐了解客户要求的焊接内容﹐包括焊接的位置﹐采取焊接的方法﹐是否需要打磨及其它特殊要求。了解客户的意图非常重要﹐这决定了我们后段所要采取的工艺流程。
7.6.2焊接方法的确定﹕
一般情况下﹐客户图面已经明确地标识出焊接的方法及要求﹕是用烧焊还是采用点焊? 焊缝多长? 截面尺寸? 但有可能在某些情况下﹐例如我们会觉得将烧焊改为点焊更好时﹐可以向客户确认更改焊接方式。
7.6.3点焊的工艺要求:
7.6.3.1点焊的总厚度不得超过8mm,焊点的大小一般为2T+3(2T表示两焊件的料厚),由于上电极是中空并通过冷却水来冷却.因此电极不能无限制的减小,最小直径一般为3~4mm.
7.6.3.2点焊的工件必须在其中相互接触的某一面冲排焊点,以增加焊接强度,通常排焊点大小为Φ1.5~2.5mm高度为0.3mm左右.
7.6.3.3两焊点的距离:焊件越厚两焊点的中心距也越大,偏小则过热使工件容易变形, 偏大则强度不够使两工件间出现裂缝.通常两焊点的距离不超过35mm(针对2mm以下的材料).
7.6.3.4焊件的间隙:在点焊之前两工件的间隙一般不超过0.8mm,当工件通过折弯后再点焊时,此时排焊点的位置及高度非常重要,如果不当,点焊容易错位或变形,导致误差较大.
7.6.3.5点焊的缺陷:
(1)破损工件的表面, 焊点处极易形成毛刺须作抛光及防锈处理.
(2)点焊的定位必须依赖于定位治具来完成, 如果用定位点来定位其稳定性不佳.
7.6.3.6 点焊的干涉加工范围:
以下是焊机点焊的示意图, 图中的数据为加工范围

7.6.4 氩弧焊:用氩气作为保护气体的电弧焊
7.6.4.1氩焊产生的热量特别大,对工件有很大影响,使工件很容易变形,而薄材则更容易烧坏.
7.6.4.2铝材的焊接: 铝及铝合金的溶点低,高温时强度和塑形低,焊接不慎会烧穿且在焊缝面会出现焊瘤.如果两铝材平面焊接,通常在其中一面冲塞焊孔,以增强焊接强度. 如果是长缝焊,一般进行分段点固焊, 点焊的长度为30mm左右(金属厚度2mm~5mm).
7.6.4.3铁材的焊接:两工件垂直焊接时,可考虑在这两个工件上分别开工艺定位孔及定位口使其自身就能定位.且端口不能超出另一工件的料厚,也可以冲定位点,使工件定位且需用夹具将被焊处夹紧,以免使工件受热影响而导致尺寸不准.
7.6.4.4氩弧缺陷:氩弧焊容易将工件烧坏,导致产生缺口.焊后的工件需要在焊接处进行打磨及抛光.
当工件展开发生干涉或工件太大,可考虑(与客户协商)将该工件分成若干部分然后通过氩弧焊来克服,
使其被焊成一体.
7.6.5 CO2保护焊
7.6.5.1一般适用于大于2mm厚的钢材焊接, 象低熔点金属如:铝、锡、锌等不能使用
7.6.5.2 CO2保护焊的常见缺陷有:裂纹、未熔合、气孔、未焊透、夹渣、飞溅、熔透过大等。
7.6.6手工电弧焊、氩弧焊与CO2保护焊优缺点比较

7.6.7焊接注意事项:
①、所有t≤2mm的薄板结构件,只限用氩弧焊或CO2保护焊焊接。
②、所有影响外观的焊接部位,除特别要求外焊后必须打磨光滑、平整平面度≤0.1;不影响外观的焊接处,当焊缝高出平面1.5mm时也应打磨;内转角处不允许有焊渣、飞溅存在;外转角处尖角应打磨成≤R2的圆角。
7.7 抽孔铆合:
定义:其中的一零件为抽孔,另一零件为色拉孔,通过铆合模使之成为不可拆卸的连接体.
优越性:抽孔与其相配合的色拉孔的本身具有定位功能.铆合强度高,通过模具铆合效率也比较高.
缺陷:一次性连接,不可拆卸.
注:抽孔铆合的数据及相关说明详见(抽孔铆合数据表).
当图面处理失误,抽孔的高度没有达到时,导致无法铆合或铆合强度不够,可通过减小壁厚来补救.
其中的一零件为抽孔,另一零件为色拉孔,通过铆合模使之成为不可拆卸的连接体.
优越性:抽孔与其相配合的色拉孔的本身具有定位功能.
铆合强度高,通过模具铆合效率也比较高.

1注: 抽孔铆合一般原则 H=T+T’+(0.3~0.4)
D=D’-0.3 D-d=0.8T
当T≧0.8mm时,抽孔壁厚取0.4T. 当T<0.8mm时,通常抽孔壁厚取0.3mm.
H’通常取0.46±0.12
7.8 拉钉铆接:
7.8.1拉钉分为平头,圆头(也称伞形)两种, 平头拉钉的铆接其中与拉钉头接触的一面必须是沙拉孔.,圆头拉钉的铆接其接触面均为平面.
7.8.1.2 定义:通过拉钉将两个带通孔的零件,用拉钉枪拉动拉杆直至拉断使外包的拉钉套外涨变大,从而使之成为不可拆卸的连接体.
7.8.2.3拉钉铆接参数:

注:通常零件的通孔比拉钉标称直径D大0.2~0.3mm.
拉钉孔中心距边缘的距离大于2倍的拉钉孔大小,此时铆合强度最佳,如偏小则强度大打折扣。
注: (1)平头拉钉主要用于表面要求严,表面不得有凸出的冲件连接.冲件上有色拉孔镶嵌平头拉钉的平头,使其平头不露出冲件表面.
(2) 拉钉可通过发黑或其它处理以满足客户要求使之与组装工件的颜色相匹配.
7.9 铆螺母、铆螺钉的基本要求
①、原则上小于1mm的板不作压铆处理;
②、压铆台阶越小,其铆接牢固性就越差,因此压铆后的螺母、螺钉台阶面应与板面平齐(应选择铆螺母、铆螺钉台阶高度与板厚接近且小于板厚0.1~0.2mm效果最好);
③、压铆的接牢固性没有涨铆好,除有特殊要求外尽可能选用涨铆螺母;
④、板厚大于3.0mm一般不用六角头压铆螺钉,改用圆头压铆螺钉;以保证压铆头压后平整度;
⑤、对英制铆螺母、铆螺钉用得很少,在此手册里不作详细说明,客户来图有要求时参照供应商提供的标准使用。
⑥、M5以下圆头压铆螺钉,适于铆接板厚1.0~2.0mm板; M6圆头压铆螺钉,适于铆接2.0~2.5mm的板; M8圆头压铆螺钉,适于铆接厚2.5mm以上的板;
⑦、小于1mm的材料,花齿压铆可靠性差;如无特殊要求,可改为涨铆,若对铆螺母高度有限制,则压后在不影响螺纹面用氩弧焊点焊2~3点。
7.10铆螺母、铆螺钉连接底孔汇总表

7.11适用于不同板厚的铆螺母、铆螺钉表示方法


8 常见的表面处理
8.1磷酸盐皮膜处理
用酸式磷酸盐处理金属零件时,在其表面上得到磷酸盐覆盖层,称为磷化. 磷化膜具有耐磨性并可降低磨擦系数还可以提高电绝缘性能.
8.1.1 目的: 防止金属腐蚀.
8.1.2磷化过程中产生的缺陷及原因

华为磷化处理工艺要求:磷化膜颜色应是灰色至浅深灰色.膜层必须连续,均匀,结晶细致,无疏松膜严重挂灰划伤白点手印锈斑
8.1.3金属钝化
金属表面的钝化就是用化学方法,使金属表面形成一种钝化膜,这种钝化膜在一般大气中能耐腐蚀以防金属在防腐施工前生锈,这种改善金属表面的办法称为钝化. (铝材的钝化前一般采用化学氧化)
常用钝化剂:硝酸盐, 亚硝酸盐,铬酸盐,重铬酸盐等.
8.1.4缺陷:
磷酸盐处理对零件的本身影响不大,但对普通材质的五金零件具有腐蚀作用,因此必须考虑五金零件的铆合工艺安排.
8.2氧化
作用:一般用来提高零件表面的抗蚀能力,并得到美丽的外观,如五金零件,弹簧,铝材等的氧化发黑.(对零件尺寸及精度无显著影响)
铝材阳极氧化: 能显著提高铝及其合金制品的耐蚀性,耐磨性,同时吸附涂料与色料的能力也很强
8.3喷砂处理
8.3.1干式喷砂处理:利用压缩气体或高速旋转的叶轮,将磨料加速冲墼基体表面,去除油污,锈及残留物,使基体表面清洁,粗化,还能使表面产生内应力,对提高疲劳强度有利.
8.3.2 砂粒的种类及主要成分:

8.4拉丝处理
8.4.1拉丝的工艺处理:
(1) 不同型号的砂纸所形成的纹路也不一样,砂纸的型号越大,砂粒越细所形成的纹路也就越浅,反之, 砂纸的型号越小,砂粒越粗所形成的纹路也就越深.因此在工程图面上必须注明砂纸型号.
(2) 拉丝具有方向性:工程图面上必须注明是直纹还横纹拉丝(用双箭头表示).
(3) 拉丝工件的拉丝面不能有任何凸起部分,否则会将该凸起部分拉平.
注: 一般情况下拉丝后须再作电镀,氧化等处理.如:铁材电镀, 铝材氧化.由于拉丝机的缺陷,小工件及工件上有比较大的孔时,须考虑设计拉丝治具,以避免拉丝后,导致工件质量不良.
8.4.2拉丝机功能及注意事项:
在拉丝前须根据材料的厚度调整拉丝机至适当高度.
输送带速度越慢,研磨得越细,反之越粗.进给深度太大,则工件表面会烧伤,因此每次进给不应太多,应在0.05mm左右.
压筒的压力太小,会压不紧工件,工件受滚轮离心力作用被甩出来,压力太大会加大研磨阻力,影响研磨效果.
拉丝机有效拉丝宽度不超过600mm.如果长度方向大于600mm而宽度方向小于600mm则必须注意拉丝方向,因拉丝方向是沿材料进给方向.
8.5电镀
8.5.1在工件的表面镀上一层金属薄膜,使其具有防腐,耐磨,润滑,电导性等作用. 如: 镀白锌,彩锌,镀铜等
8.5.3不同材料的镀层规格

注:镀层脱落的原因有 1.工件镀前清洗不彻底 2.镀液不良有杂质等.
8.6喷涂
8.6.1烤漆
8.6.1 烤漆前的表面处理:除锈,除油,磷化处理.
烤漆对工件一般要求及工艺处理:
(2) 烤漆对工件表面要求平整,凹凸不平影响外观.
(3) 在要求的烤漆面上如有通孔,工艺安排时须对该孔作单边加0.1mm处理,以避免因烤漆导致该孔减小.
(4) 在烤漆面如有通孔螺柱,螺母及直接攻芽螺纹则须注明并特别提醒注意以避免烤漆粘附在螺纹上而导致不良.
(5) 烤漆后的工件一般不能受外界的冲击力,如折弯,冲压等.以避免烤漆层脱落.
(6) 烤漆工件的表面
(7) 烤漆的检验方法:用单面刀片割刺漆膜,纵横各四条,线距1mm形成边长为1mm的小方格9个随后用胶纸贴紧压实,然后用力突然向斜上方拉开,观察漆膜.
8.6.2华为表面处理代码简介
8.7丝印
8.7.1 丝印的工艺要求及注意事项:
(1) 丝印工序通常为最后一道加工工序(下一道工序为组装),而在丝印前都有经过表面处理.如:电镀,烤漆,氧化等表面处理.
(2) 丝印工件的表面虽可有凸起部分但所要求丝印的区域不能凹凸不平,在丝印区域附近不能又有锋利棱角以免丝印时导致丝网破裂.
(3) 工件的丝印必须要有定位,工艺安排时必须考虑丝印时能否定位.必要时可追加定位治具.
(4) 丝印后的工件必须经过烤炉烤,因此工件上不能有任何经高温而受损伤的物体.
8.8. 抛光
8.8.1 优越性:如普通的不锈钢抛光后可得到类似镜子一样光亮的表面.
点焊后的工件出现熔渣可利用抛光机去除,如用砂轮机则容易磨成高低不平的平面.
9 五金件规格工艺处理

9.1五金零件用法及代号说明
9.1.1盲孔螺柱电镀后可能会残留电镀液在里面从而引发生锈, 螺柱越长越容易产生这种现象.
解决方法:尽可能与客户协商使用通孔螺柱,或提醒电镀商引起重视.
9.1.2型号说明:

材料说明:
螺柱类: SO表示钢, SOS表示不锈钢, SOA表示铝材.
螺母类: S表示碳钢, CLS表示不锈钢, CLA表示铝材.
浮动螺母类: AS表示碳钢, AC表示不锈钢, LAS表示碳钢, LAC表示不锈钢.
螺钉类: FH表示钢, FHS表示不锈钢, FHA表示铝材.
9.1.2 3.5M3与M3的区别:都是M3的芽,但3.5M3的壁厚比M3大,即底孔不一样.螺柱6440与440的区别: 即6440的壁厚比440大.6440的底孔为&5.4而440的底孔为&4.2
9.1.3 铝材上铆螺母容易松动,在工程图面上应特别说明(如用扭力器测试).
9.1.4 螺母压入材料太浅或材料太薄均会导致松动.
9.1.5不同规格的螺母与最小板厚的对应关系:

9.2螺纹底孔、翻边底孔
当前工序为数控冲时请冲底孔,若直接由普通冲打≤M4翻边孔时不用打底孔。
9.2.1抽孔、攻芽小径(底孔)参数
9.2.1.1公制


注: ①使用切削式丝攻
②抽孔高度不小3倍螺距
③料厚小于0.5mm时抽孔的壁厚为料厚
料厚在0.5~0.8mm之间时抽孔的壁厚为0.7倍料厚
料厚大(等)于0.8mm时抽孔的壁厚为0.65倍料厚
9.2.2攻芽应注意的事项:
9.2.2.1 当材料需直接攻芽时,最好不用LASER割底孔,因为LASER割孔时将材料淬火(LASER切割属于热切割)而峦硬,使攻芽相当困难,不锈钢,模具钢则更明显,解决办法:可考虑先LASER割小孔,再将孔扩成所需的底孔,如果客户同意可将孔的两面分别倒色拉孔(针对太硬的材料而言.例:不锈钢,模具钢等),但最少必须有3个芽距.
9.2.2.2 攻芽机的加工范围X*Y=900*1000mm,如果工件有多处攻芽且与机床的接触面无凸出部分,则可考虑用自动攻芽机,特别是小工件可考虑先攻芽(一片料上含几个工件)再二次加工,这样加工的效率非常高.
9.2.4沉头螺钉锪沉孔

10、 常用的板金材料代号对照表

11、GB/T 1804--92“一般线性尺寸的未注尺寸公差”见下表:
