
故障现象
一辆2 0 1 1 款别克君越车, 搭 载2 . 4 L L A F L 4 S I D I 型发动机,行 驶里程为2 4 9 7 2 0 k m , V I N 代码为 LSGGF53W5BH******。据车主反映, 该车空调制冷效果较差。
故障诊断与排除
接车后, 对车主所述现象进行验 证,情况属实。考虑到该车空调控制系 统工作正常,在空调制冷系统工作时, 笔者用手分别触摸空调压缩机的高低压 管路,发现其高低压管路的温差并不明 显。接上歧管压力表,启动发动机,并 开启空调系统,工作一段时间后,测量 制冷系统的高低压端的压力。通过检查 发现,相比正常空调系统工作时的压 力,该车低压侧压力正常,但高压侧的 压力较高,达到1.98MPa。引起高压 侧压力偏高的可能原因:一方面是空调 系统的膨胀阀出现脏堵,另一方面是冷 凝器散热效果较差,导致制冷剂液化速 度下降。停车一段时间后再次测量空调 系统压力,结果显示正常,说明空调管 路中的制冷剂正常。
根据上述检查和分析,本着“先易 后难”的原则,首先对故障车空调系统冷 凝器进行了检测和清洗。在清洗过程中发 现,冷凝器前部区域覆盖了一层较厚的粉 尘,考虑是春季杨柳扬花季节车辆行驶过 多,覆盖在冷凝器表面,导致散热效果较 差。同时发现冷凝器下半部分的散热翅片 有倒伏现象(图1)。靠近细检查发现,散 热翅片倒向一边,但没有划过的痕迹。认真冷凝器在车上的安装位置,倒伏部分正好与前保险杠下通风口处相对应。推测冷凝器翅片倒伏是洗车时高压高速的水流冲击所致。散热翅片倒伏,使得这部分管路周边空气流速减小,散热效果变差。于是将冷凝器外表面进行了彻底清洗,着车后将空调制冷系统打开试验,发现制冷效果有所改善。为保险起见,更换整个冷凝器总成,同时为避免再次被柳絮杨花和尘埃覆盖,在冷凝器前方安装了网孔细密的防护罩。加注好制冷剂后试车,空调制冷效果良好,交车。

交车后没过几天,该车再次进店,反映制冷效果虽然较有以前有所改善,但依然感觉到不够凉。重新进行检查,同时开车进行路试,发现在车间内制冷效果尚可,但在路上温度高、室内制冷负荷大的情况下,制冷效果显然是有点差,测量出风口温度,大概将近10℃(图2),出风口温度有点高。

重新连接歧管压力表组测量系统高低侧制冷剂压力,在制冷系统工作的过程中观察其压力的变化。与上次不同的是,空调系统高压侧压力有点偏低,而低压侧压力则较高。低压侧压力有时可达0.49~0.59MPa。这属于异常现象。造成低压偏高、高压偏低的原因,一方面由于冷凝器是新换的,热交换效果大幅度提高,导致高压侧压力有所降低;另一方面低压侧压力偏高很可能空调压缩机存在故障,压缩机压缩制冷的剂量减少从而导致低压侧压力升高。
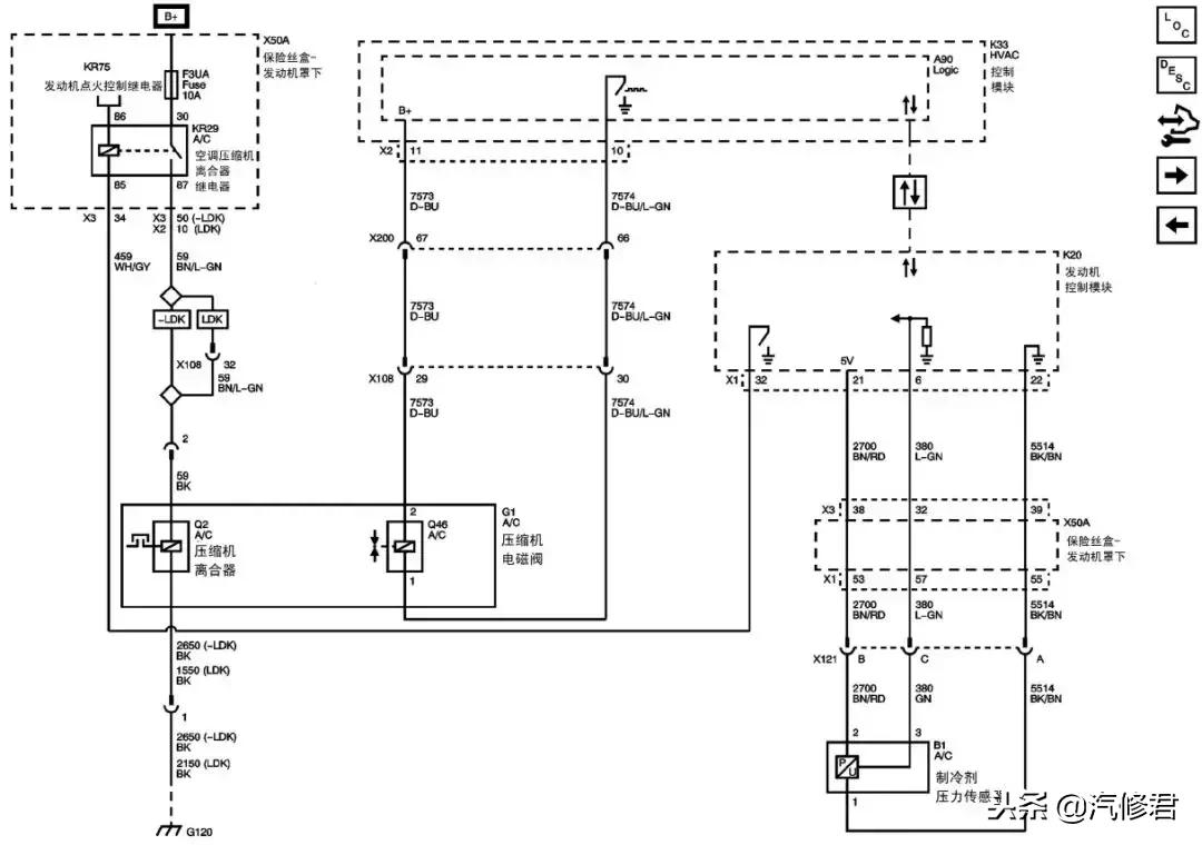
将制冷剂再次回收后,结合如图3所示空调压缩机控制电路图检查压缩机,发现空调压缩机除了受电磁离合器控制外,还受压缩机电磁阀的控制。别克君越的自动空调系统采用可变排量压缩机,通过空调系统的压缩机电磁阀来进行排量的控制。于是判断问题出在空调压缩机电磁阀上,可能是由于电磁阀脏堵导致通过制冷剂量减少。

图3 别克君越空调压缩机控制电路
首先考虑更换压缩机电磁阀,如没有相应配件的话,那就需要更换整个空调压缩机。图4为拆下的压缩机电磁阀,图5为压缩机电磁阀的安装位置示意图。

更换全新的压缩机电磁阀,将相关部件装复并加注制冷剂后,启动发动机、开启空调,观察歧管压力计的高低压表的显示(图6),高低压均显示正常。测量出风口的温度,比此前有所降低,达到5~6℃的样子(图7)。同时,在空调系统工作时用手触摸压缩机上的高低压力管路,感觉有明显的温差,低压管路非常凉。由此说明,空调制冷系统的工作正常。

维修小结
在空调制冷系统的初检中,我们可以利用手触摸相关部位的冷热感受来判断空调制冷系统的工作状况。具体方法是:当制冷系统工作正常时,低压管路呈低温状态,高压管路呈高温状态。从膨胀阀出口经蒸发器至压缩机入口为低压区;从压缩机出口经冷凝器、储液干燥器至膨胀阀为高压区。
检查低压区时,由膨胀阀出口经蒸发器至压缩机入口应当是由凉变冷,但无结霜现象。检查高压区时,由压缩机出口经冷凝器、储液干燥器至膨胀阀入口应当是由暖变热。需要注意的是,检查时注意手与被检查部位之间应保持一定的距离,以免烫伤。
如压缩机入口与出口之间无明显的温差,说明制冷剂泄漏或无制冷剂。如储液干燥器特别凉或其入口与出口之间温差比较明显,则说明储液干燥器堵塞。