
通病1:风管系统采用组合式法兰连接时接口漏风
(1)四块管片的下料咬口缝留量要控制在标准以内(指雄榫和雌榫的咬口流量)。低规范要求:风管必须通过工艺性的检测或验证,其强度和严密性要求应符合设计或下列规定:
1 风管的强度应能满足在1.5倍工作压力下接缝处无开裂;
2 矩形风管的允许漏风量应符合以下规定:
低压系统风管QL≤0.1056P0.65
中压系统风管QM≤0.0.352P0.65
高压系统风管QH≤0.0117P0.65
式中 QL 、QM 、QH——系统风管在相应工作压力下,单位面积风管单位时间内的允许漏风量[m3/(h·m3)];
P———指风管系统的工作压力(Pa)。
3 低压、中压圆形金属风管、复合材料风管以及采用非法兰形式的非金属风管的允许漏风量,应为矩形风管规定值的50%;
5 排烟、除尘、低温送风系统按中压系统风管的规定,1~5 级净化空调系统按高压系统风管的规定。
原因分析:
(1)通风、空调系统选用的法兰垫片材质不符合《施工验收规范》的要求;
(2)法兰垫片的厚度不够,因而影响弹性及紧固程度;
(3)管片下料咬口留量超过标准要求;
(4)咬口缝和法兰插条接缝处及孔洞缝隙处未用密封膏封严。
后果:风管系统采用组合式法兰连接严重漏风,漏风试验不合格,不符合质量标准,造成整个系统风量损失过大,无法满足风量要求,并造成能源严重浪费。
防治措施:
中压风管可采用按钮式咬口;高压风管或洁净系统风管四角处应用转角咬口缝或联合角咬口。
(2)风管咬口缝、无法兰插条接缝处及孔洞缝隙处,都必须用密封膏封严,不得漏风。
(3)法兰垫料必须采用不透气、弹性好、不易老化的连接材料,厚度3~5mm,宽度不应小于10mm。

通病2:风管安装前未清除内部杂物
规范要求:6.3.1 风管的安装应符合下列规定:1 风管安装前,应清除内、外杂物,并做好清洁和保护工作。
后果:
风管系统调试运行时灰尘大污染墙面及装饰,系统阻力增大严重时堵塞过滤网和管道。
措施:
风管安装前,清除内、外杂物,并做好清洁和成品,施工后及时封堵管口。

通病3:风管支、吊架间距过大
规范要求:风管支、吊架的安装应符合下列规定:
1 风管水平安装,直径或长边尺寸小于等于400mm,间距不应大于4m;大于400mm,不应大于3m。螺旋风管的支、吊架间距可分别延长至5m 和3.75m;对于薄钢板法兰的风管,其支、吊架间距不应大于3m;
2 风管垂直安装,间距不应大于4m,单根直管至少应有2个固定点;
3 风管支、吊架宜按国标图集与规范选用强度和刚度相适应的形式和规格。对于直径或边长大于2500mm 的超宽、超重等特殊风管的支、吊架应按设计规定。
4 支、吊架不宜设置在风口、阀门、检查门及自控机构处,离风口或插接管的距离不宜小于200mm。
后果:
风管支吊架的间距过大,会造成风管变形,影响感官效果;如果胀锚螺栓使用不当,分管的重量超过吊点的承载力甚至会造成风管坠落,出现施工安全隐患。
措施:
(1)风管支吊架的间距:按规范要求角钢法兰风管水平安装,直径或大边尺寸小于400mm,间距不大于4mm;大于或等于400mm,间距不应大于3mm。风管垂直安装,间距不应大于4m,但每根立管的固定件不应小于2个。户外保温风管支吊架的间距应按设计要求。螺旋风管的支吊架间距可为一般水平风管支吊架间距的1.25倍。组合法兰风管的间距为2~3M。特殊风管,如硬聚氯乙烯、无机玻璃钢风管、防火风管等其支吊架的间距可适量减少,或采用一般风管的0.7倍;
(2)根据吊点采用铆固螺栓直径的大小,正确使用钻头和控制钻孔深度,确保胀锚螺栓的钻孔直径;(参见表)

通病4:风管穿越防火、防爆的墙体或楼板处,未设预埋管或防护套管
规范要求:6.2.1 在风管穿过需要封闭的防火、防爆的墙体或楼板时,应设预埋管或防护套管,其钢板厚度不应小于1.6mm。风管与防护套管之间,应用不燃且对人体无危害的柔性材料封堵。
现象:
(1)风管穿越防火、防爆的墙体或楼板处,未设预埋管或防护套管;
(2)制作防护套管的钢板厚度太薄,不满足规范要求;
(3)防护套管与风管之间未用不燃柔性材料封堵。
原因分析:
(1)施工单位对规范不熟悉或不重视。
(2)施工单位为节省成本,偷工减料。
措施:
(1)图纸会审时设计单位应向施工单位强调风管穿过防火、防爆的墙体或楼板处设置预埋管或防护套管是规范强制性条文所要求的必须严格执行,并对具体做法进行严格交底。从节省成本和方便施工考虑,不需做绝热处理的风管建议设预埋管,需要绝热的风管建议设防护套管;
(2)施工过程中,监理单位应加强检查,发现问题应要求施工单位补设,防护套管钢板厚度不足1.6mm的应拆除返工。
通病5:砖结构风道与金属风管连接处未设预埋件或密封缝隙过大或连接处不严密。
规范要求:6.3.1 7 风管与砖、混凝土风道的连接接口,应顺着气流方向插入,并应采取密封措施,风管穿出屋面处应设有防雨装置;
后果:
无法进行砖、结构风道与金属风道的连接,形成系统漏风量过大,造成能源的损失。
措施:
在施工中必须按要求在砖、结构风道与金属风道连接处设置预埋件,或要求土建单位配合进行堵封,确保连接严密。

通病6:风管系统未设防摆支架
规范要求:6.3.4 5 当水平悬吊的主、干风管长度超过20m时,应设置防止摆动的固定点,每个系统不应少于1个。
后果:
系统运行时产生风管移动、震动。
措施:
按要求设置防摆支架。

通病7:各类风阀安装位置不便于操作和检修
规范要求:6.2.4 风管部件安装必须符合下列规定:
1 各类风管部件及操作机构的安装,应能保证其正常的使用功能,并便于操作;
2 斜插板风阀的安装,阀板必须为向上拉启;水平安装时,阀板还应为顺气流方向插入;
3 止回风阀、自动排气活门的安装方向应正确。
6.3.8 各类风阀应安装在便于操作及检修的部位,安装后的手动或电动操作装置应灵活、可靠,阀板关闭应保持严密。
后果:
无法操作和检修
措施:
安装在便于操作及检修的部位,吊顶或井道内设置检修口。
通病8:风管系统安装后不按规定作漏光、漏风检查和试验(同1)
规范要求:4.2.5 风管必须通过工艺性的检测或验证,其强度和严密性要求应符合设计或下列规定:
1 风管的强度应能满足在1.5倍工作压力下接缝处无开裂;
2 矩形风管的允许漏风量应符合以下规定:
低压系统风管QL≤0.1056P0.65
中压系统风管QM≤0.0.352P0.65
高压系统风管QH≤0.0117P0.65
式中 QL、QM 、QH——系统风管在相应工作压力下,单位面积风管单位时间内的允许漏风量[m3/(h·m3)];
P———指风管系统的工作压力(Pa)。
3 低压、中压圆形金属风管、复合材料风管以及采用非法兰形式的非金属风管的允许漏风量,应为矩形风管规定值的50%;
4 排烟、除尘、低温送风系统按中压系统风管的规定,1~5 级净化空调系统按高压系统风管的规定。
后果:
风管系统安装后不按规定作漏光、漏风检查和试验,如对于风管的制作和安装质量较差的系统,将会造成系统大量漏风,使整个系统和项目工程达不到使用要求,增加不必要的返工和浪费,同时也浪费了能源。
措施:
(1)严格按照《通风与空调工程施工质量验收规范》GB50243—2016的要求执行,漏光或漏风量测定是对通风空调施工质量的一项检验措施。
(2)漏风量检测是对风管制作安装过程质量的检验,是施工单位加强质量管理,提高技术能力的一项控制措施。施工单位应加强施工技术装备,做好检测工作。
(3)漏风量的测试装置及计算办法:
A风管式漏风量测试装置:
1)风管式漏风量测试装置由风机、连接风管、测压仪器、整流栅、节流器和标准孔板等组成如图:

2)本装置采用角接取压的标准孔板。孔板β值范围为0.22~0.7(β=d/D);孔板至前、后整流栅及整流栅外直管段距离,分别应大于10倍与5倍圆管直径D的规定。
3)本装置的连接风管均为光滑圆管。孔板至上游2D范围内圆度允许偏差0.3%;下游为0.2%。
4)孔板与风管连接,其前端与管轴线垂直度允许偏差为1°,孔板与风管同心度允许偏差为0.015D。
5)在第一整流栅后,所有连接部分应严密不漏。
6)漏风量采用下列公式计算:
式中 ——漏风量();
——气流束膨胀系数;
——孔板的流量系数;
——孔板开口面积();
——空气密度();
——孔板压差(Pa)
7)孔板的流量系数,可根据图4-2确定,其适用范围应满足下列要求:
105<Rep<2.0×106
0.05<β2≤0.49
50mm<D≤1000mm
在此范围内,不计管道粗糙度对流量系数的影响。
雷诺数小于105时,则应按现行国家标准《流量测量节流装置》求得流量系数α。

8)孔板的空气流束膨胀系数ε值可根据表4-2查得。

9)当系统或是设备需要测试负压条件下的系统漏风量时,装置连接应符合图4-3的规定。

B风室式漏风量测试装置:
1)风室式漏风量测量仪由风机,连接风管、测压仪器、均流板、节流器、风室、隔板和喷嘴等组成,如图所示。

2)测试装置采用标准长劲喷嘴(图4-5)。喷嘴应按图4-3安装在隔板上,数量可为单个或多个。两个喷嘴之间的中心距离不得小于较大喷嘴喉部直径的3倍;任意喷嘴中心到风室最近侧壁的距离不得小于其喷嘴喉部直径的1.5倍。

3)风室的断面尺寸应满足断面的平均速度小于0.75 m /s的要求。风室内均流板(多孔板)安装位置应符合图4-4的规定。
Ds——小号喷嘴直径;
DM——中号喷嘴直径;
DL——大号喷嘴直径。
4)风室中喷嘴直径两端的静压取压接口,应多个均布于四壁,并联成静压环,然后与测压仪器相连。静压取压接口至喷嘴隔板的距离大于最小喷嘴喉部直径的1.5倍。
5)采用本装置测定漏风量时,通过喷嘴喉部的流速应在15~35m/s范围内。
6)本装置要求风室中喷嘴隔板后的所有连接部分应该严密不漏。
7)单个喷嘴漏风量可按下列公式计算:



8)当系统或设备需要测试负压条件的漏风量时,装置连接如图4-7所示。

通病9:防排烟系统的柔性短管采用易燃材料
规范要求:5.2.7 防排烟系统柔性短管的制作材料必须为不燃材料。
5.3.9 柔性短管应符合下列规定:
1 应选用防腐、防潮、不透气、不易霉变的柔性材料。用于空调系统的应采取防止结露的措施;用于空调净化系统的还应是内壁光滑、不易产生尘埃的材料;
现象:
(1)防排烟系统,尤其是正压送风系统及为排烟系统所设的补风系统,其法兰垫料采用闭孔海绵、橡胶板等易燃或难燃材料。
(2)柔性短管采用普通帆布、人造革等易燃或难燃材料,或在其表面采用防火漆或防火涂料,个别工程采用普通帆布外加一层石棉布的做法。
后果:
采用易燃材料作柔性短管易引起火灾;用吸水材料易造成柔性短管的霉烂,滋生各类细菌,污染环境。
原因分析:
(1)施工单位对新的验收规范不熟悉,仍按旧规范施工;
(2)施工单位为节省成本,采用价格便宜得多的易燃或难燃材料。
措施:
(1)防排烟系统风管法兰垫料必须采用*级A**不燃材料,排烟系统可使用石棉板等;
(2)防排烟系统柔性短管必须采用不燃材料制作,如硅胶玻纤复合布等,最好采用带有法兰的成品防火软接。
(3)上述法兰垫料和柔性短管在使用前,供货商应提供其材质达到*级A**不燃材料的合格检验报告,安装前做点燃试验,合格后方可使用。

通病10:柔性短管、矩形短管安装时产生扭曲。
规范要求:5.3.9 柔性短管应符合下列规定:
1、柔性短管的长度,一般宜为150~300mm,其连接处应严密、牢固可靠;
2、柔性短管不宜作为找正、找平的异径连接管;
3、设于结构变形缝的柔性短管,其长度宜为变形缝的宽度加100mm及以上。
后果:
短管扭曲易产生质量问题,也影响美观。
措施:
柔性短管的主要作用是隔振,常用于风机及空调设备的进、出口处。作为与风管的连接管。由于系统的使用条件不同,柔性短管需承受的压力变化和温度、湿度的变化你也不同,所以要求柔性短管应采用减震、防潮、不透气、不霉变和防火的要求。
(1)安装时应四角平直,松紧适度,高度一致,同一角度应在同一垂线或直线上。
(2)柔性短管的长度值为150~250mm,其接缝处应严密和牢固且不宜作异径管使用。

通风与空调设备安装
通病11:与设备连接的回风口噪声大
规范要求:6.3.11 风口与风管的连接应严密、牢固,与装饰面相紧贴;表面平整、不变形,调节灵活、可靠。条形风口的安装,接缝处应衔接自然,无明显缝隙。
5.3.12 风口的外表面装饰面应平整、叶片或扩散环的分布应匀称、颜色应一致、无明显的划伤和压痕;调节装置转动应灵活、可靠,定位后应无明显自由松动。
现象:
噪声大
产生的原因分析:
风口材质不符合要求、风口大不易固定牢固。
防治措施:
选择符合标准要求的材料,加强验收,安装需加强与土建专业配合。
通病12:盘管风机安装前未进行单机试运转及水压试验
规范要求:7.3.15 风机盘管机组的安装应符合下列规定:1 机组安装前宜进行单机三速试运转及水压检漏试验。试验压力为系统工作压力的1.5倍,试验观察时间为2min,不渗漏为合格;
后果:
安装前未进行单机试运转及水压试验的检查,机组接通水管后,系统运行时发现漏水,或机组接通电源后,出现风机不转或其他异常情况,造成二次返工或其他专业产品的损坏。
措施:
风机盘管机组安装前,应进行抽查单机三速试运转及水压试验。试验压力为系统工作压力的1.5倍,不漏为合格。三速试验以点动、风机正常运转无杂音,经检验合格的机组安装后基本可达到试车一次成功,避免了机组安装后返工的现象。
通病13:风机盘管空调器连接管的支吊架安装不规则
规范要求:7.3.15 风机盘管机组的安装应符合下列规定:2机组应设独立支、吊架,安装的位置、高度及坡度应正确、固定牢固;
后果:
风机盘管空调器及吊架安装不规则,达不到横平竖直、影响安装外观质量,水管安装扭曲可能会造成接口渗漏,吊架误差过大可能会造成风管连接的扭曲。
措施:
(1)风机盘管的安装位置(指纵横直线)应正确,风管或水管的连接不得与设备强制对口,进出口轴线中心应与机组在同一轴线上。为使定位准确,安装在吊顶内的机组可用样板定位,同一型号的机组吊杆位置应是一致的,可用扁钢(25×3)作一四角打孔,标出吊杆位置及轴线,将样本放在顶板上划好位置,为安装提供方便,以利于风机盘管及风管的安装,如图4-13所示;

(2)支吊架的形式及长度要协调一致并且可调,固定风机盘管时可用双螺母从上下两个方向将机壳固定;
(3)与风机盘管相接的风管和水管不得强迫对口,要使接口自然的连接,风管或水管在盘管附近接口处单独设支吊架,以免因其他专业施工或机组的运行而产生脱落或变形,造成漏风、渗水。

空调水系统管道与空调设备安装
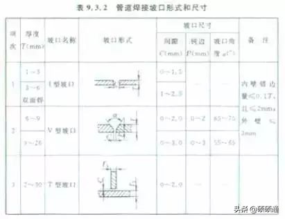
通病14:管道焊接未熔合
规范要求:9.3.2 金属管道的焊接应符合下列规定:1管道焊接材料的品种、规格、性能应符合设计要求。管道对接焊口的组对和坡口形式等应符合表9.3.2的规定;对口的平直度为1/100,全长不大于10mm。管道的固定焊口应远离设备,且不宜与设备接口中心线相重合。管道对接焊缝与支、吊架的距离应大于50mm。2管道焊缝表面应清理干净,并进行外观质量的检查。焊缝外观质量不得低于现行国家标准《现场设备、工业管道焊接工程施工及验收规范》的规定(氨管为ш级)。
焊缝外观质量不得低于现行国家标准《现场设备、工业管道焊接工程施工及验收规范》的规定(氨管为ш级)。

现象:
未熔合主要是指填充金属与母材之间,彼此没有熔合在一起,也就是指填充金属粘盖在母材上或者是填充金属层间没有熔合在一起。
原因分析:
(1)焊接时电流过小,焊速过高,热量不够或者焊条偏于坡口的一侧,使母材或先焊的焊缝金属未得到充分熔化就被熔化金属覆盖而造成;
(2)母材坡口或者先焊的焊缝金属有锈、氧化物、熔渣及脏物等未清除干净,在焊接时,由于温度不够,未能将其熔化而盖上了金属融化物;
(3)焊接温度低,先焊的焊缝开始末端熔化,也能产生未熔合。
防治措施:
(1)选用稍大的电流,放慢焊速,使热量增加到足以熔化母材或者前一层焊缝金属;
(2)焊条角度及运条速度适当,要照顾到母材两侧温度及熔化情况;
(3)对由熔渣、脏物等引起的未熔合,可用防治夹渣的办法来处理;
(4)焊条有偏心时应调整角度,使电弧处于正确方向。
通病15:冷凝水管道安装倒坡或空调机组冷凝水管未按要求设置水封。
后果:
(1)冷凝水管道安装倒坡,致使排水不畅,造成冷凝水外溢漏顶,破坏装修,影响使用;
(2)空调机组冷凝水管未按要求设置水封,会造成冷凝水无法正常排出,夏季温热潮湿,冷凝水过多,会积聚箱体内造成局部或接缝处渗漏,既影响环境又可能影响装饰效果,同时影响空调的舒适性。
措施:
(1)冷凝水管的水平管应坡向排水口,坡度符合设计要求,当设计无规定时,其坡度应大于或等于8‰,软管连接应牢固,不得有瘪管或强扭;
(2)空调机组的排水管应按机内负压的大小设置水封,以使冷凝水能够正常排放。

通病16:空调冷热水铜管管道系统的接口渗水
后果:
采用紫铜管的空调冷热水管道与设备镶接的部件(如风机盘管、空调机组)以及承插焊口处,经冷热水交替使用后出现漏水和渗水造成整个系统不能正常使用。
措施:
(1)根据设计要求,正确选用管材、管件及连接方式,不同型号的管材、管件不易混合使用。
(2)管子内外表面应光滑、清洁,不应有针孔、裂缝、分层、粗糙拉道、夹渣、气泡等缺陷。黄铜管不得有绿绣和严重脱锌。
铜管内外表面允许偏差:纵向划痕深度不大于0.35mm;横向凸出高度或凹入深度不大于0.35mm;疤块、碰伤或凹坑,其深度不超过0.03mm,面积不超过表面积的0.5%。
胀口或翻边连接的管子,施工前应每批抽1%且不小于两根进行胀口或翻边试验。如有裂纹需进行退火处理,重做试验。如仍有裂纹,则该批管子需要逐根退火、试验,不合格者不得使用。
管材与配件的公差配合必须吻合。铜管的椭圆度和壁厚的不均匀度必须符合产品质量标准规定。目前采用成品配件较多,必须加工质量好。
(3)铜管的焊接必须严格执行操作规程,保证焊接质量。用于空调系统的紫铜管焊接形式以搭接较多,要求接头质量好;搭接长度一般为管壁厚度的6~8倍,管子的公称直径小于25mm时,搭接长度为(1.2~1.5)D。搭接焊还必须保证焊接连接面之间有一定的间隙;间隙过大、过小都会使钎焊接头质量变坏,间隙的大小与使用钎料有关,采用钢锌钎料间隙为0.1~0.3mm,采用钢磷钎料间隙为0.03~0.25mm。
(4)铜管膨胀系数大,管道系统的膨胀量大,如果直管段较长时,应在适当处设置波纹补偿器,以消除膨胀量。
通病17:空调水管未按要求设置排气阀
规范要求:9.3.10 4闭式系统管路应在系统最高处及所有可能积聚空气的高点设置排气阀,在管路最低点应设置排水管及排水阀。
后果:
不能正常排气,调试困难。
措施:
按要求设置排气阀。
通病18:风管或木垫隔热层固定不牢
后果:
风管、水管隔热层固定不牢或从风管、水管表面脱落、空鼓,以致风管、水管外表面无隔热层,造成能量散失,影响使用效果,而且夏季还可能在风管、水管表面形成冷凝水。加快风管、水管的腐蚀。
措施:
(1)风管保温钉粘贴部分的表面要擦拭干净,保温钉要采用防松措施减少隔热层脱落;接缝应严密,采用胶粘保温钉的风管应尽可能避免水侵蚀风管,造成保温钉脱落。
(2)保温钉的数量应满足:
风管上表面(顶面)不少于6个/m2;
风管侧面不少于10个/m2;
风管下表面(底面)不少于16个/m2。
(3)不得使用过期的粘贴剂。
(4)保温层粘贴后宜进行包扎或捆扎,捆扎不得破坏保温层。包扎的搭接处应均匀贴紧。
(5)水管隔热层如采用硬材质,必须保证隔热层的形状与水管一致,法兰接口、管件、及接缝处不要有缝隙、孔洞,并进行包扎或捆扎;采用软材质必须保证松紧适度,有防潮层,接缝或接口应密封。

系统调试
通病19:通风、空调系统实测总风量过小
规范要求:11.2.3 系统无生产负荷的联合试运转及调试应符合下列规定:1 系统总风量调试结果与设计风量的偏差不应大于10%;
11.3.2 通风工程系统无生产负荷联动试运转及调试应符合下列规定:1 系统联动试运转中,设备及主要部件的联动必须符合设计要求,动作协调、正确,无异常现象;2系统经过平衡调整,各风口或吸风罩的风量与设计风量的允许偏差不应大于15%。
现象:
风机和电机的转数正常,风机运转无异常现象,电机输入电流与电机的额定电流相差较大,各送(排)风口风量小。
原因分析:
(1)空调器内的空气过滤器、表面冷却器、加热器堵塞;
(2)总风管或支风管的风阀关闭;
(3)风阀质量不高,局部阻力过大;
(4)设计选用的空调器不当;
(5)设计选用的风机全压和风量过小。
防治措施:
(1)风机运转前,空调器内应清扫干净,对初效过滤器进行清除,减少空气的阻力;
(2)测定总风量时,首先应将各支管及风口风阀全部开到最大位置,然后根据风机的电机运转电流将总风阀逐渐开至最大位置(以不超过电机额定电流为准)。如全部风阀开至最大,其总风量仍很小(运转电流仍很小),应检查风阀开启位置是否正确;
(3)对风阀质量有怀疑时,应从系统中拆下,检查风阀的叶片与联杆是否有脱落现象;
(4)对风管系统检查产生局部阻力较大的部位,并根据实际情况提出改进措施,以减少风机的压力损失;
(5)空调器内的气流速度应保持在一定范围内,设计时考虑的表冷器或加热器的冷热负荷,尤其不应忽略气流速度过大增加的动压损失。
通病20:通风、空调系统实测总风量过大
现象:
风机和电机运转正常,电机运转电流超过额定电流,各风口的出口风速较大。
原因分析:
(1)空气洁净系统各级空气过滤器初阻力小;
(2)系统总风管无调节阀;
(3)风机选用不当。
防治措施:
(1)空气洁净系统在试车阶段高效空气过滤器没有安装,系统阻力远比设计的要小。系统的阻力有一点变化,风机风量就有较大的变化。因此试车中应随时注意电机运转的电流值,并控制在额定范围内。一般采用调节总风管的调节阀开度的方法来控制风量。系统正常运转后将随着运行时间增加,空气过滤器的阻力也不断增加,再逐渐开大总风管风量调节阀的开度,使总风量达到基本稳定;
(2)系统总风管无风量调节阀,会造成风量过大而使电机超载,有烧毁电机的危险;
(3)风管系统设计时,管网系统阻力估算较大,而实际阻力较小,因此实际风量比设计风量大。解决办法:一、将总风管的风量调节阀开度减小,增大管网阻力,实际风量减至给定值;二、重新选用风机或改变风机的转数。
通病21:系统总风量或支管风量调整值偏差过大
现象:
系统实测的风量与电机运转的电流值不符,房间内各风口的风量偏大或偏小。
原因分析:
(1)选用测定仪表不合适;
(2)测孔在风管的部位不符合要求;
(3)测孔在风管断面分部不均匀;
(4)测定操作有误差;
(5)测定仪器的准确性未进行技术测定;
(6)动压值的计算整理不符合要求。
防治措施:
(1)通风、空调系统风量的测定内容有总进风量,总回风量,一、二次回风量,排风量以及各干、支风管内的风量和送、回、排风口的风量;
(2)测定方法一:采用毕托管和微压计或大量程的热球风速仪测量风管内的风速;二:用叶轮风速仪或热球风速仪测定送、回、排风口及新风进口处的风量;
(3)重新核定测孔部位,按照规范要求进行合理的科学的确定测孔分布;
(4)测定风管内的风速准确与否除与测定仪表的准确度有关外,还决定于毕托管或热球风速仪测量时的扶持方法和仪器的读数方法;
(5)为了提高系统风量测定数值的准确性,所用的毕托管、风速仪必须进行计量鉴定,并将测定值根据校正曲线进行修正。
