
有些电子制作中需要用到高电压、低电流的电源,一般情况下采用倍压整流电路。按照输出电压是输入电压的几倍,可以分为二倍压、三倍压等。倍压电路典型应用就是电子灭蚊灯。

倍压电路中离不开电容,请将充电后的电容暂时理解为一个小电源,它可以与供电电源串联一起提供给负载(用电器)。我们以二倍压为例学习。这里制作分立元件倍压电源。

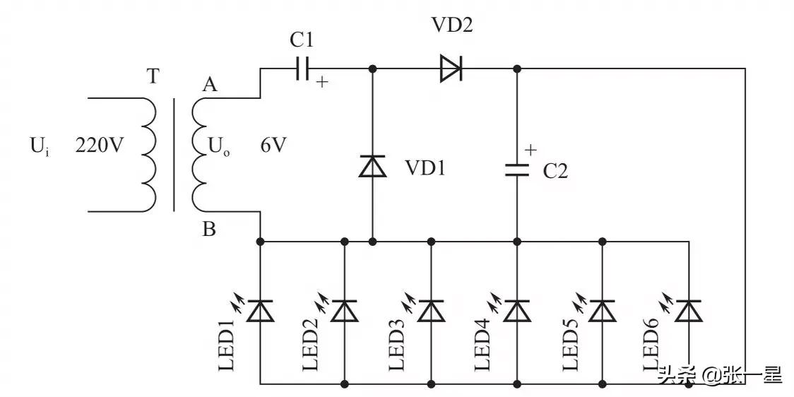
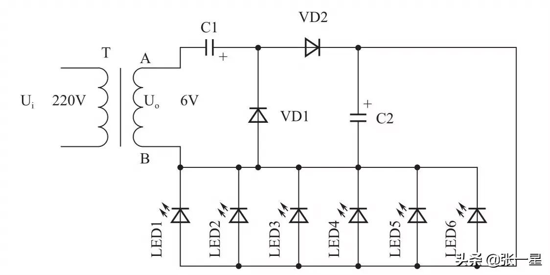
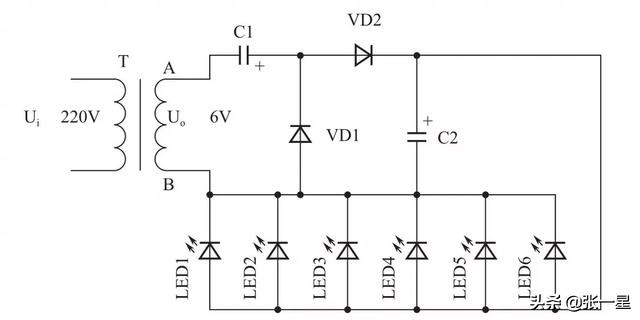
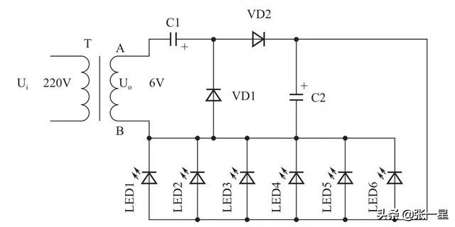
“倍压电路”电路图

元器件清单
当变压器次级感应电压上负下正时,二极管VD1导通,VD2截止,电容C1充电,充电回路是,

图中B点→VD1→C1→A点,C1充电的方向是左负右正,大小是1.4×Uo(图中变压器输出电压是6V,那就是8.4V);

当变压器次级感应电压上正下负时,二极管VD1截止,VD2导通,此时电源电压与C1电压串联后,通过VD2给电容C2充电,充电结果是2倍的1.4×Uo,大约是17V。

图中发光二极管LED1~LED6串联后接在倍压输出端,演示倍压输出结果。