一、概述
在我们维修工作之中,有关手机SIM卡方面的故障经常性遇到的,这种故障看似很容易,但却有多数的朋友修不好,有时“隔靴搔痒”,这是为什么呢?我认为是维修思路没有规范,维修此种故障时思维很乱,没有系统的检修方法,若有了系统正确的维修思路,修卡故障是接一个机修好一个机。
当然,SIM卡的维修思路规范是一定要建立在全面的熟识SIM卡的电路基础上,并根据维修的需要整理出故障的检修步骤。手机SIM卡电路的共性是:
1、SIM卡的供电(VSIM)
SIM卡的供电有几种,5V、3V、1.8V,以前的旧老伏卡是5V/3V,而现在的卡一般是3V/1.8V,所以在手机的稳压电路之中,我们往往可以看到卡的升压电路。
2、卡的时钟(SIM-CLK)
SIM卡的时钟一般采用两种时钟,一种是采用13M/4而得的3.25MHz作为基准时钟,一种是采用1.083MHz。
诺基亚的手机其SIM-CLK都是采用13M/4分频而来的3.25MHz。
3、SIM-IO(SIM卡数据)
SIM卡的数据,它是与手机进行SIM卡内部的信息传输的通信线,此线路在手机之中其故障率是最高。
4、SIM-RESET
SIM卡的工作复位信号,是用以对SIM卡内部处理器进行复位的。
5、SIM-VPP
SIM卡的编程供电,一般在手机之中都为空脚,不为空脚的则与VSIM供电线相连但也可以人为的为空。
6、SIM-GND
SIM卡供电的负端。
GSM手机的SIM卡的脚位功能只有以上六个。而实际之中起作用的只有五个脚位,SIM-VPP是可视作空脚。
二、手机SIM卡关系与电路
SIM卡在手机中的常见电路介绍下面一些:
(一) 诺基亚手机的SIM卡关系和其常见电路

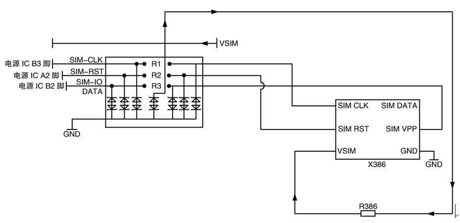
图一A SIM卡电路在DCT-4手机之中的示意方框图,它标出SIM卡与其它电路之间的关系。

图一B 诺基亚7210手机的SIM卡电路原理
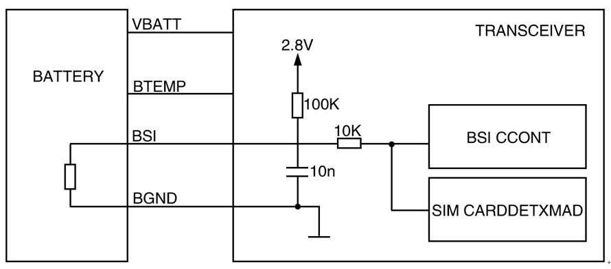
图二A SIM卡电路与电池电路的关系示意方框图DCT-3手机

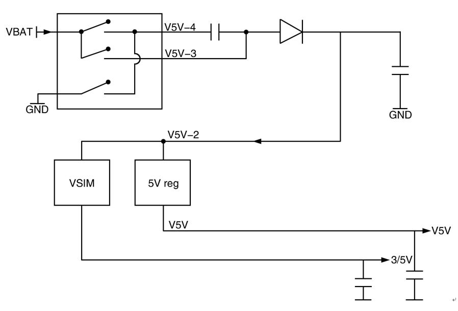
图*B二** SIM卡的供电和升压电路的关系示意方框图DCT-3手机

图二C DCT-3 8250手机的SIM卡
图一、图二是诺基亚手机的DCT-4、DCT-3的两种SIM卡电路原理图,大家若不看方框图那么修SIM卡故障,就不能完全地修好;若只从电路原理图去分析,则维修SIM卡的故障只能是修一个断线和换电源。图一A表示出了与SIM卡电路有关的其它电路。这其中有电池检测电路和电源与CPU的SIM通信电路,我们维修SIM卡的故障时一定要把这些因素加进去分析。

图二表示了升压电路与SIM卡供电之间的关系,升压电路问题也可以造成卡的故障。
(二)国产手机的SIM卡电路
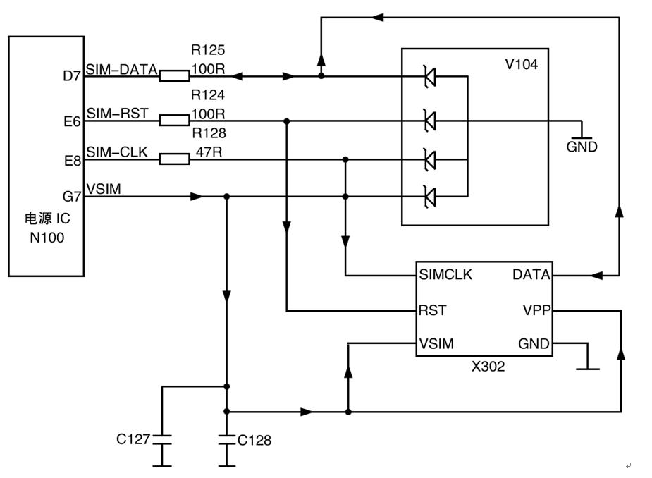
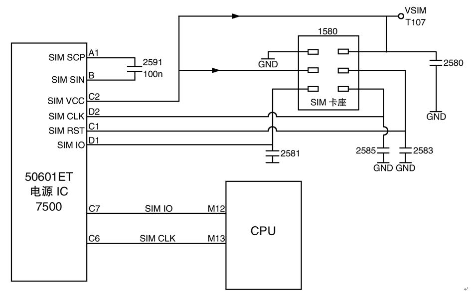
1、波导S788的SIM卡电路

图三A
此图是一个较完整的SIM卡电路原理图,它把SIM卡与CPU之间的关系也表示了出来。
2、TCL i919的SIM卡电路

图三B
图三B是CPU直接与SIM卡电路接口,电源IC只提供了一个VSIM卡供电。
3、联想G860的SIM卡电路

图三C
图三C是741979与3014C配组的SIM卡电路,我把与SIM卡电路相关的CPU SIM卡通信也绘上了,因为这样才可以算是一个SIM卡的完整电路。
三、SIM卡故障维修思路
从图一、图二、图三这些电路图来看,我们可以看出,SIM卡电路在手机之中与哪些电路有关联,任何一种SIM故障的手机,都应离不开这些方面。
1、卡的升压电路。有的机型会不读卡的同时也会无信号,而且会写软件不联机。
2、电池检测电路。如诺基亚、摩托罗拉手机的电池检测电路出错也会造成SIM卡的故障。
3、电源与SIM卡之间的通信(RST、IO、CLK、VSIM)。
4、CPU与SIM卡之间的通信(RST、IO、CLK)。
5、电源与CPU之间的SIM卡通信。
6、软件。
那么对于任何机型的SIM卡故障,我们的维修思路是:
1、先测量SIM卡座的RST、IO、CLK、VCC的信号,在开机瞬间测量,若无SIM卡的供电(VCC)则查卡的供电电路和注意卡供电线上的电容以及卡的供电保护管漏电,再就是卡的升压电路。
2、查SIM卡座与电源或CPU之间的通信线。
3、查电池检测电路和卡的开关电路,如摩托罗拉的SIM卡开关电路则与电池检测电路有关。
4、查SIM卡的CLK频率与幅度,它一般由CPU将13MHz信号分频或由电源输式是CPU本身输出,SIM卡的CLK频率一般是采用3.25M或1.083M,幅度与VSIM是信号一致的。
5、查CPU与电源IC之间SIM卡通信。
6、CPU或是电源IC部分的损坏。
7、软件(在诺基亚与国产机中,有很多的不读卡故障是软件造成)。
这就是SIM卡故障的维修思路规范,它把所有造成SIM卡的故障的因素都圈进去而后逐步地去分析,这样就可以把故障一一杀尽。当然要做到维修思路规范就必须能够从手机的电路之中识别并找出与之相关的电路,否之也是一句空谈,像图一B之中的诺基亚7210的卡电路,用这种电路图去修不读卡故障只能是帮助我们测个电路的通断。对于疑难的不读卡故障则利用此图是无法修复的,一定要有图一A的SIM卡电路关系的方框图帮助才可以彻底地修复。
我认为培训就是要训练学生的这种能力,让他们能够从手机电路之中识别单元电路之间的关系,并让他们把故障的维修思路规范起来,这样去修手机才不会乱来。以下是故障实例,仅供大家参考。
四、SIM卡故障维修实战
1、托普838不读卡的连环故障
故障机采用的是AD芯片组合,CPU是AD6525的,音频IC则是AD6521 CPU是直接与卡电路发生关系的。我采用特殊的检修法,利用惠普8920A综合测试仪对故障手机进行全面的测试(有点杀鸡用牛刀的味道)。经过测量,发现CLK信号不正常,只有2.0的幅度且有时还达不到并且极不稳定。确定为CPU坏,换上一CPU后试机,手机马上读卡,交与顾客。顾客说此机故障在多处维修部都没有修好,你这里真快。我大开玩笑说:“我的检测仪器是进口的几十万的仪器,当然快。”顾客当时赞扬了几句而后走了。但是,顾客用了几天之后,同样的不读卡故障出现了,顾客当时也没有生气,还是笑眯眯地拿来找我,测量发现,无VSIM的信号,借个2.8V的供电,手机又读卡正常,交与顾客使用,顾客说:“此回应该不会再出故障了”。我说:“应该不会了”。可是还是好景不长,顾客用了几天过后又不读卡了,我再动用综测测量,发现无RST信号,SIM-RST信号是从CPU(AD6525)的L10脚输出,测量又无断线,再换上一个CPU却是机板热时读卡正常,机板冷却之后却又是不读卡,确定为主板不良所造成,飞线后手机OK,顾客再也没有返修。
2、诺基亚6100不读卡
这部故障机是韶山冲邮过来的,以前进过水,不插卡能拨打“112”,但不能识卡。拆机发现卡的保护管R388已被去掉,采用10K以下的电阻连接好,试机手机还是不能读卡。我把此故障机交与徒弟维修,叫他按卡的故障维修思路规范去检修。此学生是新手,他把电源动手就撬了下来,用相关的测量方法把SIM卡的有关电路测量了一遍,最后告诉我说:“老师,是电源坏造成的不读卡”。我感到有些惊讶,问他有没有按我的教学思路去检测,他说绝对按了老师教的方法去检测的。我叫他把电源装上,让他试机给我看,我一看他夹电试机,两根线也可按键开机。我问他是不是把电池检测电阻给取掉了(R202),他说没有,一开始他发现两线也可以开机,所以他才把电源IC取下来测量的。我叫他再测量一下电池的BSI线,他复查了一下说信号电平正常,一定是电源坏。我取了一个电源给他,学生正准备换,我叫他先用原来的电源写一下软件试试,写软件试机,手机不能与软件仪器联机,确定是电源损坏,换下后写入串号和PM值,一试手机正常。
3、诺基亚8850只认某一张卡,但不是网络锁
这个故障一开始是认顾客自己的卡,拿到客户服务中心去换壳,前台小姐试了一下机就变成了不读顾客卡了,只能认服务小姐的卡,其它的卡一律不认。客户服务中心的维修人员给他做了软件升级后还是只认那位前台小姐的卡。客服中心的工作人员告诉他要去找我,这样,前台小姐就带他一起过来了。我接待了此位特殊的顾客,问明了情况,一试故障确实如他们所说,还是只读那位前台女孩的卡。
我查了一下卡电路,用示波器一测发现VSIM卡信号无,而VPP信号却是有,确定是VSIM与VPP之间断线。在诺基亚手机之中VSIM与VPP脚位是用同一个VSIM线的,把此VSIM脚与VPP脚飞线连接,试机,手机读卡正常。
大家看了这三个故障实例再结合前面的SIM卡故障维修思路,我想聪明的读者一定可以分析总结出什么来的! N