家用空气源氟循环分体式安装步骤:
一、装机前准备
二、机组安装位置选取
三、氟循环分体式空气能系统安装步骤及注意事项
四、安装完毕后,机组试运行
主机装箱附件:(各厂商各有不同)
线控器,安装使用说明书,产品保修卡,包扎带,墙孔套筒盖,穿墙套筒,排水接头,排水管,密封圈,主机电源线组,密封胶泥,连接管组件。

附件说明:
穿墙套筒直径6CM,连接管穿墙孔当参照此尺寸;
电源线中双色(黄/绿)为底线,机组必须接地,必须装漏电保护插头;
连接管尺寸:
液管6.35mm(细管)
气管(粗管):氟循环1P—9.52mm;
氟循环1.5P/2P—12.7mm。
准备工具:
冲击钻(2个钻头),14MM开口扳手,活动扳手,包扎带,生料带,一字、十字螺丝刀,热熔机,漏电保护插头,室外机支架,膨胀管,PPR管件、弯头等,
球阀、活接,真空泵、R22,拧指针阀的工具,管剪、钳子、卷尺,内六角扳手。
准备安装工具(真空泵、水平仪、冲击钻、活动扳手、开口扳手、内六角扳手、pp-r热熔器、螺丝刀、卷尺、记号笔、老虎钳等)

安装材料准备: PP-R水管、PP-R管接头、PP-R管弯头、水箱安全阀、截止阀、球阀、水管保温材料、水路过滤器、排气接头、漏电保护开关、生料带等。

注意事项:
水箱靠近主机安装,距离应小于3米,尽量减少管道弯曲次数,水箱和主机连接管头高度落差H≤5M。
主机、线控器操作板安装当与已安装的空调等其他主机、插座持平,保持美观;
水箱尽量减少占用空间,不影响门窗开启,方便管路安装。
机组安装用钢制托架、加防震胶垫,机组底部用螺栓固定。确认冷凝水排水管与主机底盘排水口可靠密封连接。

(一)搬运
搬运过程中,机组应尽量保持水平状态,绝对不能翻倒,以免制冷剂泄漏及损坏压缩机。
(二)检验
用户应仔细检查在运输过程中机组有无损伤,并且所有随机零件均已收到。
氟循环的安装示意图:

空气源主机的安装:
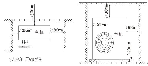
A安装位置选取的注意事项:
1、空气能主机的安装与空调器室外机安装要求相同。可安装在外墙、屋顶、阳台、地面上。出风口应避开迎风方向。
2、主机与储水箱之间距离不得大于5米,标准配置为3米。
3、主机与四周墙壁或其它遮挡物之间距离不能太小。
4、如装雨棚保护空气能以防止风吹日晒,则注意保证主机换热器的吸热散热不受阻碍。
5、主机应安装在基础坚实的地方,并确保直立安装,并用地脚螺栓固定。
6、尽量避开油污严重的位置,主机换热器(蒸发器)效果。

安装人员必须系好安全带、戴安全帽,做好安全措施。
主机安装步骤:
①安装支架。
②测量高度,孔距并且画出标志
③电钻打孔;
④支架装入固定孔内。
⑤调整两支架同一水平面。
⑥固定支架的螺母拧紧。
⑦把室外机放到支架上
⑧主机上地脚与支架固定的螺母拧紧)。

贮水箱的安装:
位置选取注意事项:
(1)贮水箱可随空气能室外机安装在室外,如阳台、屋顶、地面,亦可安装在室内。贮水箱必须坐地式安装,安装场合基础坚实,必须承受到500kg的重量,不可挂在墙壁上。

(2)禁止将水箱安装在没有排水地漏的室内或阳台,同时请用附件中的连接管将安全阀排水口引至排水地漏处,以免水箱或水管漏水给你生活带来不便或财产损失。

安装水箱排污口和底脚:

主机连与水箱连接:
1、在贮水箱与空气能主机之间的墙上钻一个Ф70的管道孔,孔应稍微向外侧倾斜。将连接及一定长度的电缆用塑料扎带包扎好,穿过打好的管道孔,两边套上穿墙管护套。

2、取掉水箱粗细连接管上的封头盖帽,分别将粗细连接管拧到贮水箱粗细连接管上的接头上,用扳手用力拧紧。
3、拧下主机高压阀和低压阀的粗细连接管口的封头盖帽,将粗细连接管的另一端拧到水箱的工质进口,工质出口的粗细连接管的管口上,用扳手用力拧紧。注意:尽量不要弯曲铜管,即使扭曲也不要使铜管折瘪或折裂。

铜管与主机连接:
连接管喇叭口对准截止阀接口,先用手慢慢拧紧,然后用扳手固定阀芯螺杆,另一只扳手紧固连接螺母,螺丝务必拧紧。在主机底盘接上冷凝水排水管,并尽可能将排水管引出到地漏或排污管道。

铜管与水箱连接:

水箱锥头加冷冻油,喇叭口水平正对接口,拧紧螺丝,在拧连接管螺帽时,须用扳手固定工质头,防止连接管螺帽时,拧动工质头,或螺母边角损坏。
排空(抽真空):


抽完真空后,用内六角扳手将三通截止阀阀芯逆时针旋转至不能转动,盖紧螺冒。让制冷剂充满真个系统。

关闭状态的截止阀:

打开状态的截止阀:

如果不便抽空,可以使用R22制冷剂外排空,并检漏,同时排空所残留制冷剂气体余压不超过0.05MPa。
然后用内六扳手沿逆时针方向转动低压阀和高压阀的阀芯至完全打开!!!重新盖好所有盖帽,并拧紧。
坚决杜绝使用主机里面的冷媒排空。
检漏:

水路连接:
1、将出水接口用PP-R管按图与贮水箱相接,并用生料带密封。
2、将止回阀的一端与自来水管相连,另一端与贮水箱进水口接管相连。
3、注满水:打开自来水进水阀,打开热水管中出水龙头。开始注水,直至出水龙头有水溢出时方为注满,关闭出水龙头。贮水检漏,确保不漏水即可。
注意:第一次使用,插电源前必须确保贮水箱中水已注满。
4、要求正确安装Y型过滤器。

5、用户选用连接软管连接水箱时,务必先安装连接软管的外螺纹端,后安装内螺纹端,禁止扭曲、弯曲安装,以防软管爆裂漏水;
布管过程中的注意事项:
1,在水压力达0.7Mpa以上的地区请用减压阀将水压减到0.3Mpa-0.6Mpa以下来使用。
2,主机的各个连接部位应采用活连接方式,并安装中间阀门。
3,布管工作完成后进行漏水试验时,请使用干净水源。禁止使用地下水,石灰水,防冻液。在不已使用地下水的情况下,漏水试验完毕后排干净管道系统的水。
4,承压水箱必须安装卸压阀,卸压阀必须处于系统最高点;卸压阀的排污口要以一种连续向下的方式安装在无霜的环境中,连接到安全阀的排泄管应保持向下安装。

5,环境温度低于0℃的条件下,在机组还不能正常运行,或机组电源处于断开状态时,必须将机组系统内的水排放干净,以防止系统内的水结冰而导致水管及设备破裂。
6,系统管道安装试压后,管道全部用PE保温管严密包裹,PE保温管壁厚度要根据当地气候合理选择。
7,水管安装应横平竖直,管道布置合理,尽量减少弯曲;减少水系统的阻力损失。



安装进水、出水管路,温度探头线包扎在连接管上,水管用管卡固定于墙上,或用扎带紧固。

冷凝水排水管安装:
将排水嘴插入机组底部的排水孔内,用排水管接入排水嘴然后固定排水管,将另一端引入下水管道。
电路的连接:
1、所配插座必须可靠接地。
2、所配电源插座容量应符合不同型号主机的电流功率要求。注意:电源插座必须可靠接地!!
3、将水温传感器探头装进水箱中部的探头管内,并加以固定。
电源连接:


电源线从压线柱最大孔通过。棕色为火线,蓝色为零线,双色为地线。注意区分L和N。L接火线,N接零线。漏电保护开关接到主电源(220V)上
接电源,一定要接地线:

安装电气端把手、包扎连接管和电源线。绝对不可以将多余的电源线及感温包线扎成一束塞入电器盒内。

操作板安装:

开机启动:

在电源有效、关机情况下,按开/关机键即可启动热水器,启动前确保管路已排空和水箱水已加满。机组的控制程序出厂时已设定,用户只需放心使用,不必去调整设置参数。检查水管电线、倾听声音、查看风扇、察看仪表,运转10分无异常后试机完成。
水循环安装步骤:
安装步骤和氟循环大致相同,主要不同体现在以下几点:
1,主机与水箱之间管路连接
2,水路管道排空

连接步骤如下:
步骤一:把水箱上下循环口与热泵机组进出水口基本对准并调整至适当距离(5m内)。
步骤二:闸阀安装:用生料带在不锈钢或铜质内接两端螺纹处按顺时针方面缠绕至适当厚度,把不锈钢或铜质内接及闸阀(或球阀)安装在水箱的上循环口上,控制管道水流的通断。
步骤三:外牙活接(或直接)安装:用生料带在外牙活接(或直接)螺纹处按顺时针方面缠绕至适当厚度,把外牙活接用扳手或管钳紧固在已安装好的阀门、循环泵的连接口处。
步骤四:下循环管道安装:根据下循环管道安装的长度及高度尺寸,用割刀或切管器截取相应尺寸的PP-R热水管,依次从水箱下循环口处用热熔器按水箱下循环口闸阀、热泵机组的顺序熔接好下循环管。
步骤五:上循环管道安装:根据上循环管道安装的长度及高度尺寸,用割刀或切管器截取相应尺寸的PP-R热水管,依次按水箱上循环口闸阀、机组的顺序 熔接好热泵机组与水箱间的上循环管。
步骤六:根据现场安装布管要求,如须改变管道布管方向的,可选配管道弯头连接安装。
2,水路管道排空
当所有管路安装完成后,水箱补满水,开机前要对循环水泵进行排空:
用螺丝刀拧下循环水泵的排气螺丝排出泵腔内空气,当排气孔有水流出约10秒后表示泵腔内空气已经排放完毕。此时将排气螺丝装回在排气口上并用螺丝刀紧固。
空气源热泵热水器安装的注意事项小结:
“三分产品,七分安装。”从安装一开始的地形分析,到当地气候,再到电路、水路、氟路等都得充分考虑进去。任何一环节的松懈都有可能导致整个系统的安全运行。
本文来源于互联网,作者:柴锡林。暖通南社整理编辑于2017年3月8日。