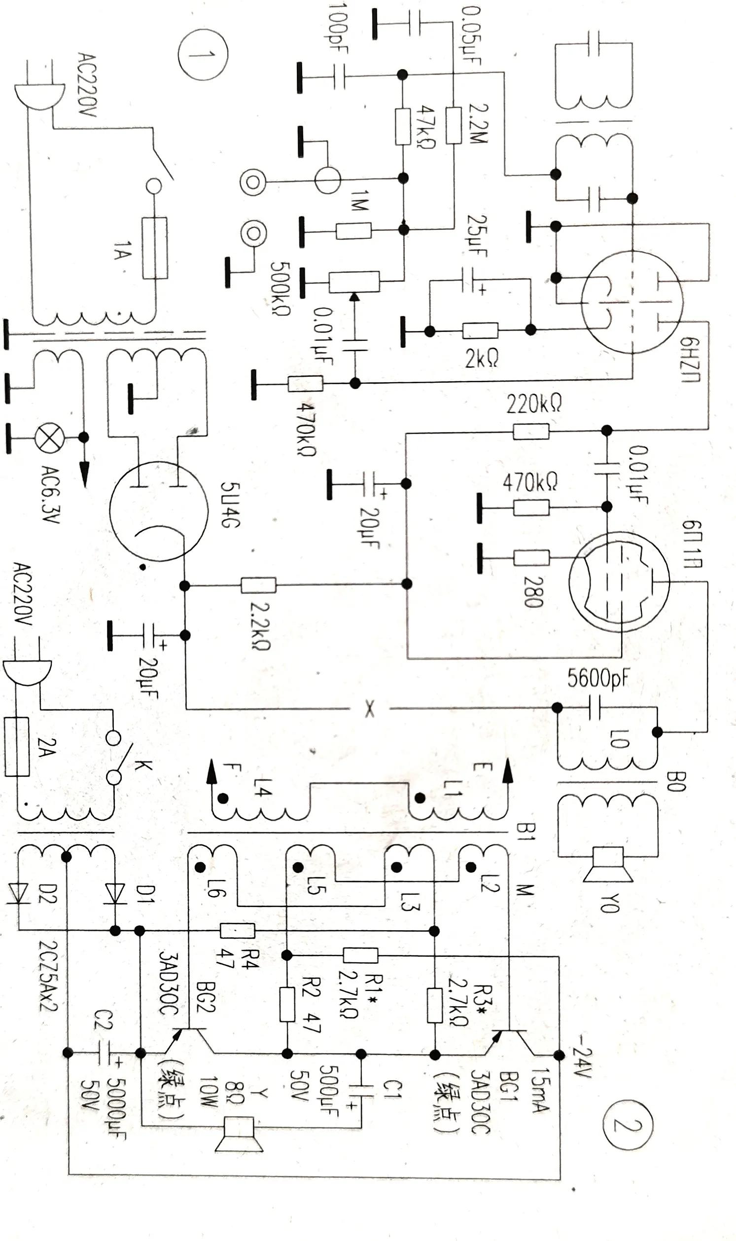
功放电路如图所示。

加在输入变压器B1、B2初级线圈L1、L4 两端的音频电压,经B1、B2倒相后分别加到功放管BG1、BG2的 基极,经放大后推动音箱内的喇叭发出低音,功放的最大输出功 率为30W。
为了获得理想的低音效果,输入变压器初级绕组的电感量 必须足够大,单只变压器难以达到要求,因而采用两只输入变压 器B1、B2串联增大电感,使低音频能得到大幅度扩展。
B1、B2由完全相同的两只25W线路变压器改绕而成。拆除 原变压器的所有线圈,在原骨架上用φ0.15mm漆包线平绕3300 匝为初级(图2中L1和L 4);次级用φ0.51mm漆包线绕96匝(图2 中L2、L3和L5、L6)。
B1、B2连接,如图2所示,B1初级绕组L1的“尾”(图中带“。” 端)接B2初级绕组L2的“头”,音频信号从剩下的两个头E、F输 入。
次级L2的“尾”接L5的“头";L2的“头"(M点)接BG1基极; L3的“尾"接L6的“头" ,L6的“尾"(P点)接BG2基极。 调试;按图2所示接好电路后接通电源,调整R1、R2阻值,使 BG1、BG2的静态电流为15mA即可。
音频放大电 路,在打"X"处断开电路,将 B1、B2初级E.F接入两个断点 处。与功放共同 合成一个二分频放大系统:输出变压器初级绕组 Lo和电容Co组成高频、中频 分频器,直接推动机内扬声器 发出高音和中音:低频部分则 在大电感L1、L2上形成压降, 经B1.B2倒相,BG1、BG2放 大后推动音箱喇叭发出低音。
电子管6H2为 音频电压放大级:电子管6H1 完成高音、中音功率放大,同时完成低音推动及倒相任务;BG1、BG2完成低音功率放大任 务。
组装完毕后,接通电流,从拾音孔CK输入信号,即可进行试 听。 试听结果:高、中、低音均衡很好,音乐细节丰富,高频解析 力高,中音人声清晰、低音震撼,听后非常满意。
元件要求:BG1、BG2(均为绿点)严格配对,每管各用1块 10cmx25cmx0 3cm的铝板散热。 电源变压器B:在舌宽26mm叠厚52mm的EI型矽钢片上绕 制,初级 用φ0.51mm漆包线绕1210匝,次级用φ2.0mm漆包线绕 198匝,在中心抽头,功率100W。