01 硬度不合格
金属材料的硬度与其静拉伸强度和疲劳强度存在一定的经验关系,并与金属的冷成形性、切削加工性和焊接性能等加工工艺性能存在某种程度的关系;硬度试验不损坏工件,测试简单,数据直观,故而被广泛用作热处理工件的最重要的质量检验指标,不少工件还是其唯一的技术要求。 硬度不合格是最常见的热处理缺陷之一。主要表现为硬度不足、淬火冷却速度不够、表面脱碳、钢材淬透性不够、淬火后残余奥氏体过多、回火不足等因素造成的。淬火工件在局部区域出现硬度偏低的现象叫做软点。 软点区域的围观组织多为马氏体和沿原奥氏体晶界分布的托氏体混合组织。软点或硬度不均匀通常是由于淬火加热不均匀或淬火冷却不均匀所引起。加热时炉温不均匀,加热温度或保温时间不足是造成加热不均匀的主要原因。 冷却不均匀主要由于淬火冷时工件表面附着着淬火介质的气泡、淬火介质被污染(例如水中有油悬浮珠) 或淬火介质搅动不充分所造成的。此外,钢材组织过于粗大,存在严重偏析,大块碳化物或大块自由铁素体也会造成淬火不均匀形成软点。
1.1 软点
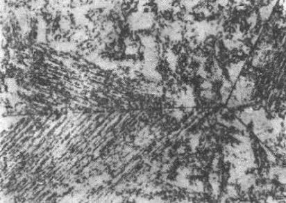
淬火加热的目的是使工件在淬火过程中完成组织转变。为此,必须加热到适当温度并有足够保温时间。加热温度偏低和保温时间不足使得原珠光体组织未能完全转变为奥氏体和转变的奥氏体成分不均匀,淬火后得不到完全马氏体组织,结果使工件淬火后形成软点。 图1为T12钢制造的手用丝锥因加热不足形成的显微组织:细针马氏体+淬火托氏体+珠光体。性能上表现为硬度不均匀。

▲图1 T12钢加热不足的显微组织1-细针马氏体 2-淬火托氏体 3-珠光体 淬火介质搅拌不充分,工件在淬火介质中移动不够或者工件进入介质方向不对时,往往延迟了工件表面某些部位的蒸汽膜破裂,导致该处冷却速度降低,从而出现高温分解产物,形成软点或局部硬度下降。水蒸气膜比盐水稳定,因此软点更易在水淬的工件上形成。水和水溶液的温度越高越容易产生软点。 淬透性较差的碳钢,工件截面较大时容易出现软点。工件表面不清洁,如有铁锈、碳黑等,也会造成淬火后出现硬度偏低的现象。
1.2 硬度不足
加热不足往往会导致淬火件硬度不足。但冷却不当却是工件硬度不足的常见原因。工件出炉后至淬火前预冷时间过长,冷却介质选择不当或冷却介质温度控制偏高,导致冷却能力不够,工件表面有氧化皮或附着盐液,淬火后工件从淬火介质中提出时温度过高,均可能导致过冷奥氏体在C曲线的珠光体转变区域发生分解,形成索氏体和托氏体等非马氏体组织使工件硬度不足。 淬火组织中存在大量残余奥氏体是淬火工件硬度不足的重要原因。残余奥氏体量与奥氏体化学成分有关,含碳量大于0.5%-0.6%时,淬火组织中即可明显的观察到残余奥氏体的存在,继续增加碳含量,残余奥氏体量急剧上升,碳的质量分数为1.4%时,残余奥氏体量(体积分数)达30%。 凡是以置换方式固溶于奥氏体的合金元素皆引起残余奥氏体量的增多。残余奥氏体量较少时,对硬度没有明显影响,残余奥氏体量较多时,将导致硬度下降,体积分数20%的残余奥氏体将使淬火硬度下降约6.5HRC 。
1.3 高频淬火和渗碳工件的软点和硬度不足
高频淬火工件的软点包括表层局部没有淬硬的残留软点和硬化层深度不均匀的深度软点两种。这些硬度缺陷由于材料选择不当,原始组织不良,高频淬火加热的电参数、感应器和冷却装置不当等因素所造成的。 高频淬火多用于中碳结构钢和低碳中合金结构钢,由于高频淬火加热是快速加热,奥氏体中的碳来不及通过扩散而未充分均匀化,因此,含有Cr、Mo、W、V等碳化物形成元素的钢,由于相变点较高,高频感应加热淬火时,易产生软点和硬度不均匀,选择高频淬火用钢时,应考虑上述元素不要超过一定含量。 钢中碳化物类型、形态、尺寸及分布对高频淬火工件的质量有显著影响。钢中有网状碳化物、碳化物尺寸过大并分布不均匀时,易产生硬度不均匀和硬度不足等缺陷。因此高频淬火受预先热处理的影响很大,高频淬火最佳原始组织是调质处理的回火索氏体。 高频感应圈不均匀时,也会导致淬火硬度不足,喷射角度不当,喷射孔大小、数量位置不合理或喷孔被堵塞时,往往导致高频淬火工件硬度不足或形成软点。 渗碳工件硬度不足和软点多由渗碳不足、淬火时脱碳、淬火温度过低、淬火冷却速度不足、表面残余奥氏体量过多、回火过度、工件表面不清洁、渗碳不均匀或冷却不均匀造成。
02 有色金属合金力学性能不合格
工业上用的最广泛的有色金属是铝、铜、镁、钛及其合金。有色金属与钢铁的热处理原理相同,但是有其自身的特点。例如,共析转变对钢的热处理有重要作用,但在有色金属中就很少遇到;马氏体转变是钢铁材料赖以强化的主要手段,但除了少数铜合金和钛合金外,其他有色金属一般不能通过马氏体转变强化。 有色金属常用的热处理工艺是均匀化退火、再结晶退火、去应力退火、固溶处理和时效处理。固溶时效是有色金属最常用的也是最重要的热处理强化工艺。
有色金属热处理应特别注意以下问题: 1)有色金属活泼,对加热环境要求严格。例如,钛合金的加热环境一般应为真空或微氧化气氛;为避免氧化,镁合金常在二氧化硫或二氧化碳保护气氛中加热;为避免氢脆,紫铜需要在中性或弱氧化性气氛下热处理。 2)为了达到最大的固溶效果,许多有色金属合金的固溶温度接近固相线的温度,为了防止发生过热过烧,必须严格控制炉温和加热保温时间。 有色金属因为热处理不当,引起力学性能不合格的常见原因及防止方法见表1。 表1 有色金属热处理常见力学性能缺陷及防止方法



03 过热与过烧
金属或合金在热处理加热时,由于温度过高,晶粒长得很大,以致性能显著降低的现象,称之为过热;加热温度接近其固相线时,晶界氧化和开始部分熔化的现象,称之为过烧。
3.1 过热
过热组织包括结构钢的晶粒粗大,马氏体粗大、残余奥氏体过多、魏氏组织,高速钢的网状碳化物、共晶组织(莱氏体组织)、萘状断口、马氏体不锈钢的铁素体过多、黄铜合金脱锌使表面出现白灰,酸洗后呈麻面等。 典型的过热组织如图2所示 。过热组织按正常热处理工艺消除的难易程度,可分为稳定过热和不稳定过热两类,一般过热组织可通过正常热处理消除,称之为不稳定过热组织。稳定过热组织是指经一般正火、退火和淬火不能完全消除的过热组织。

▲图2 典型过热组织形貌 过热的重要特征是晶粒粗大,它将降低钢的屈服强度、塑性、冲击韧度和疲劳强度,提高钢的脆性转变温度。参见图3、图4 ,表2、表3 。

▲图3 晶粒大小对钢的屈服强度的影响

▲图4 晶粒大小对钢的脆性转变温度的影响1-C0.02% Ni0.03% 2-C0.02% Ni3.64%▼表2 晶粒度对工业纯铁力学性能的影响

▼表3 晶粒度对2135合金疲劳性能的影响

过热的另一个重要特征是淬火马氏体粗大,它将降低冲击韧度和耐磨性,增加淬火变形倾向和淬火开裂倾向,如图5、图6、和表4、表5所示 。中碳钢按其形态和尺寸分为8级,7、8级即为过热组织。

▲图5 马氏体等级对冲击韧度的影响

▲图6 马氏体等级对耐磨性的影响▼表4 45钢及40Cr钢淬火变形的尺寸变化(0.01mm)

▼表5 45钢淬裂实验结果

钢的过热缺陷还有魏氏组织、萘状断口、石状断口等,不仅能大大降低钢的力学性能而且很容易产生淬火开裂。 各种过热组织的特征和预防措施建表6 。为了防止产生过热,应正确的制定并实施合理的热处理工艺,严格控制炉温和保温时间一般过热组织可以通过多次退火或正火消除,对于较严重的过热组织,如石状断口,不能用热处理消除,必须采用高温形变和退火联合作用才能消除。 ▼表6 过热组织特征及预防挽救措施

3.2 过烧
过烧组织包括晶界局部熔化、纤维空洞,铝合金表面发黑、起泡、断口灰色无光泽,镁合金表面氧化瘤等。典型的过烧组织见图7 。

图7 典型的过烧组织(50A钢) 150X 过烧组织使性能严重恶化,极易产生热处理裂纹,所以过烧是不允许产生的热处理缺陷,一旦出现过烧,珍贵零件只能报废,因此热处理生产中要严格防止出现过烧。
04 球化级别不合格
汽车、拖拉机及其他各种机器都大量使用标准件和紧固件,轴、销、杆等标准件大多数使用自动车床车削加工,而螺栓、螺母、铆钉等紧固件大多数采用冷镦加工,为了提高生产率,适应自动切削和冷镦加工,其钢料的预备热处理是退火或球化退火,应该对球化程度予以控制。 自动车削加工要求钢材具有良好的车削性能,塑性不能太高,否则容易“粘刀” 车屑不断,希望钢材组织为片状珠光体;而冷镦加工要求钢材具有良好的冷镦性能,塑性要好,以保证冷镦时不开裂,希望钢材金相组织为球状珠光体。 为此有行业标准JB/T 5074-91《低、中碳钢球化率级别 》来评定球化级别。以碳化物球化程度评级,1级球化率为0,即珠光体完全是片状,6级球化率为100%,即碳化物为完全球化状态。冷镦用中碳钢一般要求4~6级,自动机床加工用低、中碳钢一般要求1~3级。 低、中碳钢预备热处理的球化不合格将严重影响其冷镦和自动切削性能,球化级别对冷镦性能影响如表7所示 ,由此可以看出,球化1~3级冷镦量大时,将会产生开裂,而在4~6级则冷镦时无开裂,所以冷镦用钢球化率控制在4~6级为合格。大量生产实践表明,自动化车削加工用钢球化率控制在1~3级时,零件表面粗糙度合适,带锯磨损正常,生产率高;如果球化率超过3级,很难进行自动化机床加工。