
▷目录
1.卫生间管道分类
1.卫生间不同管道的坡度规定值
2.卫生间不同区域的管道大小选择
1.卫生间管道分类
1.1卫生间管道分类
高层住宅卫生间一般有三条管道,作用互不相同,分别是:
1.1.1、排污管:
卫生间的排污管道一般用于淋浴间、马桶区、洗漱区的地漏排污,与地漏相连的排污支管,管径宜为50mm;
1.1.2、排粪管:
卫生间的排粪管连接座厕、蹲厕、小便器的排污。
1.1.3、排气管:
卫生间的排气管与排污管、粪水管相连,其作用是当污水往下排水时,把污水管、粪水管内的压力往气管内排出,避免冲水后当管内产生压强,气体向底部冲击造成影响,从使最底层卫生间冒出废气。

△三管示意图
2. 卫生间不同管道的坡度规定值
根据《建筑给水排水及采暖工程施工质量验收规范》GB 50242-2002的规定,卫生间相应的管径坡度值应按照下表规定:

卫生间内的管道安装需要一定的坡度,因为只有适宜的坡度值污水排泄物才能同步排走;
如管道坡度不足,会出现污水与排泄物停留漂浮在管内的情况;
如管道坡度较大,会出现污水跑得快,污物还滞留在管内的情况。
华建工艺学会团队建议:设计合适的排水坡度会更好的避免管道堵塞

△同一管径不同坡度值的对比
污水排走了但污物还停留在管道内发黑发臭
2.1 管径为50mm的坡度值:
DN50的坡度标准值为2.5%;
DN50的坡度最小值为1.2%;

△管径为50mm的1米长度排水坡度规定值
2.2 管径为75mm的坡度值:
DN75的坡度标准值为1.5%;
DN75的坡度最小值为0.8%;

△管径为75mm的1米长度排水坡度规定值
2.3 管径为100mm的坡度值:
DN100的坡度标准值为1.2%;
DN100的坡度最小值为0.6%;

△管径为100mm的1米长度排水坡度规定值
2.4 管径为125mm的坡度值:
DN125的坡度标准值为1%;
DN125的坡度最小值为0.5%;

△管径为125mm的1米长度排水坡度规定值
2.5 管径为160mm的坡度值:
DN160的坡度标准值为0.7%;
DN160的坡度最小值为0.4%;

△管径为160mm的1米长度排水坡度规定值
2.6 错误的管道铺设方法:



3.卫生间不同区域的管道大小选择
根据《建筑给水排水及采暖工程施工质量验收规范》GB 50242-2002的规定:

5.2.15 用于室内排水的水平管道与水平管道、水平管道与立管的连接,应采用45°三通和45°四通和90°斜三通或90°斜四通。
立管与排出管端部的连接,应采用两个45°弯头或曲率半径不小于4倍管径的90°弯头。

△市面上的排水管配件
卫生间内需要安装适宜大小的管道:
1、管道过小、出现污水与排泄物堵塞管道的情况
2、管道过大,出现污水不能浮带污物向外排,水排走了、泄物还滞留在管道的情况!
华建工艺学会团队建议:设计符合标准的排水管管径会更好的达到快速排水的标准,并不是选择大管径的排水管就会达到好的排水效果。

△不同管道大小的对比
污水排走了但污物还停留在管道内发黑发臭
3.1 卫生间管道安装示意图:


△卫生间管道安装示意图
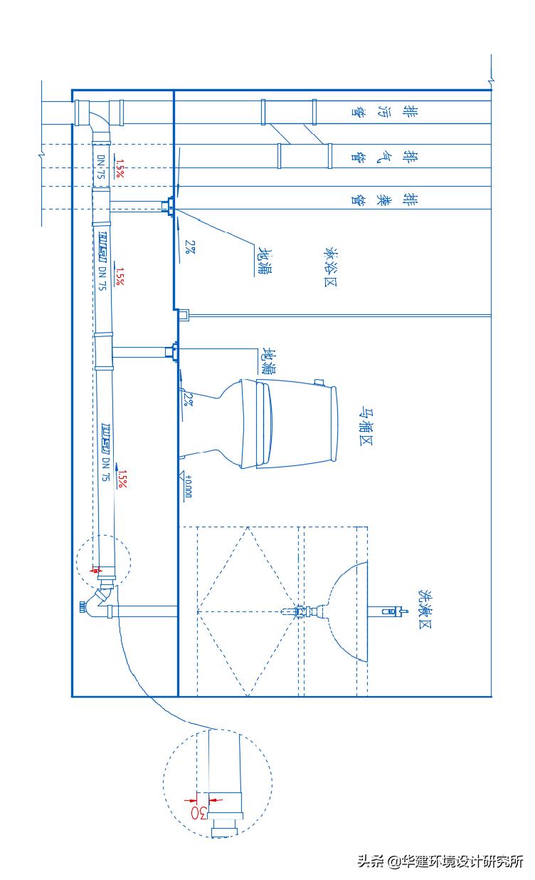
3.2 卫生间排污管连接示意图:

△卫生间排污管连接平面图

△卫生间排污管连接立面图

△卫生间排污管连接立面细节图
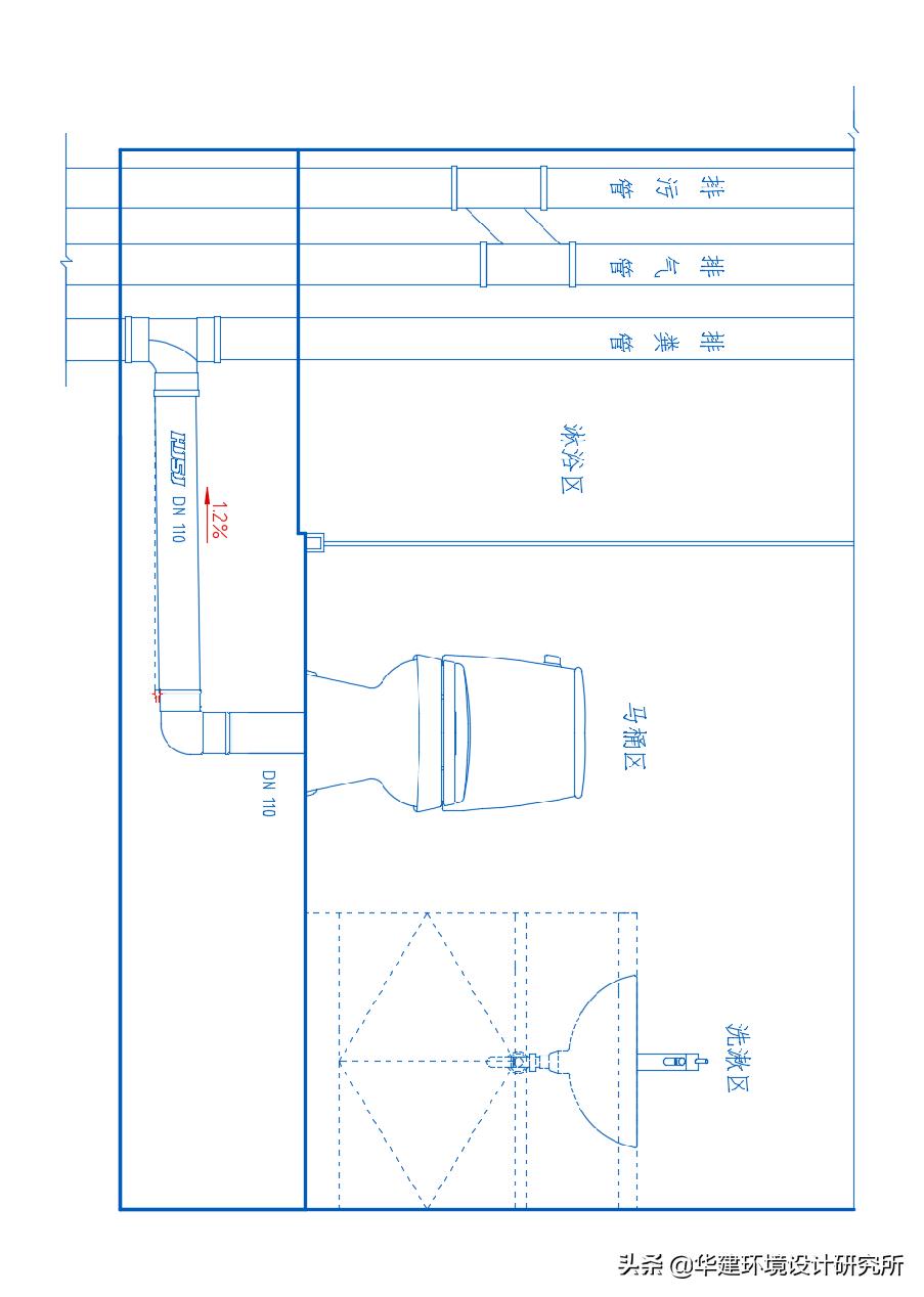
3.3 卫生间排水管连接示意图:

△卫生间排水管连接平面图

△卫生间排粪管连接立面图

△卫生间排粪管连接立面细节图
本文编著团队:
华建环境设计研究所(设计一组)
编辑:廖铭宽、廖铭宇
图片:苏韵涛
审校:廖炽伟 、梁薇
由华建环境设计研究所收编整理,
发布于2021年9月
“卫生间管道安装坡度设计指引HJSJ-2021”
文案由华建工艺学会的团队制作发布
部分图片来源于网络
不作任何商业用途
更多设计看点→点击关注
