热室压铸机因其效率高、结构简单且金属熔液不与空气直接接触、铸件品质好等特点,得到广泛的应用。在热室压铸压射过程中压室内壁不仅受到冲头运动造成的的摩擦磨损,还受到高温金属液引起的腐蚀,使得压室内壁与冲头产生径向变形造成配合间隙变化 ,严重时会发生卡擦卡死,是导致压射机构失效的主要原因。
朱谦等对挤压铸造机的压射机构动态配合进行研究,认为引起配合间隙变化剧烈的主要原因是压室的温度不均匀。宋雷等对挤压铸造的压室进行了卡擦现象定性分析,其认为压射机构内部热变形引起的配合间隙变化是造成卡擦现象出现的主要原因。
【研究亮点】
目前对压射机构的研究主要集中在由热变形引起的间隙变化造成的卡擦现象 ,但针对热室压铸机的研究报道较少。热室压铸机压射机构与冷室压铸机不同,其工作环境复杂,易发生失效,且压室与冲头更换困难。因此,对热室压铸机压射机构在工作中的失效问题进行研究十分必要。本课题对热室压铸机工作状态下压射机构的变形失效原因进行研究,通过数值模拟分析得知金属熔液产生的热量传递到压射机构的压室和鹅颈壶会引起其内部发生径向变形。
热室压铸机的压射机构主要由鹅颈壶、压室及冲头3部分构成。其工作原理见图1,金属液由进料口进入压室内部,冲头缓慢向下移动直至封住进料口,之后压射冲头以高速压射推动金属液进入鹅颈壶直至模具中保压。待模具成形后冲头退回,金属液回流,顶出装置将压铸件顶出完成一个压铸流程。

图 1 热室压铸机压射机构工作原理
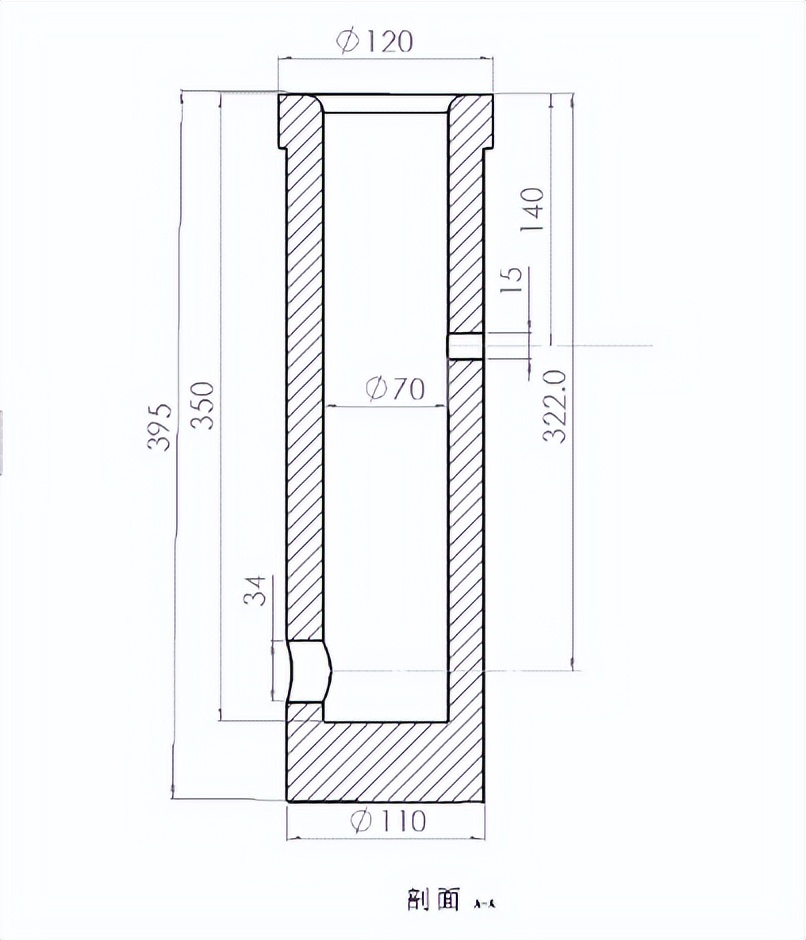
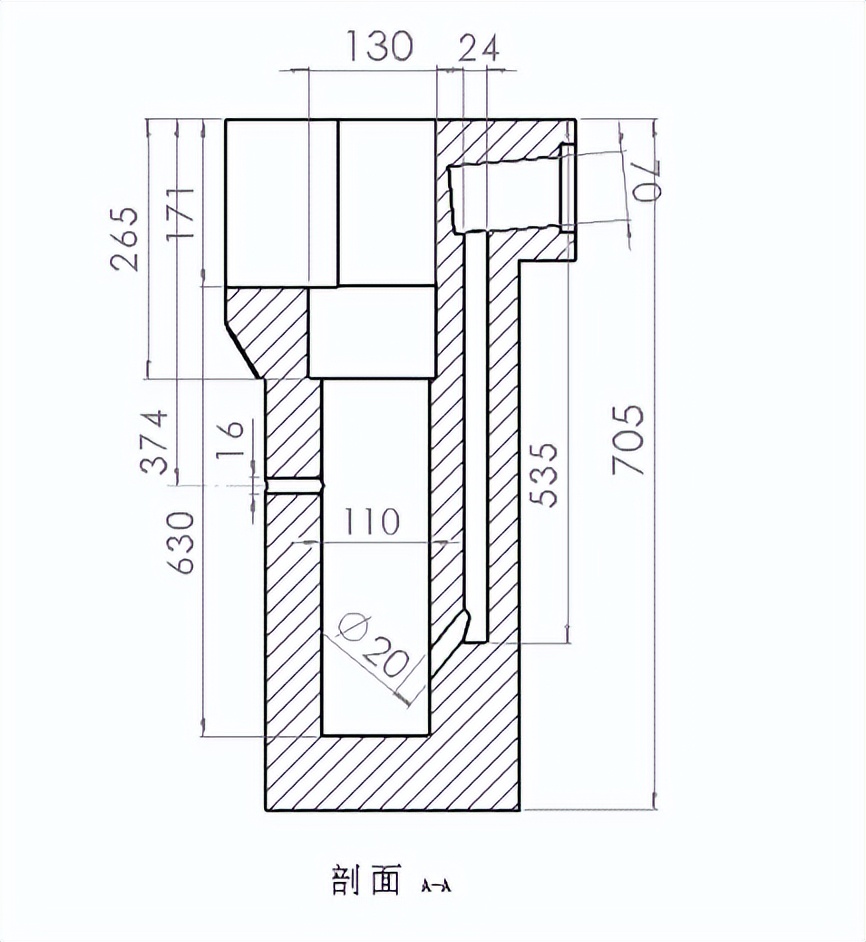
在进行有限元分析前需对压射机构进行三维建模,采用SolidWorks对1 250 kN热室压铸机压射机构进行建模装配。压室和鹅颈壶的尺寸均根据实际图纸尺寸绘制,其剖面图见图2。

(a) 压室尺寸

(c)压射机构装配图

(b )鹅颈壶尺寸

(d) 压射机构剖面图
图2 压射机构尺寸及剖面图
以1 250 kN热室压铸机压射机构为研究对象,压射机构简化为由冲头、压室和鹅颈壶组成的有限元模型。数值模拟采用流固耦合分析,忽略重力、磁力、惯性力等对计算结果影响很小的因素。压铸前需将压射机构预热至200 ℃,因此设定初始温度为200 ℃,镁合金熔液为750 ℃。压射过程中一个压铸周期需50 s,压铸工艺流程分4个步骤组成:①在0~5 s金属液流入压室;②在5~15 s时冲头下压完成模具的充型;③在15~45 s时冲头保压金属液在高压下凝固;④在45~50 s时冲头退回,金属液回流,顶出成形铸件。鹅颈壶和冲头材质为QT600,压室材质为H13钢,冲头直径为70 mm,压室外径为110 mm,内径为70 mm,高395 mm,压室底厚为45 mm,鹅颈壶管道内径为15 mm,底厚为75 mm。定义压室及鹅颈壶管道内为流体域,其余部分为固体域。冲头在压射时的速度为0.125 m/s,压射压力为22.88 MPa,出口压力设为静压0,鹅颈壶上方及鹅颈壶出口外表面与压室外表面设为位移支撑,冲头下方为位移支撑给定一个自由度。压射机构中各部件的的材料性能参数见表1。

在进行有限元分析前需对要分析的结构进行网格划分,在每个网格划分的区域内采用相应的热力学或流体力学方程求解,最终可以得到整个结构的工作状态。流体域划分网格节点数量8 681个,网格单元数量39 548个。固体域划分网格节点数量121 150个,网格单元数量75 519个,见图3。

(a)流体域网格划分

(b)固体域网格划分
图3 流体和固体网格划分
【研究结果】
当压射机构工作至45 s即一个压铸周期结束,冲头即将退回时,压射机构整体的等效应力及变形分布都是不均匀的。压室中的最大变形位于压室底部。冲头的变形由冲头上方到冲头底部递增,因为冲头底部与金属液直接接触且持续时间较长。鹅颈壶中的等效应力较为均匀,最大的变形位于底部区域,与压室变形方向一致,因为鹅颈壶底部长时间接触金属液所致。压室及鹅颈壶内壁受到的等效应力均小于材料的屈服应力。分析得知,压射机构内部径向变形的主要原因是高温金属液的热传递导致的。

(a)鹅颈壶等效应力

(c) 压室等效应力

(b) 鹅颈壶总变形

(d) 压室总变形
图4 压室和鹅颈壶等效应力及变形云图
通过数值模拟分析得知金属液热传递影响是造成热室压铸机压射机构内部变形的主要因素,通过热力耦合分析的方式来验证。在热力耦合过程中,设定流体为固定的热源,不考虑内部流体压力的影响。材料属性等定义同上,限制约束也相同,采用稳态热分析的方式,见图5,鹅颈壶与压室的总变形与等效应力的结果基本与流固耦合分析相似,验证了上述分析的正确性。

(a)鹅颈壶应力

(c) 压室应力

(b)鹅颈壶变形

(d)压室变形
图5 压室和鹅颈壶应力及变形图
通过Optimization优化分析,随机生成了20个设计点,分别对每个点进行求解计算,选择其中的最优解。设定在保证压室内部腔体容积不变的情况下改变压室与鹅颈壶的厚度。分别设定其相关参数设计变量,具体参数见表2。

通过求解设定的20个设计点,得到其压室、鹅颈壶厚度对总变形、等效应力以及质量的敏感性与参数变量之间的关系见图6。

(a) 敏感图

(c) 总变形关系图

(b)质量关系图

(d) 等效应力关系图
图6 各参数之间的关系
根据上述的各个节点计算得到了3组最佳的候选点,通过对比选择第3组候选点,将数值带入模型中进行分析,得到压射机构的总变形与等效应力图见图7和图8。

图7 优化设计点

(a) 压射机构优化后变形图

(b) 压射机构优化后等效应力图
图8 压射机构优化后变形图和等效应力图
【研究结论】
通过对1 250 kN热室压铸机压射机构进行流固耦合数值模拟分析并结合热力耦合分析验证的方式,得出金属液的热传递影响是造成压射机构径向变形的主要原因。之后根据热变形的影响对其进行了结构优化设计,在减小了总变形与等效应力的基础上其质量也有所降低,减小了生产成本。
【文献引用】
王昌,王宇鑫,周忠锋,等.热室压铸机压射机构失效分析及优化设计[J].特种铸造及有色合金,2022,42(6):779-782.
WANG C,WANG Y X,ZHOU Z F, et al.Failure analysis and optimization design of injection mechanism of hot chamber casting machine[J].Special Casting &. Nonferrous Alloys,2022,42(6):779-782.