上节我们学习了电机旋变故障检查和检测方法,今天我们接着学习电机的第三个常见类型故障—电机温度过高故障检修
1、故障原因分析:电机温度过高故障通常有以下几个原因造成
(1)电机冷却系统故障:一般则是外部冷却问题
(2)电机温度传感器失效:则是电机内部的原因
(3)电机IGBT工作温度过高:这种属于高压电路故障原因
2、我们首先来看外部冷却系统的组成

由水泵、散热器及膨胀水箱、风扇和管路组成,其主要为电机控制器和电机本体进行散热;当检测到温度过高故障进行故障排除分析时候,先确定低压冷却系统是否正常,电子水泵是否正常(可以通过诊断仪进行功能测试,检测电子水泵是否工作,也可以通过数据流观察电子水泵的工作电流是否正常),以北汽EV160车型举例,该车只有一个冷却液罐,检查液位是否正常。
3、在确定外部系统基本没有问题后,则需要进行内部检测
(1)主要是测量电机内部温度传感器的是否良好,一种方法是通过诊断仪进入电机控制器系统内读取温度,如果在这个界面无法读取温度值或者读取不正常则采用另种方法:用万用表直接测量脚位电压值和线路电阻值(电阻值正常要为0欧)

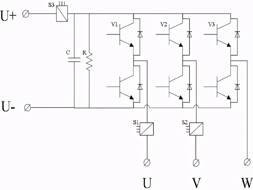
4、如果上述测量温度传感器结果正常,则需要做最后一步也就是IGBT检测
(1)首先我们要知道IGBT是什么: IGBT(Insulated Gate Bipolar Transistor),绝缘栅双极型晶体管,是由BJT(双极型三极管)和MOS(绝缘栅型场效应管)组成的复合全控型电压驱动式功率半导体器件, 兼有MOSFET的高输入阻抗和GTR的低导通压降两方面的优点。

(2)IGBT主要功能:
①信号反馈给电机控制器控制主板
②监测直流母线电压
③直流转换交流及变频
④监测相电流的大小
⑤监测IGBT模块温度
⑥三相整流
(3)IGBT的工作原理
IGBT模块根据控制器主板的指令,将输入的直流电逆变成电压、频率可调的三相交流电,供给配套的三相交流永磁同步电机使用。在能量回收工况将发电机输入的交流电,经过整流转换成直流电给动力电池充电。

5、如果是上述故障,在判定最终故障原因时候,我们还需要知道冷却系统在冷却时候的工作逻辑:
①水泵控制:启动车辆时电动水泵开始工作(即仪表显示READY)
②电机温度 控制:当控制器监测到驱动电机温度45℃≤温度<50 ℃时冷却风扇低速启动; 温度≥50 ℃时,冷却风扇高速启动;温度降至40 ℃时冷却风扇停止工作。 120℃≤温度<140 ℃时,降功率运行; 温度≥140 ℃时,降功率至0 ,即停机。
③控制器温度控制 :当控制器监测到散热基板温度≥75 ℃时,冷却风扇低速启动。 80 ℃≥时,冷却风扇高速启动;温度降至75 ℃时冷却风扇停止工作。温度≥85 ℃时,超温保护,即停机。 当控制器监测到散热基板板温度为: 85 ℃≥温度≥75 ℃时,降功率运行。
6、如果上述步骤全部实施后依然无法排除故障,则需要更换电机控制总成和IGBT模组(因为新能源汽车上的IGBT为整体封装,不可单独拆卸),更换之后重新上电并进行检测,故障基本就能排除