逆变功率模块的损坏
1.1.1 判断逆变功率模块主要有IGBT、IPM等,检查外观是否已炸开,端子与相连印制板是否有烧蚀痕迹。用万用表查C-E、G-C、G-E 是否已通,或用万用表测P对U、V、W 和N 对U、V、W 电阻是否有不一致,以及各驱动功率器件控制极对U、V、W、P、N 的电阻是否有不一致,以此判断是哪一功率器件损坏。
1.1.2 损坏的原因查找
(1)器件本身质量不好。
(2)外部负载有严重过电流、不平衡,电动机某相绕阻对地短路,有一相绕阻内部短路,负载机械卡住,相间击穿,输出电线有短路或对地短路。
(3)负载上接了电容,或因布线不当对地电容太大,使功率管有冲击电流。
(4)用户电网电压太高,或有较强的瞬间过电压,造成过电压损坏。
(5)机内功率开关管的过电压吸收电路有损坏,造成不能有效吸收过电压而使IGBT损坏,如图1所示。
(6)滤波电容因日久老化,容量减少或内部电感变大,对母线的过压吸收能力下降,造成母线上过电压太高而损坏IGBT。正常运行时母线上的过电压是逆变开关器件脉冲关断时,母线回路的电感储能转变而来的。
(7)IGBT或IPM功率器件的前级光电隔离器件因击穿导致功率器件也击穿,或因在印制板隔离器件部位有尘埃、潮湿造成打火击穿,导致IGBT、IPM损坏。
(8)不适当的操作,或产品设计软件中有缺陷,在干扰和开机、关机等不稳定情况下引起上下两功率开关器件瞬间同时导通。
(9)雷击、房屋漏水入侵,异物进入、检查人员误碰等意外。
(10)经维修更换了滤波电容器,因该电容质量不好,或接到电容的线比原来长了,使电感量增加,造成母线过电压幅度明显升高。
(11)前级整流桥损坏,由于主电源前级进入了交流电,造成IGBT、IPM损坏。
(12)修理更换功率模块,因没有静电防护措施,在焊接操作时损坏了IGBT。或因修理中散热、紧固、绝缘等处理不好,导致短时使用而损坏。
(13)并联使用IGBT,在更换时没有考虑型号、批号的一致性,导致各并联元件电流不均而损坏。
(14)变频器内部保护电路(过电压、过电流保护)的某元件损坏,失去保护功能。
(15)变频器内部某组电源,特别是IGBT驱动级+、-电源损坏,改变了输出值或两组电源间绝缘被击穿。
1.1.3 更换
只有查到损坏的根本原因,并首先消除再次损坏的可能,才能更换逆变模块,否则换上去的新模块会再损坏。
(1)IGBT 同绝缘栅场效应管一样要避免静电损坏。在装配焊接中防止损坏的根本措施是,把要修理的机器、IGBT 模块、电烙铁、人、操作工作台垫板等全部用导线连接起来,使得在同一电场电位下进行操作,全部连接的公共点如能接地就更好。特别是电烙铁头上不能带有市电高电位,示波器电源要用隔离良好的变压器隔离。IGBT模块在未使用前要保持控制极G 与发射极E 接通,不得随意去掉该器件出厂前的防静电保护G-E 连通措施。
(2)功率模块与散热器之间涂导热硅脂,保证涂层厚度0.1耀0.25 mm,接触面80%以上,紧固力矩按紧固螺钉大小施加(M4 13 kg·cm,M5 17 kg·cm,M6 22 kg·cm),以确保模块散热良好。
(3)机器拆开时,要对被拆件、线头、零件做好笔记。再装配时处理好原装配上的各类技术措施,不得简化、省略。例如,输入的双绞线、各电极连接的电阻阻值、绝缘件、吸收板或吸收电容都要维持原样;要对作了修焊的驱动印制板进行清洁和防止爬电的涂漆处理,以及保证绝缘可靠,更不要少装和错装零部件。
(4)并联模块要求型号、编号一致,在编号无法一致时,要确保被并联的全部模块性能相同。
(5)对因炸机造成铜件的缺损,要把毛刺修圆砂光,避免因过电压发生尖端放电而再次损坏。

1.1.4 更换模块后的通电经常会更换模块后,一通电又烧毁了。为防止此类事故,一般在变频器的直流主回路里串入一电阻,电阻阻值为1耀2 k赘,功率50 W以上,由于电阻的限流作用,即使故障开机也不会损坏模块。空载时流过电阻的电流小,压降也小,可做空载检查。
一般只要空载运行正常,去掉电阻大都会正常。
1.2 整流桥的损坏
1.2.1 判断
用万用表电阻挡即可判断,对并联的整流桥要松开连接件,找到坏的那一个。
1.2.2 损坏原因查找
(1)器件本身质量不好。
(2)后级电路、逆变功率开关器件损坏,导致整流桥流过短路电流而损坏。
(3)电网电压太高,电网遇雷击和过电压浪涌。电网内阻小,过电压保护的压敏电阻已经烧毁不起作用,导致全部过压加到整流桥上。
(4)变频器与电网的电源变压器太近,中间的线路阻抗很小,变频器没有安装直流电抗器和输入侧交流电抗器,使整流桥处于电容滤波的高幅度尖脉冲电流的冲击状态下,致使整流桥过早损坏。
(5)输入缺相,使整流桥负担加重而损坏。
1.2.3 更换
(1)找到引起整流桥损坏的根本原因,并消除,防止换上新整流桥又发生损坏。
(2)更换新整流桥,对焊接的整流桥需确保焊接可靠。确保与周边元件的电气安全间距,用螺钉联接的要拧紧,防止接触电阻大而发热。与散热器有传导导热的,要求涂好硅脂降低热阻。
(3)对并联整流桥要用同一型号、同一厂家的产品以避免电流不均匀而损坏。
1.3 滤波电解电容器损坏
1.3.1 判断
出现外观炸开、铝壳鼓包、塑料外套管裂开,流出了电解液、保险阀开启或被压出,小型电容器顶部分瓣开裂,接线柱严重锈蚀,盖板变形、脱落,说明电解电容器已损坏。用万用表测量开路或短路,容量明显减小,漏电严重(用万用表测最终稳定后的阻值较小)。
1.3.2 找出电容损坏原因
(1)器件本身质量不好(漏电流大、损耗大、耐压不足、含有氯离子等杂质、结构不好、寿命短)。
(2)滤波前的整流桥损坏,有交流电直接进入了电容。
(3)分压电阻损坏,分压不均造成某电容首先击穿,随后发生相关其他电容也击穿。
(4)电容安装不良,如外包绝缘损坏,外壳连到了不应有的电位上,电气连接处和焊接处不良,造成接触不良发热而损坏。
(5)散热环境不好,使电容温升太高,日久而损坏。
1.3.3 电容的更换
(1)更换滤波电解电容器最好选择与原来相同的型号,在一时不能获得相同的型号时,必须注意以下几点:耐压、漏电流、容量、外形尺寸、极性、安装方式应相同,并选用能承受较大纹波电流,长寿命的品种。
(2)更换拆装过程中注意电气连接(螺钉联接和焊接)牢固可靠,正、负极不得接错,固定用卡箍要能牢固固定,并不得损坏电容器外绝缘包皮,分压电阻照原样接好,并测量一下电阻值,应使分压均匀。
(3)已放置一年以上的电解电容器,应测量漏电流值,不得太大,装上前先行加直流电老化,直流电先加低一些,当漏电流减小时,再升高电压,最后在额定电压时,漏电流值不得超过标准值。
(4)因电容器的尺寸不合适,而修理替换的电容器只能装在其他位置时,必须注意从逆变模块到电容的母线不能比原来的母线长,两根+、-母线包围的面积必须尽量小,最好用双绞线方式。这是因为电容连接母线延长或+、-母线包围面积大会造成母线电感增加,引起功率模块上的脉冲过电压上升,造成损坏功率模块或过电压吸收器件损坏。在不得已的情况下,另将高频高压的浪涌吸收电容器用短线加装到逆变模块上,帮助吸收母线的过电压,弥补因电容器连接母线延长带来的危害。
1.4 风机的损坏
1.4.1 风机的损坏判断
(1)测量风机电源电压是否正常,如风机电源不正常,首先要修好风机电源。
(2)确认风机电源正常后风机如不转或慢转,则风机已损坏,需更换。
1.4.2 损坏原因查找
(1)风机本身质量不好,线包烧毁、局部短路,直至风机的电子线路损坏,或风机引线断路、机械卡死、含油轴承干涸、塑料老化变形卡死。
(2)环境不良,有水汽、结露、腐蚀性气体、脏物堵塞、温度太高使塑料变形。
1.4.3 风机的更换
(1)更换新风机最好选择原型号或比原型号性能优越的风机,同样尺寸的风机包含很多种风量和风压品种。
(2)风机的拆卸有很多情况要牵动变频器内部机芯,在拆卸时要做好记录和标识,防止装回原样时发生错误。有的设计已充分考虑到更换方便性,此时要看清楚,不要盲目大拆、大动。
(3)风机在安装螺钉时,力矩要合适,不要因过紧而使塑料件变形和断裂,也不能太松而因振动松脱。风机的风叶不得碰风罩,更不得装反风机。
(4)选用风机时注意风机轴承是滚珠轴承的为好,含油轴承的机械寿命短。就单纯轴承寿命而言,使用滚珠轴承时风机寿命会高5耀10 倍。
(5)风机装在出风口承受高温气流,其风叶应用金属或耐温塑料制成,不得使用劣质塑料,以免变形。
(6)电源连接要正确良好,转子风叶不得与导线相摩擦,装好后要通电试一下。
(7)清理风道和散热片的堵塞物很重要,不少变频器因风道堵塞而发生过热保护或损坏。
1.5 开关电源的损坏
1.5.1 开关电源损坏的判断
(1)有输入电压,而无开关电源输出电压,或输出电压明显不对。
(2)开关电源的开关管、变压器印制板周边元件,特别是过电压吸收元件有外观上可见的烧黄、烧焦,用万用表测开关管等元件已损坏。
(3)开关变压器漆包线长期在高温下使用,出现发黄、焦臭、变压器绕阻间有击穿、变压器绕阻特别是高压线包有断线、骨架有变形和跳弧痕迹。
1.5.2 查找开关电源损坏原因
(1)开关电源变压器本身漏感太大。运行时一次绕阻的漏感造成大能量的过电压,该能量被吸收的元件(阻容元件、稳压管、瞬时电压抑制二极管)吸收时发生严重过载,时间一长吸收的元件就损坏了。
以上原因又会使开关电源效率下降、开关管和开关变压器发热严重,而且开关管上出现高的反峰电压,促使开关管损坏及变压器损坏,特别在密闭机箱里的变压器、开关管、吸收用电阻、稳压管或瞬时电压抑制二极管的温度会很高。
(2)变压器导线因氧化、助焊剂腐蚀而断裂。
(3)元器件本身寿命问题,特别是开关管和或开关集成电路因电流电压负担大,更易损坏。
(4)环境恶劣,由灰尘、水汽等造成绝缘损坏。
1.5.3 开关电源的修理
(1)开关电源因局部高温已使印制板深度发黄碳化或印制线损坏时,印制板的绝缘和覆铜箔、导线已不能使用时,只能整体更换该印制板。
(2)查出损坏的元件后更换新元件,元件型号应与原型号一致,在不能一致时,要确认元件的功率、开关频率、耐压以及尺寸上能否安装,并要与周边元件保持绝缘间距。
(3)认为已修好后,应通电检查。通电时不应使整个变频器通电而只对有开关变压器的那一部分,即在开关变压器的电源侧通电,检查工作是否正常、二次电压是否正确,改变电源侧的电压在+15%耀-20豫变动范围内,输出电压应基本不变。
1.6 接触器的损坏
1.6.1 接触器损坏判断
(1)对于发生逆变桥模块炸毁、滤波电解电容器发生爆炸等变频器后级发生严重过电流短路的,都要检查是否影响了接触器。常见的损坏有触头烧蚀、烧结,以及接触器塑料件烧变形。
(2)少数接触器会发生控制线包断线和完全不动作。
1.6.2 损坏原因
(1)后级有短路,过电流故障造成触头烧蚀。
(2)线包质量不好,发生线包烧毁、烧断线而不能吸合。
(3)对有电子线路的接触器,会因电子线路损坏而不能动作,因此最好不用此类接触器。
(4)因炸机火焰损坏。
1.6.3 更换
(1)选同型号、同尺寸、线包电压相同的产品更换,如型号不同,则性能、尺寸、电压应相同。
(2)如果有旧的接触器,可以更换内部零件而修好,但必须严格按原有内部装配正确装配好。
(3)对烧蚀不严重的触头,可以用细砂布仔细砂光继续使用。
(4)因触头要流过大电流,对螺钉联接的铜条和导线必须切切实实拧紧以减少发热。
1.7 印制电路板的损坏
1.7.1 印制电路板的损坏判断
(1)排除了主回路器件的故障后,如还不能使变频器正常工作,最为简单有效的判断是拆下印制板看一下正、反面有无明显的元件变色、印制线变色、局部烧毁。
(2)一般变频器上的印制板主要有驱动板、主控板、显示板,根据变频器故障表现特征,使用换板方式判断哪块板有毛病。对其他印制板,如吸收板、GE 板、风机电源板等,因电路简单可用万用表迅速查出故障。
(3)印制板在有电路图时按图检查各电源电压,用示波器检查各点波形,先从后级,逐渐往前级检查;在没有电路图时,采用比较法,对有几路相同的部分进行比较,将故障板与好板对照查出不同点,再作分析即可找到损坏的器件。
1.7.2 印制板损坏原因
(1)元器件本身质量和寿命造成损坏,特别是功率较大的器件,损坏的概率更大。
(2)元器件因过热或过电压损坏,变压器断线,电解电容器干枯、漏电,电阻长期高温而变值。
(3)因环境温度、湿度、水露、灰尘引起印制板腐蚀击穿绝缘漏电等损坏。
(4)因模块损坏导致驱动印制板上的元件和印制线损坏。
(5)因接插件接触不良、单片机、存储器受干扰晶振失效。
(6)原有程序因用户自行调乱,不能工作。
1.7.3 印制板的维修
(1)对印制板维修需有电路图、电源、万用表、示波器、全套焊接拆装工具,以及日积月累的经验,才会比较迅速地找到损坏之处。
(2)印制板表面有防护漆等涂层,检测时要仔细用针状测笔接触到被测金属,防止误判。由于元件过热和过电压容易造成元件损坏,所以对于下列部位要求高度注意,首先检查;
开关电源的开关管、开关变压器、过电压吸收元件、功率器件、脉冲变压器、高压隔离用的光耦合器、过电压吸收或缓冲吸收板及所属元件、充电电阻、场效应管或IGBT管、稳压管或稳压集成电路。
(3)印制板的更换会因版本不同而带来麻烦,因此若确定要换板,就要看版号标识是否一致,如不一致而发生了障碍,就要向制造商了解清楚。
(4)单片机编号不一样内部的程序就不一样,在使用中某些项目可能会表现不一样,因此,使用中如确认程序有问题,就应向制造商询问。
(5)由于干扰会导致变频器工作不正常或发生保护。此时,应采取抗干扰措施,除了变频器整体上考虑抗干扰外(如加装输入/输出交流电抗器、无线电干扰抑制电抗器,输出线加磁环等),还可以在印制板的电源端加装由磁环和同相串绕的几匝导线构成的所谓共模抑制电抗器,对印制板上下位置作静电隔离屏蔽,以及对外部控制线用屏蔽线或用双绞线等措施。
(6)印制板维修后要通电检查,此时不要直接给变频器的主回路通电,而要使用辅助电源对印制板加电,并用万用表检查各电压,用示波器观察波形,确认完全无误后才可接到主回路一起调试。

1.8 变频器内部打火或燃烧
1.8.1 过电压吸收不良造成打火变频器的逆变器在快速切换电流时,发现某主器件被损坏,一般是由于切换电路上往往有电感存在,电感上储存的磁场能量将迅速转变为电场能量,即

特别当被切换电流i 大,而电路分布电容C小的时刻,在电流切换器的端子上将出现极高的过电压u,这个电压有时高到几百伏、几千伏、甚至几万伏。
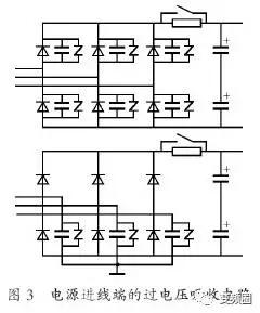
因此,在变频器的功率开关器件(如IGBT)的C、E端、开关电源管的D端、电源进线端等部位都设置了过电压吸收电路或器件来作保护。但这些保护器件失效,或具有相同作用的其他器件性能变坏(如承担部分过电压吸收的滤波电容干枯)时,都有可能出现过电压,发生打火、击穿或被保护的开关器件自身损坏。
常见过电压吸收电路如图2 所示。电源进线端的过电压吸收电路如图3所示。
当这些吸收元件损坏及安装它的印制板损坏时,就会产生过电压、跳火、烧蚀及主器件立即损坏。

更换这些元件时要求意识到型号的重要性,如二极管一定要用快恢复或超快恢复二极管,连接的接线要简短,以减少分布电感量的危害。
1.8.2 主器件损坏造成打火
有些变频器损坏的现象使人感到纳闷,母线间的某个间距并不小,但有尖端放电可能的区域,出现打火电蚀的痕迹。仔细检查发现有某主器件被损坏,究竟是不是间距不够造成的后果呢?不是的,这是因主回路有一定的电感,当主器件因故障的短路大电流突然烧毁时,就会造成母线间过电压(见图4)。逆变桥开关器件IGBT短路会造成正负母线间打火;整流桥短路或逆变IGBT 短路有可能造成进线处打火或进线保护用压敏电阻损坏,因进线也有电感,也会造成过电压。

逆变桥开关器件IGBT 或整流桥烧毁造成自身炸裂,严重时殃及周围器件,如烧毁驱动电路板。
1.8.3 压敏电阻问题
压敏电阻本来是用于进线侧吸收进线过电压的保护器件,但当进线侧电压持续较高,压敏电阻性能有变化时,有可能使压敏电阻爆炸烧毁,同样有可能殃及周围器件和导线绝缘。
1.8.4 电解电容器漏液、爆炸、燃烧
电解电容质量不好的表现有:漏液、漏电流大、损耗大、发热、鼓包、炸裂、由炸裂引起燃烧、容量下降,内阻及电感增加。对于滤波用电解电容器因电压高、容量大,所储存的能量大,容易造成漏液、爆炸、燃烧。电解液是可燃物,可造成燃烧事故。因此要用质量好的电解电容器,并在到达寿命前更换新的。
1.9 常见运行中的故障
1.9.1 过电流跳闸
起动时,一升速就跳闸,说明过电流十分严重,应查看有否负载短路、接地、工作机械卡堵、传动损坏、电动机起动转矩过小、以及根本起不动、变频器逆变桥已损坏。
运行中跳闸引起的原因有升速设定时间过短、降速时间设定过短、转矩补偿(V/f 比)设定太大,造成低速过电流、热继电器调整不当,动作电流设定太小也可引起过电流动作。
1.9.2 过电压和欠电压跳闸
(1)过电压:电源电压过高、降速时间设定过短、降速过程中制动单元没有工作或制动单元放电太慢,即制动电阻太大。变频器内部过电压保护电路有故障会引起过电压。
(2)欠电压:电源电压过低、电源缺相、整流桥有一相故障,变频器内部欠电压保护电路故障也会引起欠电压。
1.9.3 电动机不转
电动机、导线、变频器有损坏,线未接好,功能设置,如上限频率、下限频率、最高频率设定时没有注意,相互矛盾着。使用外控给定时,没有选项预置,以及其他不合理设置。
1.9.4 发生失速
变频器在减速或停止过程中,由于设置的减速时间过短或制动能力不够,导致变频器内部母线电压升高发生保护(也称过电压失速),造成变频器失去对电动机的速度控制。此时,应设置较长的减速时间,保持变压器内母线电压不至于升得太高,实现正常减速控制。
变频器在增速过程中,设置的加速时间过短或负载太重,电网电压太低,导致变频器过电流而发生保护(也称过电流失速),变频器失去对电动机的速度控制。此时,应设置较长的增速时间,维持不会过电流,实现正常增速控制。
1.9.5 变频器主器件自保护(FL保护)
该保护是变频器主器件工作不正常而发生的自我保护,很多原因都会导致FL保护。FL发生时,很多是变频器逆变器部分已经流过了不适当的大电流。这一电流在很短的时间内被检测出来,并在没有使功率器件损坏前发出保护控制信号,停止功率器件继续被驱动板激励而继续发生大电流,从而保护了功率器件。也有功率器件已坏,不适当地通过了大电流,被检测后就停止了驱动板对功率器件的激励。也有因过热使热敏元件动作,发生FL保护。
FL发生的现象一般有:一通电就FL保护、运行一段时间发生FL保护、不定期出现EL保护。
FL发生时要检查以下是否已损坏及作出处理。
(1)模块(开关功率器件)已损坏。
(2)驱动集成电路(驱动片)、驱动光耦合器已损坏。
(3)由功率开关器件IGBT集电极到驱动光耦合器的传递电压信号的高速二极管损坏。
(4)因逆变模块过热造成热断电器动作。这类故障一般冷却后可复位,即FL在冷却时不发生,可再运行。对此要改善冷却通风,找到加热根源。
(5)外部干扰和内部干扰造成变频器控制部位、芯片发生误动作。对此要采取内部抗干扰措施,如加磁环、屏蔽线,更改外部布线、对干扰源隔离、加电抗器等。
1.10 康沃变频器常见故障及处理方法
1.10.1 故障P.OFF
康沃变频器上电显示P.OFF,延时1耀2 s后显示0,表示变频器处于待机状态。在应用中若出现变频器上电后一直显示P.OFF 而不跳0 现象,主要原因有输入电压过低、输入电源缺相及变频器电压检测电路故障。处理时应先测量电源三相输入电压,R、S、T端子正常电压为三相380 V,如果输入电压低于320 V或输入电源缺少,则应排除外部电源故障。如果输入电源正常可判断为变频器内部电压检测电路或缺相保护故障。对于康沃G1/P1 系列90 kW及以上机型变频器,故障原因主要为内部缺相检测电路异常。缺相检测电路由两个单相380 V/18.5 V变压器及整流电路构成,故障原因大多为检测变压器故障,处理时可测量变压器的输出电压是否正常。
1.10.2 故障ER08
康沃变频器出现ER08 故障代码表示变频器处于欠电压故障状态。主要原因有输入电源过低或缺相、变频器内部电压检测电路异常、变频器主电路异常。通用变频器电压输入范围在320~460 V。
在实际应用中变频器满载运行时,当输入电压低于340 V时可能会出现欠电压保护,这时应提高电网输入电压或变频器降额使用;若输入电压正常,变频器在运行中出现ER08 故障,则可判断为变频器内部故障。若变频器主回路正常,出现ER08 报警的原因大多为电压检测电路故障。一般变频器的电压检测电路为开关电源的一组输出,经过取样、比较电路后给CPU 处理器,当超过设定值时,CPU根据比较信号输出故障*锁封**信号,*锁封**IGBT,同时显示故障代码。
1.10.3 故障ER02/ER05
故障代码ER02/ER05 表示变频器在减速中出现过电流或过电压故障,主要原因为减速时间过短、负载回馈能量过大未能及时被释放。若电动机驱动惯性较大的负载时,当变频器频率(即电动机的同步转速)下降时,电动机的实际转速可能大于同步转速,这时电动机处于发电状态,此部分能量将通过变频器的逆变电路返回到直流回路,从而使变频器出现过压或过流保护。现场处理时在不影响生产工艺的情况下可延长变频器的减速时间,若负载惯性较大,又要求在一定时间内停机时,则要加装外部制动电阻和制动单元,康沃G2/P2 系列变频器22 kW 以下的机型均内置制动单元,只需加外部制动电阻即可,电阻选配可根据产品说明中标准选用;对于功率22 kW以上的机型则要求外加制动单元和制动电阻。
ER02/ER05故障一般只在变频器减速停机过程中才会出现,如果变频器在其他运行状态下出现该故障,则可能是变频器内部的开关电源部分,如电压检测电路或电流检测电路异常而引起的。
1.10.4 故障ER17
代码ER17 表示电流检测故障。通用变频器电流检测一般采用电流传感器,如图5 所示,通过检测变频器两相输出电流来实现变频器运行电流的检测、显示及保护功能。输出电流经电流传感器(图中的H1、H2)输出线性电压信号,经放大比较电路输送给CPU 处理器,CPU 处理器根据不同信号判断变频器是否处于过电流状态,如果输出电流超过保护值,则故障*锁封**保护电路动作,*锁封**IGBT脉冲信号,实现保护功能。
康沃变频器出现ER17 故障的主要原因为电流传感器故障或电流检测放大比较电路异常,前者可通过更换传感器解决,后者大多为相关电流检测IC 电路或IC 芯片工作电源异常,可通过更换相关IC或维修相关电源解决。
1.10.5 故障ER15
代码ER15 表示逆变模块IPM、IGBT故障,主要原因为输出对地短路、变频器至电动机的电缆线过长(超过50 m)、逆变模块或其保护电路故障。现场处理时先拆去电动机接线,测量变频器逆变模块,观察输出是否存在短路,同时检查电动机是否对地短路及电动机接线是否超过允许范围,如上述均正常,则可能为变频器内部IGBT 模块驱动或保护电路异常。一般IGBT过电流保护是通过检测IGBT导通时的管压降动作的,如图6所示。


当IGBT正常导通时其饱和压降很低,当IGBT过电流时管压降VCE会随着短路电流的增加而增大,增大到一定值时,检测二极管VDB将反向导通,此时反向电流信号经IGBT驱动保护电路送给CPU 处理器,CPU *锁封**IGBT 输出,以达到保护作用。如果检测二极管VDB损坏,则康沃变频器会出现ER15 故障,现场处理时可更换检测二极管以排除故障。
1.10.6 故障ER11
康沃变频器出现ER11 故障表示变频器过热,可能的原因主要有:风道阻塞、环境温度过高、散热风扇损坏不转及温度检测电路异常。现场处理时先判断变频器是否确实存在温度过高情况,如果温度过高可先按以上原因排除故障;若变频器温度正常情况下出现ER11 报警,则故障原因为温度检测电路故障。康沃22 kW以下机型采用的七单元逆变模块,内部集成有温度元件,如果模块内此部分电路也会出现ER11 报警,另处当温度检测运算电路异常时也会出现同样故障现象。
2 变频器驱动电路常见问题及解决方案
近10 多年来,随着电力电子技术、微电子技术及现代控制理论向交流电气传动领域的渗入,变频交流调速已逐渐取代了过去的转差率调速、变极调速、直流调速等调速技术。几乎可以说,有交流电动机的地方就有变频器的使用。其最主要的特点是具有高效率的驱动性能及良好的控制特性。
现在通用型的变频器一般包括以下几个部分:整流桥、逆变桥、中间直流电路、预充电电路、控制电路、驱动电路等。一台变频器的好坏,驱动电路起着至关重要的作用,现就来谈谈驱动电路常见的问题以及解决的办法。
随着技术的不断发展,驱动电路本身也经历了从插脚式元件的驱动电路到光耦驱动电路,再到厚膜驱动电路,以及比较新的集成驱动电路。目前后三种驱动电路在维修中还是经常能遇到的。
下面介绍几种驱动电路的维修方法。
2.1 驱动电路损坏的原因及检查
造成驱动损坏的原因是各种各样的,一般来说,出现的问题也无非是U、V、W三相无输出或输出不平衡,或输出平衡但是在低频时抖动,还有启动报警等。当一台变频器大电容后的快速熔断器断开,或者是IGBT 逆变模块损坏的情况下,驱动电路基本都不可能完好无损,切不可换上好的快速熔断器或IGBT逆变模块,这样很容易造成刚换上的新器件再次损坏。这时应该着重检查驱动电路上是否有打火的印记。可以先将IGBT逆变模块的驱动脚连线拔掉,用万用表电阻挡测量六路驱动是否阻值都相同(但是极个别的变频器驱动电路不是六路阻值都相同的,如三菱、富士等变频器)。如果六路阻值都基本相同也不能完全证明驱动电路是完好的,接着需要使用电子示波器测量六路驱动电路上电压是否相同,当给定一个起动信号时六路驱动电路的波形是否一致。如果没有电子示波器,也可以尝试使用数字式电子万用表来测量驱动电路六路的直流电压。一般来说,未起动时的每路驱动电路上的直流电压约为10 V,起动后的直流电压为2耀3 V,如果测量结果一切正常的话,基本可以判断此变频器的驱动电路是好的。接着就将IGBT逆变模块连接到驱动电路上,但是记住在没有100%把握的情况下,最稳妥的方法还是将IGBT逆变模块的P从直流母线上断开,中间串联一组灯泡或一个功率大一点的电阻,这样能在电路出现大电流的情况下,保护IGBT逆变模块不被大电容的放电电流烧坏。下面介绍几个在维修变频器时和驱动电路有关的实例。