
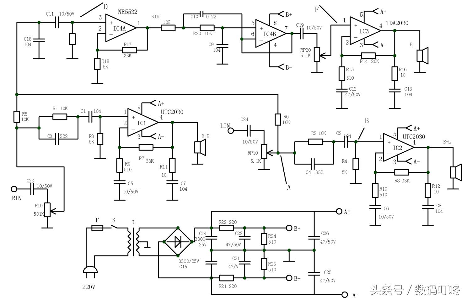
工作原理,如图纸所示:主要分为三部分。分别为电源电路、卫星箱功放电路、超重低音电路.
一、电源电路(图纸的最下面部分):220V市电经过保险管(F),和开关S后进入变压器初级,变压器
的次级输出双12V交流,双12V送入由VD1组成的桥式整流电路电路,经过桥式整流和C14,C15(3300UF/25V)的滤波后,输出的空载电压约为正负16V左右(根号2乘于12V),即A+为正16V,A-为负16V。正负16V为三块功放芯片TDA2030,UTC2030提供电源。另一路经过R21、R22的降压后,由B+,B-输出约正负12V为低音前置放大和低通滤波器IC4提供电源电压。
在本图纸当中,前置放大的供电并没有采用78/7912三端稳压电路,磨机爱好者在更换两个3300UF电容时,也可以考虑加入LM7812/7912为前置提供更为稳定的工作电压。
二、左右声道放大电路(卫星箱功放电路),因左右声道作原理完全一致。这里我只以图纸的左声道为例,作个介绍。
如图:RIN为信号输入端,经过耦合电容C23进入音量电位器,(音量电位器由三个引脚,与C23连接的是输入端,输出端也叫滑动端、另一引脚为接地端),调整音量后信号进入由R1/C3组成的高音提升电路,此电路可以提升一定量的高频信号,使声音更加清晰。尔后信号经过耦合电容C1进入左声道功放,型号为UTC2030的1脚,经过功率放大后,由2030的第四脚输出,推动卫星箱发声。图中的R7为反馈电阻,R7/R9为决定2030芯片的放大倍数。因此,调整R7的阻值,就可以调整放大倍数。R11/C7为扬声器补偿网络。
三、超低音电路。由左右声道经两个10K电阻R5、R6后至C11耦合电容,尔后信号进入IC4,型号为JRC4558的3脚,图中IC4A为超低音的前置放大器。R201T将此放大器的放大倍数设置为6倍左右。(R17/R18),经过前置放大后,才能保证足够大的驱动电压,获得足够大的音量。4558的1脚为前置输出,经R19后进入由IC4B、C9、C10、R20组成的低通滤波器。低通滤波器的作用是截除200HZ以下的低频信号,R20和C10决定截止频率。(具体每个厂家的截止频率设置略有不同)。IC4B输出后----C19,与音量电位器的输入端相连接,调整超低音的音量后,由电位器滑动端输出进入超低音功放电路IC3;TDA2030A,此电路的原理与卫星箱功放一致。4脚为输出端,推动低音喇叭发声。
以上为R201T的基本工作原理.顺便指出上图中有一处标识有误:即TDA2030A的1脚输入端应该标为“+”即同相输入端。图纸的1、2脚标反了。
注:漫步者R1900TII,1800TII.轻骑兵V23SE,惠威M200,M20W,M20L T120.中采用的芯片LM1875T.其工作原理与本文中的TDA2030A一致
2.1音箱维修方法:
掌握电路的基本原理,维修就事半功倍了。其实检修音响就象医生看病人一样,讲究“望,闻,问,切”。
检修前需做的事:音响遇到故障时,不要急着下手。要先问问用户使用的情况:出现故障的前后,音响有什么异常,比如有无“喀卡”的杂音,有无闻到异味,有无看到音响冒烟等情况,这样可以快速了解音响的状态。遇到音响无声或者单声道等故障,也不要急于判断为音响本身的故障;而首先要先排除信号源和连接线的问题。比如检查一下电脑是否置于静音的状态,系统音量是不是调到最小的位置了????平衡控制是否位于中间的位置????确定声卡或DVD/CD信号无问题后,还要检查一下输出的音频连接线,有时候,连接线接触不量会造成单声道或者有杂音。另外。卫星箱的接线夹也要检查一下,有无松脱等情况。(有时候可以把两个卫星箱对调来确定卫星箱和功放电路的好坏);确定信号源和连接线无问题,还未排除故障时,才决定拆解您的音箱来检修。
下面以R201T为例介绍音箱常见的几种故障检修方法:
-
一、开机无任何反应,卫星箱和低音炮都不发声。(此时调整两个音量电位器均无反应)。此故障基本上可以认为是电源故障。(因为三个功放芯片同时损坏的几率很低)。多媒体音响的保险管若是安装到外面的。我们可以拧开保险盖,取出保险管,观察:若保险已经溶断,也不要急于换上新的保险管。我们可以观察保险损坏的情况:若保险丝只是中间或者两头断掉,没有明显的烧黑的痕迹。可以估计,保险是偶然损坏的。(因为市电电压高等原因)这时用同规格的保险管代换一般都能排除。(如果保险管装到主机箱内的,需要拆开机盖才能取出保险)。若保险管的管壁烧的一片漆黑,估计是变压器烧毁(或匝间短路),另外整流或滤波电路中有元件短路也会造成此现象。这时我们可以观测变压器有无异味,看看有无烧损的痕迹。同时可以用万能表检查次级有无输出电压。若变压器输出正常,那就要检查,四个整流管有无击穿短路,电容有无短路等等。直至查出短路的元件。
-
二、单声道。比如说左声道无声,我门可以去掉左声道的卫星箱,接入右声道卫星箱。若卫星箱此时发声,那么可以确认故障原因为左声道的卫星箱喇叭有故障或烧毁。若接了右卫星箱,故障依旧,说明音箱是好的,只是左声道功放电路损坏。。(也可以把R201T背后的音频输入线左右声道对调一下来判断2.1音箱的工作状态)。那么,如何检修左声道的功放电路呢?????我们看看图纸,图中我标了A、B、C、D、E、几个“关键点”。IC2为左声道放大电路,我们可以采用一种简单有效的“信号注入法”(也叫信号干扰法),具体就是可以用医用的金属镊子或其他小起子,(手碰触金属部分),直接碰触图中的B点。即功放芯片的1脚,此时喇叭应该较大的“喀喀”干扰声,如果没有,那么基本上可以判断功放芯片已经OVER了。我们用同型号的芯片更换就行了。UTC2030可以用UTC2030,TDA2030,TDA2030A直接代换。同时还需要注意,TDA2030A反相输入端的R10和C6断开或者损坏,有可能造成声音阻塞甚至无声。另外,A---B点有线路板铜箔断也会造成左声道无声。以上检修方法的前提是:IC2的工作电压正常的情况下。(即3脚为负16V,5脚为正16V左右)。
-
三、低音炮无声音。我们可以直接用万能表的R*1挡测量低音喇叭,喇叭应该有较小的“喀卡”声,否则喇叭已损坏。喇叭正常的情况下,我们依旧采用信号注入法,为了快速找到故障点,一般从“后”----“前”尽行干扰。即对功放后级先尽行信号注入,无故障的话再向前一级注入信号。如图纸:在F点注入干扰信号,低音喇叭应该有“啪啪声”否则就要检修TDA2030功放电路。若啪啪声正常,但低音炮不工作,我们可以检查一下低音的音量电位器,排除电位器的问题后,还不能解决问题,那就要检查一下IC4了。IC4有两个作用,一个是前置放大,一个是低通滤波。若IC4供电不正常或者本身损坏,就会造成低音炮无声的故障。(注,IC4的8脚为正12V,4脚为负12V)。进行上述的检查之前,我们要目测观察一下,电路板有无断裂,元件有无明显烧毁的现象。这样可以少走弯路。续上、TDA2030A是比较容易损坏的器件,除了信号注入法。我们还可以用以下方法快速判断2030的好坏-----我们先检测芯片的供电是否正常,即5脚为正16V,3脚为负16V。在没有信号输入的情况下,另外三脚应该是零电压的。如果测得第4脚(功放输出)有直流电压输出,(甚至达到16V左右),确定芯片已经损坏。特别需要留意的一点:TDA2030A(LM1875)
的引脚3与散热接触面是连通的,如果散热面与散热板之间没有垫绝缘片,维修时要切记:散热板不要碰到地线或者电源线,否则有可能导致芯片损坏.
-
四、调整电位器时,喇叭有卡卡的杂音。此故障可以用WD--40清洗。参考:http://www.edifier.com/cgi-bin/bbs/bbs.cgi?u=bbs&id=20040216225824sb 磨损严重的,用同规格电位器代换。
-
五、喇叭里有“啸叫”声或者较大的噪音。当整流电路某个整流二级管击穿短路、或者滤波电容失效时。有可能造成此故障。怎样判断滤波电容是否失效呢????我们可以检测A+,A-电压。正常电压应该是15V左右。当检测到某一组电压只有10V左右时,估计相应的滤波电容已经失效。比如说A+只有10V,那么C14已经失效,失去滤波作用。用同规格电容代换即可。
-
六、低音炮在不*放播**音乐的时候有很大的“翁翁”声。即使拔掉输入信号线,翁翁依然很大,始终无法消除。此现象现象一般是低音通道的电路故障造成的,最有可能的就是TDA2030A芯片损坏。造成TDA2030第4脚输出直流电压,使喇叭发出沉闷的“翁”声,只需更换功放芯片就可以解决问题。
见回复5里的三张图片,我们可以迅速识别NE5532,和TDA2030A的引脚次序。彩图一:中打点的为NE5532(JRC4558)引脚1脚。最下图为双运放各引脚的标识。一目了然。NE5532(JRC4558)引脚:1为运放输出,2为反相输入端,3脚为输入. 5脚为另一运放同相输入,6脚反相输入,7脚输出. 4脚为负电压,8脚正电压.中间的图片实物为2。1音箱常用的TDA2030A功放芯片,此芯片为双列直插封装。从左---右数:靠近散热板的为2、4脚。前排依次为第1、3、5脚。 (LM1875引脚完全一致).
