fanuc series操作面板说明 (fanuc系统基本操作视频版)

FANUC系统编程教学,fanuc系统车床操作面板

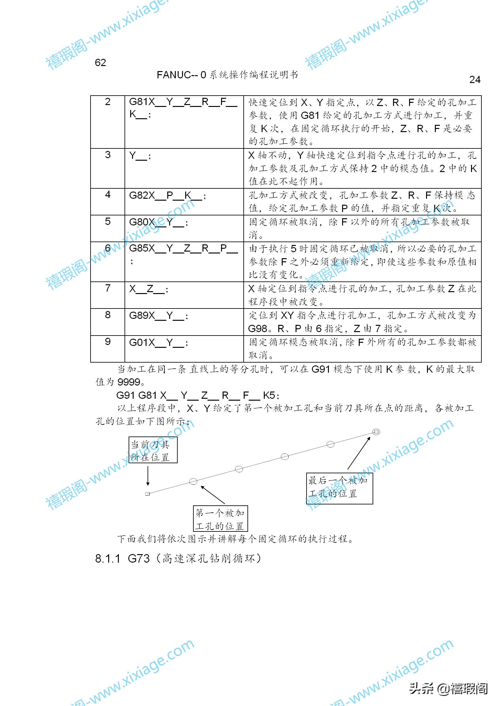
FANUC系统编程教学,fanuc系统车床操作面板

FANUC系统编程教学,fanuc系统车床操作面板

FANUC系统编程教学,fanuc系统车床操作面板

FANUC系统编程教学,fanuc系统车床操作面板

FANUC系统编程教学,fanuc系统车床操作面板

FANUC系统编程教学,fanuc系统车床操作面板

FANUC系统编程教学,fanuc系统车床操作面板

FANUC系统编程教学,fanuc系统车床操作面板

FANUC系统编程教学,fanuc系统车床操作面板