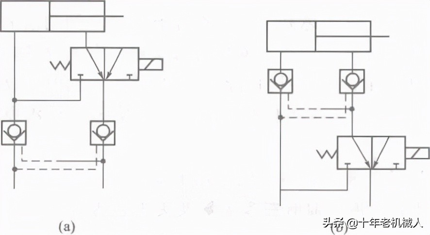
锁紧回路中单向阀、换向阀放置不当引起的故障及解决方案
1、用 液控单向阀 锁紧执行机构时其控制油口不直接接油箱,有时达不到真正的锁紧目的

a.采用中位封闭式(O型),在三位四通阀移位过程中,会产生压力,单向阀不会完全封闭,缸体会发生一部分位移;换成b的这种中位是Y型设计可以有效避免。
2、在锁紧回路内有泄漏,导致锁紧失效

a不合理,b合理。凡是锁紧回路,都可能涉及安全的问题,液控单向阀与液压缸之间不要有任何其他元件连接,其他阀可能产生泄漏。
3、液压缸运动的解决方式及液压马达的使用注意事项
下图:重力负载向下运动时忽然停止然后再次下行

解释视频:https://www.51zxw.net/Show.aspx?cid=883&id=101363
搜索:我要自学王—— 液压缸运动的解决方式及液压马达的使用注意事项