智能已成为家电行业最热门的话题之一,家电厂商纷纷布局自己的智能战略,无论是在电商还是在实体店都能看到各种智能家电产品。作为普通消费者的我们感到了智能化带来的方便、安全、快捷,与此同时也带来了小烦恼:智能设备出现小故障如何维修。为了帮助更多需要帮助的人,特此在这里进行连续的家电维修经验介绍。
快热式电热水器温度档位调节失灵故障维修小经验
工具/原料
-
万用表、螺丝批、扳手、电烙铁、吸锡器、尖嘴钳子
-
温度传感器、可控硅、电子流量传感器、松香、焊锡
快热式电热水器温度档位调节失灵的原因:
一、电热水器温度档位调节失灵是因为可控硅损坏(击穿或断路)造成的,因为可控硅在电路中做为水温调节的主要元件,当水比较凉想加热时,调节温度旋钮,此温度旋钮调节的是电路供给可控硅触发极的电压大小的变化。当电压增高时,可控硅越接近于导通状态。当电压减小时,可按硅越趋于截止状态。而可控硅导通时,其两极相当于一根导线,也就是说相当于电路中的电流不受任何阻止通过加热管的加热丝,那这时水温就处于最热状态。当可控硅处于截止时,其两极相当于断路,也就是说,加热管的加热丝中没有电流通过。此时,水温就特别低。无论可控硅处于击穿或是断路状态时,热水器的温度都是无法调节的。
二、如果温度传感器损坏,它的阻值没有随温度而变化,无法正常给电脑板提供信号确定水温变化。最终导致的结果是外面手动无论如何操作,热水输出端的水温都没有任何改变。
三、电子流量传感器损坏也将会造成温度调节失灵现像,当电子流量传感器无法正常感受水流大小时,电脑板就无法接收到流量信号无法正常调控水温高低。

解决方案:
1、快热式电热水器遇到档位无法调节最终无法控制水温现像时,可以采取电路维修方式进行解决。此种方式需要具有一定专业维修技术的人员,对电路进行检查,并更换相应损坏的电子元件,恢复电热水器的正常使用功能。

整体简介:
1、维修此种快热式电热水器,需要先将电源切断,确保操作过程中不会发生触电事故。再利用万用表等电子维修工具对电路板进行元件级检测,特别针对电位器及可控硅等重要调节元件进行检测。如果发现电位器有接触不良时断时序的情况时要及时更换,测量可控硅时如果发现有击穿短路或是断路现像也要按原型号原规格同功率进行更换,切勿私自更改电路原有设计或更换参数不同的元件,避免发生故障扩大的可能性。

方法/步骤:
1、首先,将快热式电热水器的漏电保护开关关闭,切断外部电源与电热水器的联接,确保拆机安全。

2、接下来,打开漏电保护开关的电箱,用螺丝批扭下电热水器的三根线。一根是零线(N);一根是火线(L);一根是接地线(PE)。


3、拆下电源线后,关闭进水阀门。用活动扳手扭下进水管接头、热水管接头。

4、用螺丝批将热水器墙壁上的固定螺丝扭下来,拆下电热水器,平放在桌面上并拆下外壳。

5、现在开始用万用表对电路板上的温度传感器进行检测,检测时将温度传感器的插头拔掉,用两只表笔分别插入插头的两个孔中,正常室温25度时,阻值应该在15K左右(不同品牌不同型号其阻值有所不同)。如果所测量的结果非常小或非常大时,说明其短路或断路。如果想测量其性能如何,可以用万用表测量其阻值时,同时用热风枪吹温度探头,看万用表的读数是否随着温度变化,正常时是可以随着温度变化的。

6、检查温度传感器之后,接下来检查流量流量传感器,采取测量电压的方式:通电220V,打开水阀,当有水流量大于3.5L/MIN流过流量传感器传感器时,用万用表测红、黑两线的工作电压为5V测白-黑两线为输出电压2.5-3V,否则,水流量传感器损坏或磁轮不转,进行相应更换。

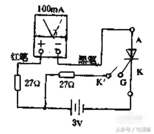
7、接下来检查大功率可控硅,用万用表测量其输入及输出极两端如果导通说明其短路;如果阻值为无穷大说明其断路;为了确定其损坏的真实程度或想测量其性能,可以用电烙铁与吸锡器将可控硅拆下测量。如下图所示:


8、经过上述检测,更换损坏的配件,即可按拆机程序相反的步骤进行装机。并将其固定在墙壁上,接好进出水管。最后把电源线按原来的位置进行安装紧固。一切安装结束之后,即可通电试机。实测试机正常,到此,快热式电热水器温度档位调节失灵故障维修过程全部结束。

注意事项
-
如果此篇文章对您有帮助,请您点击关注宅通修!如有疑问,请留言。
-
小编还有其他家用电器系列连续介绍维修经验,闲暇之余您可以来看看,顺便留下足迹哈!