2020款奥迪a4l喇叭 (奥迪a4l喇叭在什么位置)

车型: 奥迪A4L

行驶里程: 48791km。

故障现象: 该车喇叭不响。

故障诊断: 首先用诊断仪检测,整个系统均无故障码。

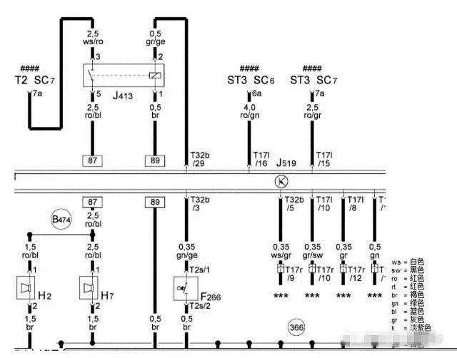
该车喇叭线路简图如图1 所示。

ST2. 保险丝支架2 ST3. 保险丝支架3 T2s.2 芯黑色插头连接 T17l.17 芯黑色插头连接 T17q.17 芯红色插头连接,在发动机舱电控箱中 T17f.17 芯白色插头连接,在发动机舱电控箱中 T32b.32 芯黑色插头连接 366. 接地连接1,在主导线束中B474. 接地连接10,在主导线束中 *** 见适用的发动机电路图 ####. 保险丝布置 见适用的电路图

奥迪a4l喇叭不响怎么回事,2020款奥迪a4l喇叭

图1 喇叭相关线

由于诊断仪检测无故障码,分析可能有以下几个原因:

(1)车载电网控制单元故障;

(2)喇叭故障;

(3)喇叭继电器及线路故障;

(4)喇叭按钮故障;

(5)转向盘控制单元故障;

(6)其他故障。

首先检测转向盘按钮信号是否正常,如图2 所示,在点火开关打开情况下,按下按钮,按钮信号数据流显示已按下,正常。

奥迪a4l喇叭不响怎么回事,2020款奥迪a4l喇叭

图2 按钮信号数据流

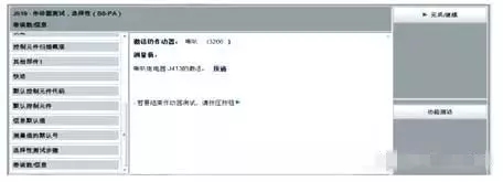
对喇叭进行动作测试(如图3 所示),继电器不工作,喇叭也不响。读取J519 喇叭继电器及喇叭。

奥迪a4l喇叭不响怎么回事,2020款奥迪a4l喇叭 ​​图3 测试情况

输入信号,数据正常(如图4所示)。

奥迪a4l喇叭不响怎么回事,2020款奥迪a4l喇叭 ​​

图4 数据正常

检测喇叭继电器正常,喇叭继电器由J519 控制,但是按下按钮测量J519 输出端无12V 输出,直接短接J413喇叭能够工作,确认故障出在控制端。检测相关控制线路,无短路、断路等相关故障,于是考虑是否J519 损坏,试着更换J519 后试车,故障依旧,此时维修进入僵局。喇叭信号传递过程如下:首先转向盘控制单元接收喇叭按钮信号,通过网关传递给J519,J519 接收到信号后控制J413喇叭继电器结合,喇叭开始工作。为什么J519 一直不输出控制电流,难道是还有条件没有满足?重新识别J519 故障存储器,发现系统里有个故障码(如图5 所示)。

奥迪a4l喇叭不响怎么回事,2020款奥迪a4l喇叭 ​​

图5 故障信息

根据电路图找到ST3-SC7 为30-2端子,且该保险丝已经烧坏。更换该保险丝后试车,喇叭功能即恢复正常。那么保险丝SC7 为何烧坏?为找到保险丝烧坏原因,分解原车J519,发现里面已进水(如图6、图7 所示)。

奥迪a4l喇叭不响怎么回事,2020款奥迪a4l喇叭 ​​

图6 J519进水图片1

奥迪a4l喇叭不响怎么回事,2020款奥迪a4l喇叭 ​​图7 J519进水图片2

J519 进水后造成内部短路,保险丝SC7 烧坏。此时检测还没有完毕,需要找到该车J519 进水原因,经过检查发现流水槽下发动机控制单元盖板有漏水现象,如图8所示,漏水造成控制单元进水,造成J519 内部短路,SC7 烧坏。

故障排除: 修复相关漏水部位,更换J519、SC7后故障排除。

故障总结: 此案例为比较简单的维修案例,一定要搞清楚喇叭工作原理,信号传递顺序,才能够快速有效地找到故障点,节省客户等待时间,提高客户满意度。

图8 发动机控制单元进水

奥迪a4l喇叭不响怎么回事,2020款奥迪a4l喇叭