节点分析法—格式化方法

本文主要分享节点分析法—格式化方法以及相关例题,希望能给读者带来帮助。
通过对前面文章的分享可以发现,每个节点的节点电压,要与该节点相连的所有电导之和相乘。同样要注意,同一个方程中的其他节点电压是乘以两个节点之间电导的负值。电流源放在等号的右侧,如果它们提供流入节点的电流时符号为正,如果是流出节点时符号是负的。
这些结论可以推广到包含任意多个节点的网络中。这使得我们可以快速写出节点方程,并且其形式更适于使用行列式。基本前提是,在应用这个步骤之前,所有电压源都必须转化为电流源。注意将下面的五个步骤和网孔分析法(网孔分析法(格式化方法)/网孔分析法(一般方法))所需的步骤进行对比。
节点分析法步骤
1)选择一个参考点,并且将带下标的节点电压标在电路剩余的(N-1)个节点处。
2)求解所需的方程数等于节点电压的数量,即 N-1个。每个方程的第一列都是由与所研究节点相连的电导之和,再乘以该节点的节点电压来得到。
3)现在来考虑公共项,如果在感兴趣的节点处的电流流过了多个和其他节点相连的元件,那么就可能会有多个公共项。
4)等号右侧是与该节点相连的电流源的代数和。如果电源电流流入该节点,那么电流源前面是正号,否则就是负号。
5)求解所得到的联立方程组,计算待求电压。

小试牛刀

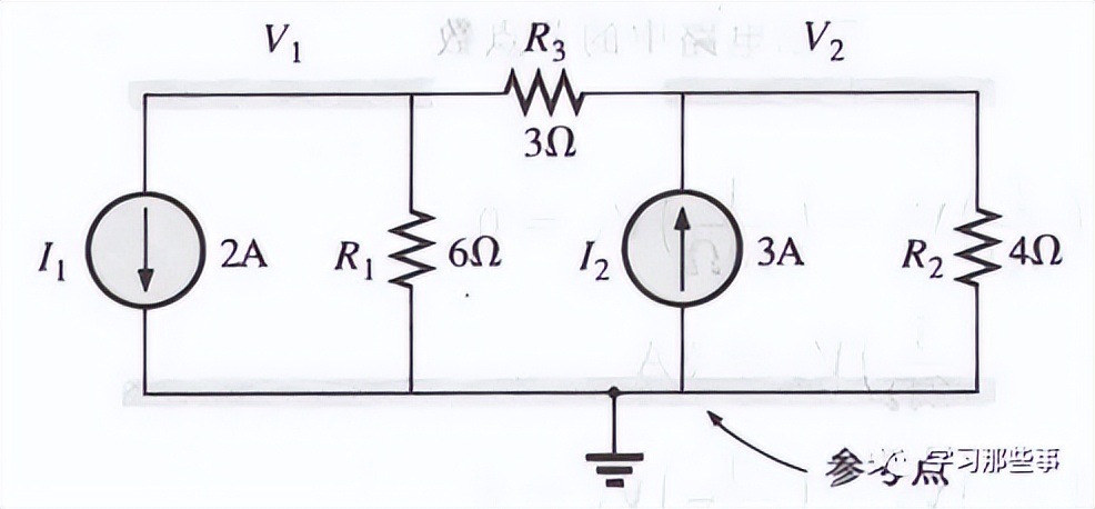
例1.写出图1所示电路的节点方程。

图1

图2
解.
步骤1)在图2中重新画出电路,标注带下标的节点电压。
步骤2)~4)

即
